电脑桌面
添加小米粒文库到电脑桌面
安装后可以在桌面快捷访问

plc教学设计--自动门操作

plc教学设计--自动门操作_第1页
1/9
plc教学设计--自动门操作_第2页
2/9
plc教学设计--自动门操作_第3页
3/9
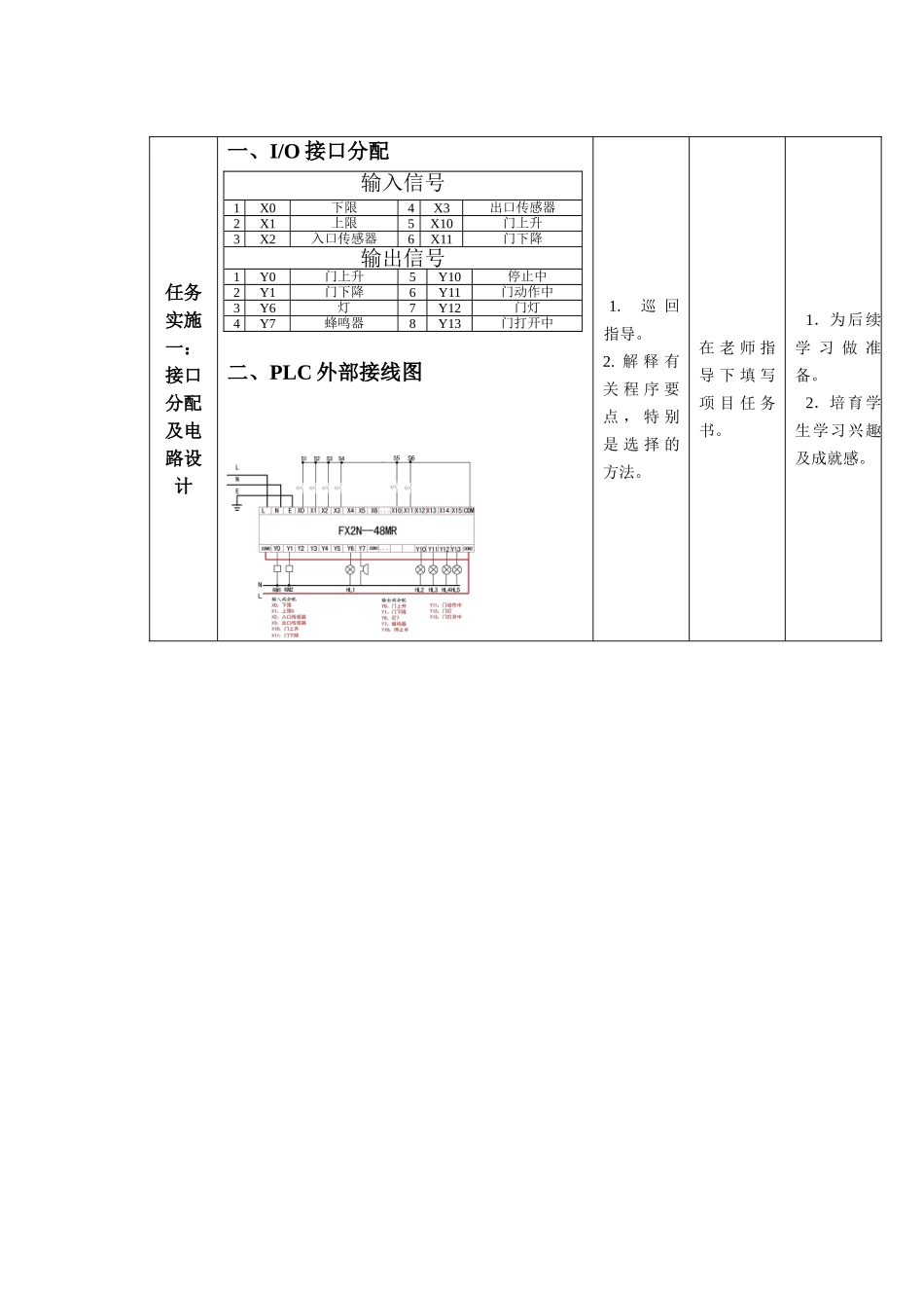
课题序号授课课时授课班级09(4)班课题名称自动门操作授课形式讲授、虚拟实验使用教具多媒体电脑、软件教学目标知识与技能1.使学生熟悉顺序功能图的编写方法。2.使学生熟悉 PLC 的外部接线。3.使学生熟悉单序列顺序功能图的实现方法(步进指令)。4.使学生掌握依据具体情况改进现成程序的方法。5.使学生熟悉步进指令中双线圈输出的避开方法。情感与态度激发学生对本课程以及本专业的兴趣,培育阶段性成就感,逐步克服习得性无助感。过程与方法培育学生对比现成项目实现知识迁移的能力。重点使学生掌握依据具体情况改进现成程序的方法。难点及解决方法学生对双线圈的输出不太敏感,解决双线圈输出问题的方法也不没掌握。另外学生极度缺乏学习动力及好的学习态度与习惯。拟通过老师示范以及学生模仿练习的手段使学生提高学习兴趣,并在模仿中得到一定的技能,从而为学习新内容打下情感的基础、技能的基础。教学方法及手段1.演示法(多媒体手段)2.实验法(多媒体手段)3.讲授法更新、补充、删节内容针对教材项目以及仿真软件实际,对教学内容做了大量更新,但能实现原教学目标。课外作业填写项目任务书教学后记授课主要内容1. PLC 的外部接线。2.顺序功能图的编写及实现方法。3.单序列顺序功能图的实现方法(步进指令)。或板书设计4.依据具体情况改进现成程序的方法。5.步进指令中双线圈输出的避开方法。教 学 内 容 及 过 程过程教学内容老师活动学生活动达成目标任务呈现一、学生观察观察项目情景,提取相关信息。二、老师描述项目工作过程三、按下车辆前进按钮,小车前进,至入口处,过道门上升、门灯亮、蜂鸣器响、“门动作中”及“门灯”指示灯亮;当过道门升至上限处,门停住,门灯继续亮、“门打开中”及“门灯”指示灯亮;车辆过后,过道门下降升、蜂鸣器响、“门动作中”指示灯亮;当过道门下降至下限处,各指示灯及动作停止,返回初始状态,等待下一辆车到来。三、老师、学生共同分析分析项目实施方法这是一个单序列工作流程,所以可以先编写出顺功能图,然后在转化成梯形图实施。1.操作多媒 体 , 展示 项 目 情景2.讲解、解 释 有 关内容。听 讲 、 思考、记录、观察 , 提 取相关信息。1.培育学生从具体情景中发现问题、提取信息的能力。2.激 发兴趣。任务实施一:接口分配及电路设计一、I/O 接口分配二、PLC 外部接线图1.巡 回指导。2. 解 释 有关 程 序 要点 , 特 别是 选 择 的方法。...

1、当您付费下载文档后,您只拥有了使用权限,并不意味着购买了版权,文档只能用于自身使用,不得用于其他商业用途(如 [转卖]进行直接盈利或[编辑后售卖]进行间接盈利)。
2、本站所有内容均由合作方或网友上传,本站不对文档的完整性、权威性及其观点立场正确性做任何保证或承诺!文档内容仅供研究参考,付费前请自行鉴别。
3、如文档内容存在违规,或者侵犯商业秘密、侵犯著作权等,请点击“违规举报”。

碎片内容

plc教学设计--自动门操作

确认删除?
VIP
微信客服
  • 扫码咨询
会员Q群
  • 会员专属群点击这里加入QQ群
客服邮箱
回到顶部