电脑桌面
添加小米粒文库到电脑桌面
安装后可以在桌面快捷访问

两相短路电流计算及查表

两相短路电流计算及查表_第1页
1/6
两相短路电流计算及查表_第2页
2/6
两相短路电流计算及查表_第3页
3/6
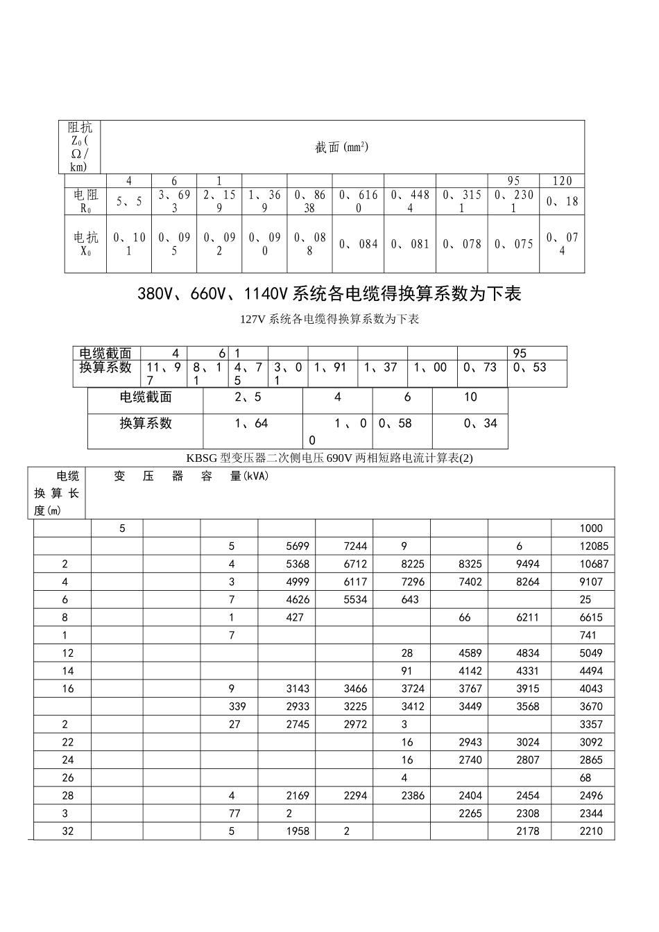
解析法计算低压电网短路电流计算两相短路电流得计算公式为:I==R1/Kb2+Rb+R2=Xx+X1/ Kb2+Xb+X2式中: I—两相短路电流,A;、—短路回路内一相电阻、电抗值得总与,Ω;Xx—根据三相短路容量计算得系统电抗值,Ω;R1、X1—高压电缆得电阻、电抗值,Ω;Kb—矿用变压器得变压比,若一次电压为 6000V,二次电压为 400、690、1200V 时,变比依次为 15、8、7、5;当一次电压为 10000V,二次电压为 400、690、1200V 时,变比依次为 25、14、5、8、3;Rb 、Xb—矿用变压器得电阻、电抗值,Ω;R2、X2—低压电缆得电阻、电抗值,Ω;Ue—变压器二次侧得额定电压,V。若计算三相短路电流值 I=1、15 I矿用橡套电缆得单位长度电阻与电抗380V、660V、1140V 系统各电缆得换算系数为下表127V 系统各电缆得换算系数为下表电缆截面2、54610换算系数1、641 、 000、580、34KBSG 型变压器二次侧电压 690V 两相短路电流计算表(2)电缆换 算 长度(m)变 压 器 容 量(kVA)5100055699724496120852453686712822583259494106874349996117729674028264910767462655346432581427666211661517741122845894834504914914142433144941693143346637243767391540433392933322534123449356836702272745297233357221629433024309224162740280728652646828421692294238624042454249637722265230823443251958221782210阻抗Z0(Ω/km)截面(mm2)46195120电阻R05、53、6932、1591、3690、86380、61600、44840、31510、23010、18电抗X00、1010、0950、0920、0900、0880、0840、0810、0780、0750、074电缆截面46 195换算系数11、978、114、753、011、911、371、000、730、533485236981388844641635169817421752177617964267167616971715446414674488145954529054126412980135156712831295130458612411252126169712021212122162111711431161116611751183641166168171172759941102374519699819859919977628945957960966971789429478491992482897902844686818628841850852857861888388429793805892777897967998038069462773780782786789964775776476677077398327427497517557581377407431168669571165766567067167467718634664812761962112559559743567257425545255314522526530531532534913514516764884924954964974996804824831645946246546546746816545449451452453454174334364384394404411752142442642642742841541641618540440519003399519538438522369372373374374375KBSG 型变压...

1、当您付费下载文档后,您只拥有了使用权限,并不意味着购买了版权,文档只能用于自身使用,不得用于其他商业用途(如 [转卖]进行直接盈利或[编辑后售卖]进行间接盈利)。
2、本站所有内容均由合作方或网友上传,本站不对文档的完整性、权威性及其观点立场正确性做任何保证或承诺!文档内容仅供研究参考,付费前请自行鉴别。
3、如文档内容存在违规,或者侵犯商业秘密、侵犯著作权等,请点击“违规举报”。

碎片内容

两相短路电流计算及查表

您可能关注的文档

津创媒+ 关注
实名认证
内容提供者

欢迎交流文创,小店资料希望满足您的需要。

确认删除?
VIP
微信客服
  • 扫码咨询
会员Q群
  • 会员专属群点击这里加入QQ群
客服邮箱
回到顶部