电脑桌面
添加小米粒文库到电脑桌面
安装后可以在桌面快捷访问

消防巡查人员安全技术交底表格VIP专享

消防巡查人员安全技术交底表格_第1页
1/1
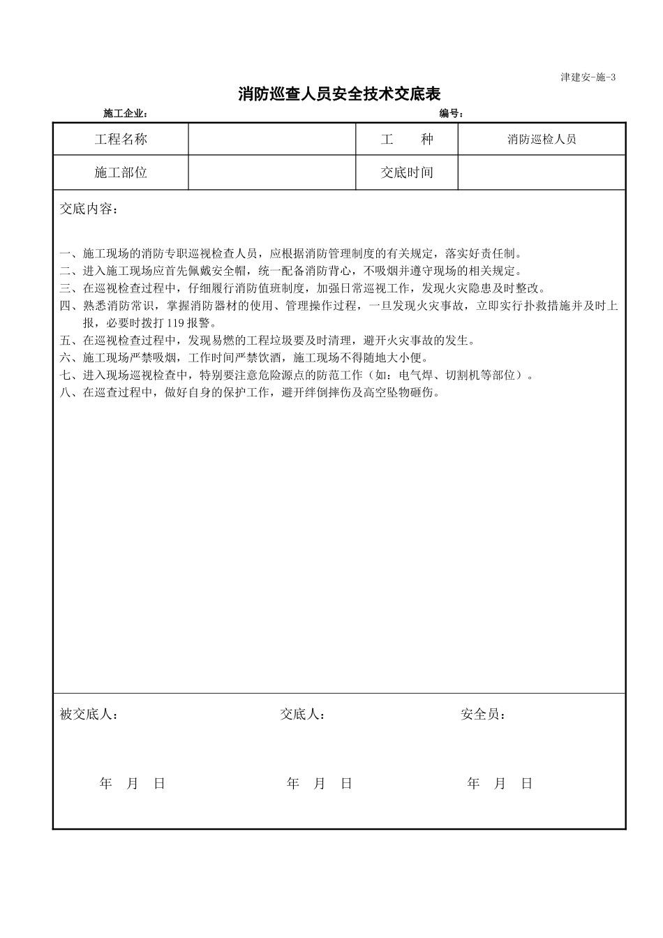
津建安-施-3消防巡查人员安全技术交底表施工企业: 编号:工程名称 工 种消防巡检人员施工部位交底时间交底内容:一、施工现场的消防专职巡视检查人员,应根据消防管理制度的有关规定,落实好责任制。二、进入施工现场应首先佩戴安全帽,统一配备消防背心,不吸烟并遵守现场的相关规定。三、在巡视检查过程中,仔细履行消防值班制度,加强日常巡视工作,发现火灾隐患及时整改。四、熟悉消防常识,掌握消防器材的使用、管理操作过程,一旦发现火灾事故,立即实行扑救措施并及时上报,必要时拨打 119 报警。五、在巡视检查过程中,发现易燃的工程垃圾要及时清理,避开火灾事故的发生。六、施工现场严禁吸烟,工作时间严禁饮酒,施工现场不得随地大小便。七、进入现场巡视检查中,特别要注意危险源点的防范工作(如:电气焊、切割机等部位)。八、在巡查过程中,做好自身的保护工作,避开绊倒摔伤及高空坠物砸伤。被交底人: 交底人: 安全员:年 月 日 年 月 日 年 月 日

1、当您付费下载文档后,您只拥有了使用权限,并不意味着购买了版权,文档只能用于自身使用,不得用于其他商业用途(如 [转卖]进行直接盈利或[编辑后售卖]进行间接盈利)。
2、本站所有内容均由合作方或网友上传,本站不对文档的完整性、权威性及其观点立场正确性做任何保证或承诺!文档内容仅供研究参考,付费前请自行鉴别。
3、如文档内容存在违规,或者侵犯商业秘密、侵犯著作权等,请点击“违规举报”。

碎片内容

消防巡查人员安全技术交底表格

确认删除?
VIP
微信客服
  • 扫码咨询
会员Q群
  • 会员专属群点击这里加入QQ群
客服邮箱
回到顶部