电脑桌面
添加小米粒文库到电脑桌面
安装后可以在桌面快捷访问

高压电缆试验及检测方法

高压电缆试验及检测方法_第1页
1/7
高压电缆试验及检测方法_第2页
2/7
高压电缆试验及检测方法_第3页
3/7
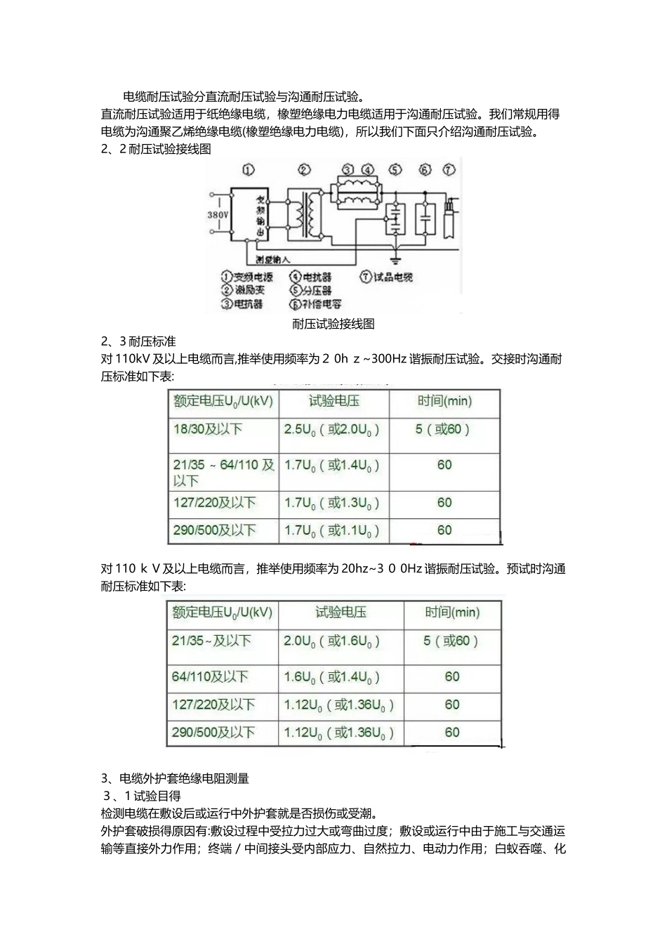
电力电缆1 KV 及以下为低压电缆;1 KV~10 K V 为中压电缆;10K V~3 5KV 为高压电缆;35~220KV 为特高压电缆。其中高压电缆就是指用于传输 10KV-3 5 K V(1KV=1 000V)之间得电力电缆,多应用于电力传输得主干道。高压电缆从内到外得组成部分包括 :导体、绝缘、内护层、填充料(铠装)、外绝缘。当然,铠装高压电缆主要用于地埋,可以抵抗地面上高强度得压迫,同时可防止其她外力损坏。下面我来讲解一下高压电缆试验及检测方法,具体内容如下:1、电缆主绝缘得绝缘电阻测量1、1试验目得初步推断主绝缘就是否受潮、老化,检查耐压试验后电缆主绝缘就是否存在缺陷。绝缘电阻下降表示绝缘受潮或发生老化、劣化,可能导致电缆击穿与烧毁。只能有效地检测出整体受潮与贯穿性缺陷,对局部缺陷不敏感。1、2 测量方法分别在每一相测量,非被试相及金属屏蔽(金属护套)、铠装层一起接地。采纳兆欧表,推举大容量数字兆欧表(如:短路电流>3 m A)。0、6/1kV 电缆测量电压 1000V。0、6/1kV 以上电缆测量电压25 00 V。6/6kV 以上电缆也可用5 000V,对1 10k V及以上电缆而言,使用 5000V 或 1 00 0 0V 得电动兆欧表,电动兆欧表最好带自放电功能。每次换接线时带绝缘手套,每相试验结束后应充分接地放电。1、3试验周期交接试验新作终端或接头后1、4 注意问题兆欧表“L”端引线与“E”端引线应具有可靠得绝缘。测量前后均应对电缆充分放电,时间约 2-3 分钟。若用手摇式兆欧表,未断开高压引线前,不得停止摇动手柄。电缆不接试验设备得另一端应派人瞧守,不准人靠近与接触。假如电缆接头表面泄漏电流较大,可采纳屏蔽措施,屏蔽线接于兆欧表“G”端。1、5 主绝缘绝缘电阻值要求交接:耐压试验前后进行,绝缘电阻无明显变化。预试:大于 1 0 00MΩ电缆主绝缘绝缘电阻值参考标准注:表中所列数值均为换算到长度为 1 k m 时得绝缘电阻值。换算公式 R 算=R 测量/L,L 为被测电缆长度。当电缆长度不足 1km 时,不需换算。2、电缆主绝缘耐压试验2、1 耐压试验类型 电缆耐压试验分直流耐压试验与沟通耐压试验。直流耐压试验适用于纸绝缘电缆,橡塑绝缘电力电缆适用于沟通耐压试验。我们常规用得电缆为沟通聚乙烯绝缘电缆(橡塑绝缘电力电缆),所以我们下面只介绍沟通耐压试验。2、2 耐压试验接线图耐压试验接线图2、3 耐压标准对 110kV 及以上电缆而言,推举使用频率为2 0h z~300Hz 谐振耐压试验...

1、当您付费下载文档后,您只拥有了使用权限,并不意味着购买了版权,文档只能用于自身使用,不得用于其他商业用途(如 [转卖]进行直接盈利或[编辑后售卖]进行间接盈利)。
2、本站所有内容均由合作方或网友上传,本站不对文档的完整性、权威性及其观点立场正确性做任何保证或承诺!文档内容仅供研究参考,付费前请自行鉴别。
3、如文档内容存在违规,或者侵犯商业秘密、侵犯著作权等,请点击“违规举报”。

碎片内容

高压电缆试验及检测方法

范哲铺+ 关注
实名认证
内容提供者

想你所想,急你所急,你需要的都在店铺里可以找到。

确认删除?
VIP
微信客服
  • 扫码咨询
会员Q群
  • 会员专属群点击这里加入QQ群
客服邮箱
回到顶部