电脑桌面
添加小米粒文库到电脑桌面
安装后可以在桌面快捷访问

161扣件式脚手架计算书

161扣件式脚手架计算书_第1页
1/9
161扣件式脚手架计算书_第2页
2/9
161扣件式脚手架计算书_第3页
3/9
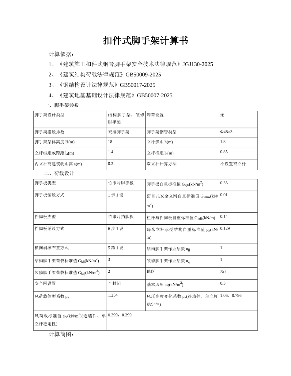
扣件式脚手架计算书 计算依据: 1、《建筑施工扣件式钢管脚手架安全技术法律规范》JGJ130-2025 2、《建筑结构荷载法律规范》GB50009-2025 3、《钢结构设计法律规范》GB50017-2025 4、《建筑地基基础设计法律规范》GB50007-2025 一、脚手架参数脚手架设计类型结构脚手架,装修脚手架卸荷设置无脚手架搭设排数双排脚手架脚手架钢管类型Ф48×3脚手架架体高度 H(m)18立杆步距 h(m)1.8立杆纵距或跨距 la(m)1.4立杆横距 lb(m)0.85内立杆离建筑物距离 a(m)0.2双立杆计算方法不设置双立杆 二、荷载设计脚手板类型竹串片脚手板脚手板自重标准值 Gkjb(kN/m2)0.35脚手板铺设方式1 步 1 设密目式安全立网自重标准值 Gkmw(kN/m2)0.01挡脚板类型竹串片挡脚板栏杆与挡脚板自重标准值 Gkdb(kN/m)0.14挡脚板铺设方式6 步 1 设每米立杆承受结构自重标准值 gk(kN/m)0.129横向斜撑布置方式5 跨 1 设结构脚手架作业层数 njj1结构脚手架荷载标准值 Gkjj(kN/m2)3装修脚手架作业层数 nzj1装修脚手架荷载标准值 Gkzj(kN/m2)2地区浙江安全网设置半封闭基本风压 ω0(kN/m2)0.3风荷载体型系数 μs1.254风压高度变化系数 μz(连墙件、单立杆稳定性)1.06,0.796风荷载标准值 ωk(kN/m2)(连墙件、单立杆稳定性)0.399,0.299 计算简图:立面图侧面图 三、纵向水平杆验算纵、横向水平杆布置方式纵向水平杆在上横向水平杆上纵向水平杆根数 n2横杆抗弯强度设计值[f](N/mm2)205横杆截面惯性矩 I(mm4)115000横杆弹性模量 E(N/mm2)206000横杆截面抵抗矩 W(mm3)4790纵、横向水平杆布置 承载能力极限状态 q=1.2×(0.036+Gkjb×lb/(n+1))+1.4×Gk×lb/(n+1)=1.2×(0.036+0.35×0.85/(2+1))+1.4×3×085/(2+1)=1.352kN/m 正常使用极限状态 q'=(0.036+Gkjb×lb/(n+1))+Gk×lb/(n+1)=(0.036+0.35×0.85/(2+1))+3×0.85/(2+1)=0.985kN/m 计算简图如下: 1、抗弯验算 Mmax=0.1qla2=0.1×1.352×1.42=0.265kN·m σ=Mmax/W=0.265×106/4790=55.325N/mm2≤[f]=205N/mm2 满足要求! 2、挠度验算 νmax=0.677q'la4/(100EI)=0.677×0.985×14004/(100×206000×115000)=1.081mm νmax=1.081mm≤[ν]=min[la/150,10]=min[1400/150,10]=9.333mm 满足要求! 3、支座反力计算 承载能力极限状态 Rmax=1.1qla=1.1×1.352×1.4=2.082kN 正常使用极限状态 Rmax'=1.1q'la=1.1×0.985×1.4=1.517kN 四、横向水平杆验算 承载能力极限状态 由上...

1、当您付费下载文档后,您只拥有了使用权限,并不意味着购买了版权,文档只能用于自身使用,不得用于其他商业用途(如 [转卖]进行直接盈利或[编辑后售卖]进行间接盈利)。
2、本站所有内容均由合作方或网友上传,本站不对文档的完整性、权威性及其观点立场正确性做任何保证或承诺!文档内容仅供研究参考,付费前请自行鉴别。
3、如文档内容存在违规,或者侵犯商业秘密、侵犯著作权等,请点击“违规举报”。

碎片内容

161扣件式脚手架计算书

MY shop+ 关注
实名认证
内容提供者

欢迎挑选适合自己的材料。

相关文档

确认删除?
VIP
微信客服
  • 扫码咨询
会员Q群
  • 会员专属群点击这里加入QQ群
客服邮箱
回到顶部