电脑桌面
添加小米粒文库到电脑桌面
安装后可以在桌面快捷访问

21米梯形钢屋架设计书

21米梯形钢屋架设计书_第1页
1/13
21米梯形钢屋架设计书_第2页
2/13
21米梯形钢屋架设计书_第3页
3/13
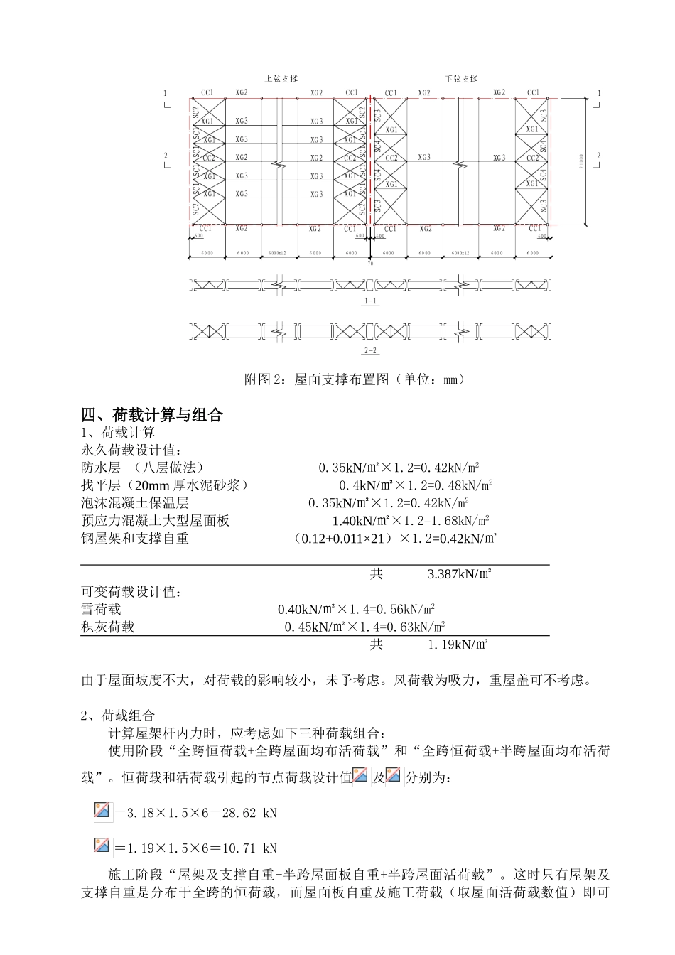
一、设计资料 某地区一单跨物资仓库,长 96 米,跨度为 21 米,钢筋混泥土柱(400×400),柱距6 米,混凝土标号为 C30,采纳无檩屋盖体系,梯形钢屋架。屋面檐口离地面高度 13.5 米,设计温度高于-20℃。屋面坡度 i=1:10,采纳 1.5m×6.0m 预应力混凝土大型屋面板,标准值为 1.4kN/m2;20 厚 水 泥 砂 浆 找 平 层 , 标 准 值 为 0.4kN/m2 ; 泡 沫 混 凝 土 保 温 隔 热 层 , 标 准 值 为0.3kN/m2;八层做法卷材屋面防水层,标准值为 0.35kN/m2 。屋面积灰荷载 0.45kN/m2,雪荷载为 0.40kN/m2,风荷载为 0.5kN/m2。屋架铰支在钢筋混凝土柱上,上柱截面为400mm×400mm。其他资料参照相关标准规定。 根据天津地区的计算温度和荷载性质及连接方法,钢材选用 Q235-B。焊条采纳 E43型,手工焊。二、屋架形式及尺寸无檩屋盖,i=1/10,采纳平坡梯形屋架。屋架计算跨度为 L0=L-300=20700mm,端部高度取 H0=1990mm,中部高度取 H=H0+1/2iL=1990+0.1×2100/2=3040mm,屋架杆件几何长度见附图 1 所示,屋架跨中起拱 42mm(按 L/500 考虑)。 为使屋架上弦承受节点荷载,配合屋面板 1.5m 的宽度,腹杆体系大部分采纳下弦间长为 3.0m 的人字式,仅在跨中考虑到腹杆的适宜倾角,采纳再分式。屋架杆件几何长度(单位:mm)三、屋盖支撑布置根据车间长度、屋架跨度和荷载情况,设置四道上、下弦横向水平支撑。因柱网采纳封闭结合,为统一支撑规格,厂房两端的横向水平支撑设在第二柱间。在第一柱间的上弦平面设置刚性系杆保证安装时上弦杆的稳定,第一柱间下弦平面也设置刚性系杆以传递山墙风荷载。在设置横向水平支撑的柱间,于屋架跨中和两端共设四道垂直支撑。在屋脊节点及支座节点处沿厂房纵向设置通长的刚性系杆,下弦跨中节点处设置一道纵向通长的柔性系杆,支撑布置见附图 2。附图 2:屋面支撑布置图(单位:mm)四、荷载计算与组合1、荷载计算永久荷载设计值:防水层 (八层做法) 0.35kN/㎡×1.2=0.42kN/m2找平层(20mm 厚水泥砂浆) 0.4kN/㎡×1.2=0.48kN/m2泡沫混凝土保温层 0.35kN/㎡×1.2=0.42kN/m2预应力混凝土大型屋面板 1.40kN/㎡×1.2=1.68kN/m2钢屋架和支撑自重 (0.12+0.011×21)×1.2=0.42kN/㎡ 共 3.387kN/㎡可变荷载设计值:雪荷载 0.40kN/㎡×1.4=0.56kN/m2积灰荷载 0.45kN/㎡×1.4=0.63kN/m2 共 1.19kN/㎡由于屋面坡度不大,对荷载的影响较小...

1、当您付费下载文档后,您只拥有了使用权限,并不意味着购买了版权,文档只能用于自身使用,不得用于其他商业用途(如 [转卖]进行直接盈利或[编辑后售卖]进行间接盈利)。
2、本站所有内容均由合作方或网友上传,本站不对文档的完整性、权威性及其观点立场正确性做任何保证或承诺!文档内容仅供研究参考,付费前请自行鉴别。
3、如文档内容存在违规,或者侵犯商业秘密、侵犯著作权等,请点击“违规举报”。

碎片内容

21米梯形钢屋架设计书

您可能关注的文档

确认删除?
VIP
微信客服
  • 扫码咨询
会员Q群
  • 会员专属群点击这里加入QQ群
客服邮箱
回到顶部