电脑桌面
添加小米粒文库到电脑桌面
安装后可以在桌面快捷访问

7305平米七层砖混学生公寓计算书

7305平米七层砖混学生公寓计算书_第1页
1/19
7305平米七层砖混学生公寓计算书_第2页
2/19
7305平米七层砖混学生公寓计算书_第3页
3/19
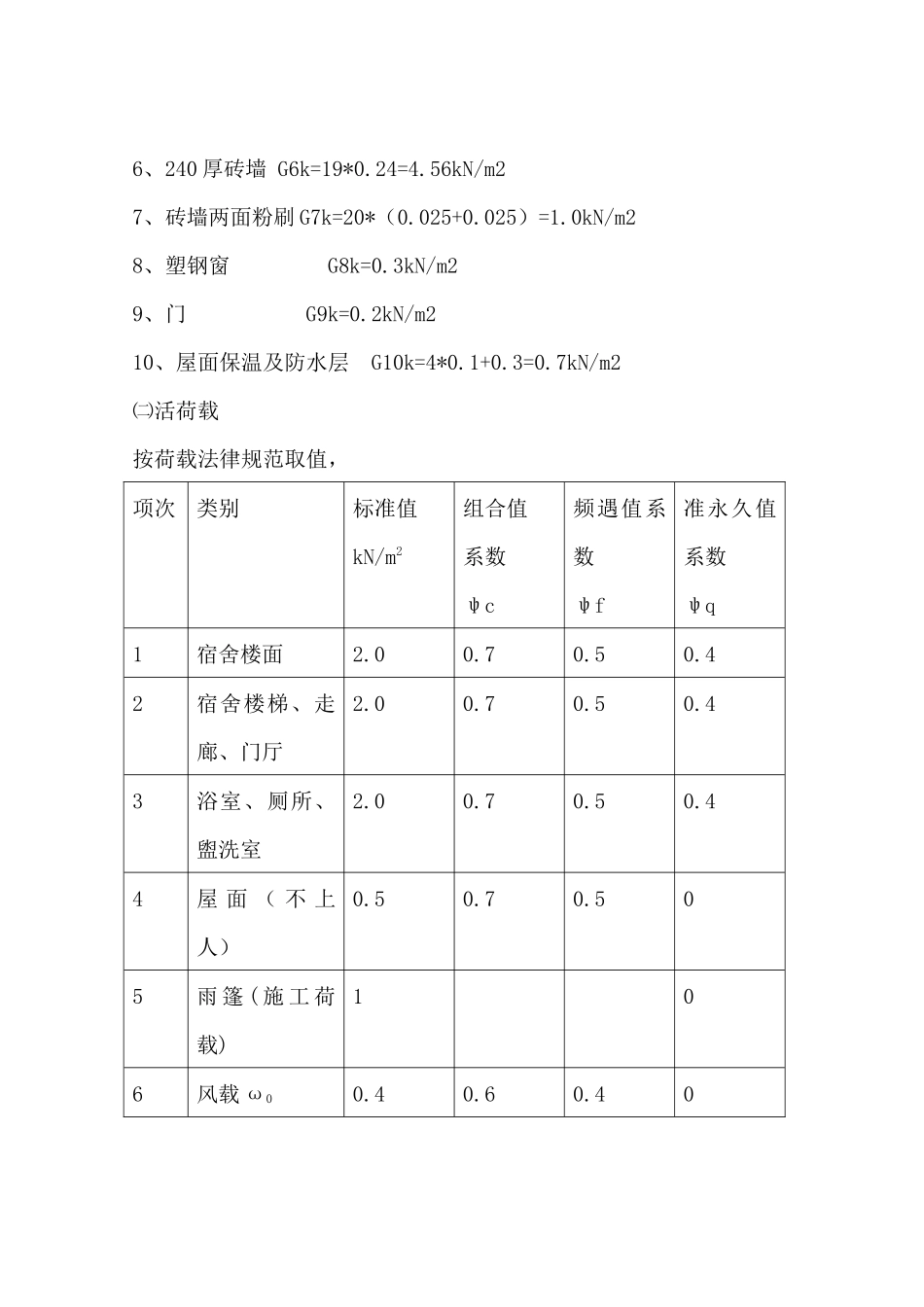
学生宿舍 结构设计计算书一、工程概况1、工程项目:西南工学院 学生公寓。该工程位于绵阳市西南工学院,拟建成七层学生公寓2、气象条件气温:年均气温 20 度,最高气温 38 度,最低气温 0 度。雨量:年降雨量 800mm,最大雨量 110mm/日。风向:西北风为主导风向,风压:0.40KN/m23、楼面活载民用建筑楼面活载按《建筑结构荷载法律规范》取值4、风载基本风压 W0按荷载法律规范附图(全国基本风压分布图)取值风载体形系数、风压高度变化系数按荷载法律规范取值5、地震荷载手算采纳底部剪力法计算水平地震荷载电算由程序采纳振型分解反应谱法自动计算6、工程地质条件该场地地形平整,无滑坡,无液化土层等不良地质现象,地基承载力fk=200KPa7、参考资料:① 建筑结构荷载法律规范 GB50009-2001② 砌体结构设计法律规范 GB50003-2001③ 混凝土结构设计法律规范 GB50010-2025④ 建筑地基基础设计法律规范 GB50007-2025⑤ 建筑抗震设计法律规范 GB50011-2025⑥ 建筑结构制图标准 GB/50104-2001⑦ 预应力混凝土圆孔板图集 98 浙 G 1 图集⑧ 钢筋混凝土雨篷图集 97 浙 G 8 图集二、设计依据和条件1、按建筑使用功能要求2、建筑设计图纸3、有关设计法律规范、规程4、该建筑属丙类建筑,安全等级为二级5、该建筑场地位于 6 度地震区,Ⅱ类场地土,地下水位很低,设计时不考虑地下水的影响6、可保证供应各种规格的钢筋、钢材及 C10~C40级混凝土用作建筑材料三、荷载计算㈠恒荷载1、多孔板,按图集 98 浙 G1 的规定,取 G1k=3.1kN/m2(含水泥地面和板底抹灰做法的重量)2、楼板(现浇板)G2k=25*0.11=2.75kN/m23、板底抹灰 15mm,G3k=20*0.015=0.3kN/m24、地面荷载(水泥砂浆地面)5、地砖地面,G5k=0.6kN/m26、240 厚砖墙 G6k=19*0.24=4.56kN/m27、砖墙两面粉刷 G7k=20*(0.025+0.025)=1.0kN/m28、塑钢窗 G8k=0.3kN/m29、门 G9k=0.2kN/m210、屋面保温及防水层 G10k=4*0.1+0.3=0.7kN/m2㈡活荷载按荷载法律规范取值,项次类别标准值kN/m2组合值系数ψc频遇值系数ψf准永久值系数ψq1宿舍楼面2.00.70.50.42宿舍楼梯、走廊、门厅2.00.70.50.43浴室、厕所、盥洗室2.00.70.50.44屋 面 ( 不 上人)0.50.70.505雨 篷 ( 施 工 荷载)106风载 ω00.40.60.40四、静力计算方案本工程采纳砌体结构,横墙承重,横墙间距 s=3 米,远小于 32 米,所以房屋的静力计算方案采纳刚性方案。五、楼板计算1、多孔板部...

1、当您付费下载文档后,您只拥有了使用权限,并不意味着购买了版权,文档只能用于自身使用,不得用于其他商业用途(如 [转卖]进行直接盈利或[编辑后售卖]进行间接盈利)。
2、本站所有内容均由合作方或网友上传,本站不对文档的完整性、权威性及其观点立场正确性做任何保证或承诺!文档内容仅供研究参考,付费前请自行鉴别。
3、如文档内容存在违规,或者侵犯商业秘密、侵犯著作权等,请点击“违规举报”。

碎片内容

7305平米七层砖混学生公寓计算书

一二三四传媒+ 关注
实名认证
内容提供者

大量资料供您选择,没有合适的可以联系小二。

确认删除?
VIP
微信客服
  • 扫码咨询
会员Q群
  • 会员专属群点击这里加入QQ群
客服邮箱
回到顶部