电脑桌面
添加小米粒文库到电脑桌面
安装后可以在桌面快捷访问

QC成果-矩形灌注桩导向槽研制

QC成果-矩形灌注桩导向槽研制_第1页
1/9
QC成果-矩形灌注桩导向槽研制_第2页
2/9
QC成果-矩形灌注桩导向槽研制_第3页
3/9
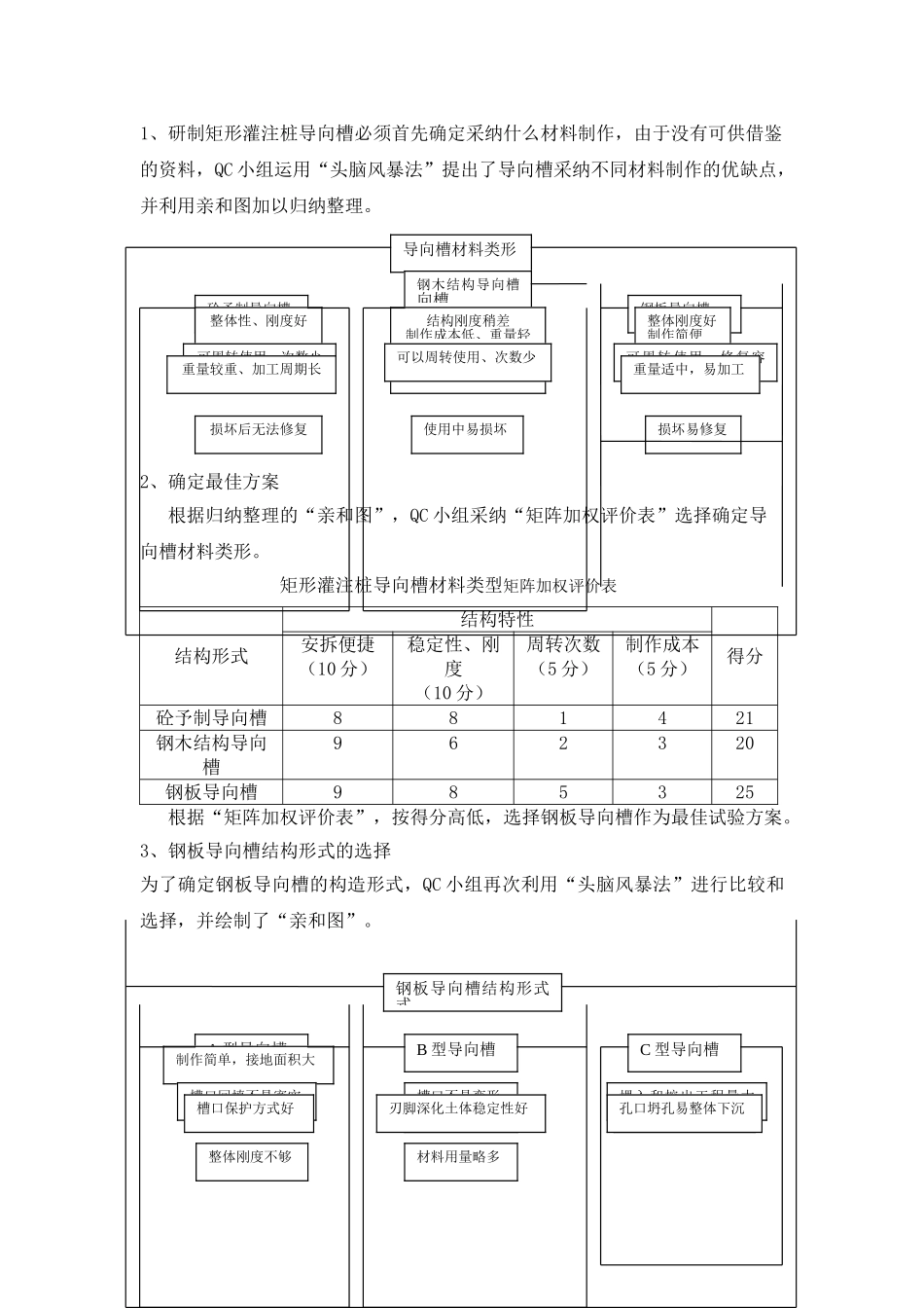
矩形灌注桩钢板导向槽研制一、小组简介QC 小组概况表活动概况小组名称永嘉楠溪江供水工程枢纽工程 QC 小组小组成立时间2025.1小组类型创新型小组活动时间2025.01-2025.05接受 TQC教育时间平均 16 小时活动周期150小组成员情况序号姓名组内职务行政职务年龄文化程度职称1 邹春江组长项目总工50大专工程师2张尊阳组员施工技术组长38大专工程师3张永进组员质检员36大专助工4戴顺光组员施工员24高中技术员5陈丐新组员金工班长31高中/6张海峰组员施工员32高中/7黄金锡组员成槽机司机27高中/8杨刘定组员施工员26中专技术员9裴 高组员资料员27中专技术员活动方式:1、根据不同活动阶段进行;2、坚持在现场解决问题。二、导向槽简介 导向槽是设置在矩形混凝土灌注桩孔口,用以标定孔位,控制造孔方向,锁固孔口,支撑上部孔壁,防止孔口坍塌和阻止废浆脏水流入孔内,同时作为灌注桩混凝土浇筑平台。常用的导向槽制作材料有混凝土、砖混结构、条石等。三、选题理由1、问题的提出灌注桩采纳 2.8m*0.8m 矩形断面,利用液压成槽机抓挖成孔工艺在国内应用较少,在浙江省内尚属首次。在本工程Ⅰ期施工中借鉴混凝土防渗墙导墙,导向槽采纳现浇混凝土结构。混凝土导向槽坚固耐用,但制作时间长、成本高,无法快速安装周转使用,造成成槽机设备利用率降低,影响了灌注桩施工产量。2、混凝土导向槽的调查分析QC 小组对Ⅰ期工程已经完成的 88 根混凝土灌注桩导向槽的施工情况进行了调查分析。混凝土导向槽施工工艺如下:基础开挖→槽体模板制作安装→浇筑混凝土→拆除模板→导向槽回填→造孔→凿除导向槽Ⅰ 期工程矩形灌注桩混凝土导向槽调查表调查项目内 容一、制作工序设备和材料施工人数消耗工时/台班1、导向槽基础开挖挖掘机2 人1/0.052、导向槽立模、加固模板、木挡2 人163、导向槽混凝土浇筑C15 混凝土、混凝土罐车5 人5/0.14、模板拆除2 人45、导向槽回填挖掘机2 人1/0.056、导向槽混凝土拆除风镐28/0.57、废渣外运挖机配合自缷车33/0.058、合 计14 人38/0.75二、导向槽施工周期8 天三、月平均施工灌注桩根数25 根四、导向槽周转次数不能周转3、确定课题研制一种可以快速安装、反复循环使用,从而达到缩短Ⅱ期工程灌注桩施工工期,降低成本,减少环境污染,实施低碳经济的目的。QC 小组将本次课题活动确定为:矩形灌注桩导向槽研制三、设定目标研制可周转使用、安拆方便的工具式导向槽,提高成槽机设备利用率,降低施工成本。四、提...

1、当您付费下载文档后,您只拥有了使用权限,并不意味着购买了版权,文档只能用于自身使用,不得用于其他商业用途(如 [转卖]进行直接盈利或[编辑后售卖]进行间接盈利)。
2、本站所有内容均由合作方或网友上传,本站不对文档的完整性、权威性及其观点立场正确性做任何保证或承诺!文档内容仅供研究参考,付费前请自行鉴别。
3、如文档内容存在违规,或者侵犯商业秘密、侵犯著作权等,请点击“违规举报”。

碎片内容

QC成果-矩形灌注桩导向槽研制

您可能关注的文档

确认删除?
VIP
微信客服
  • 扫码咨询
会员Q群
  • 会员专属群点击这里加入QQ群
客服邮箱
回到顶部