电脑桌面
添加小米粒文库到电脑桌面
安装后可以在桌面快捷访问

公司住宅建筑结构统一技术措施

公司住宅建筑结构统一技术措施_第1页
1/20
公司住宅建筑结构统一技术措施_第2页
2/20
公司住宅建筑结构统一技术措施_第3页
3/20
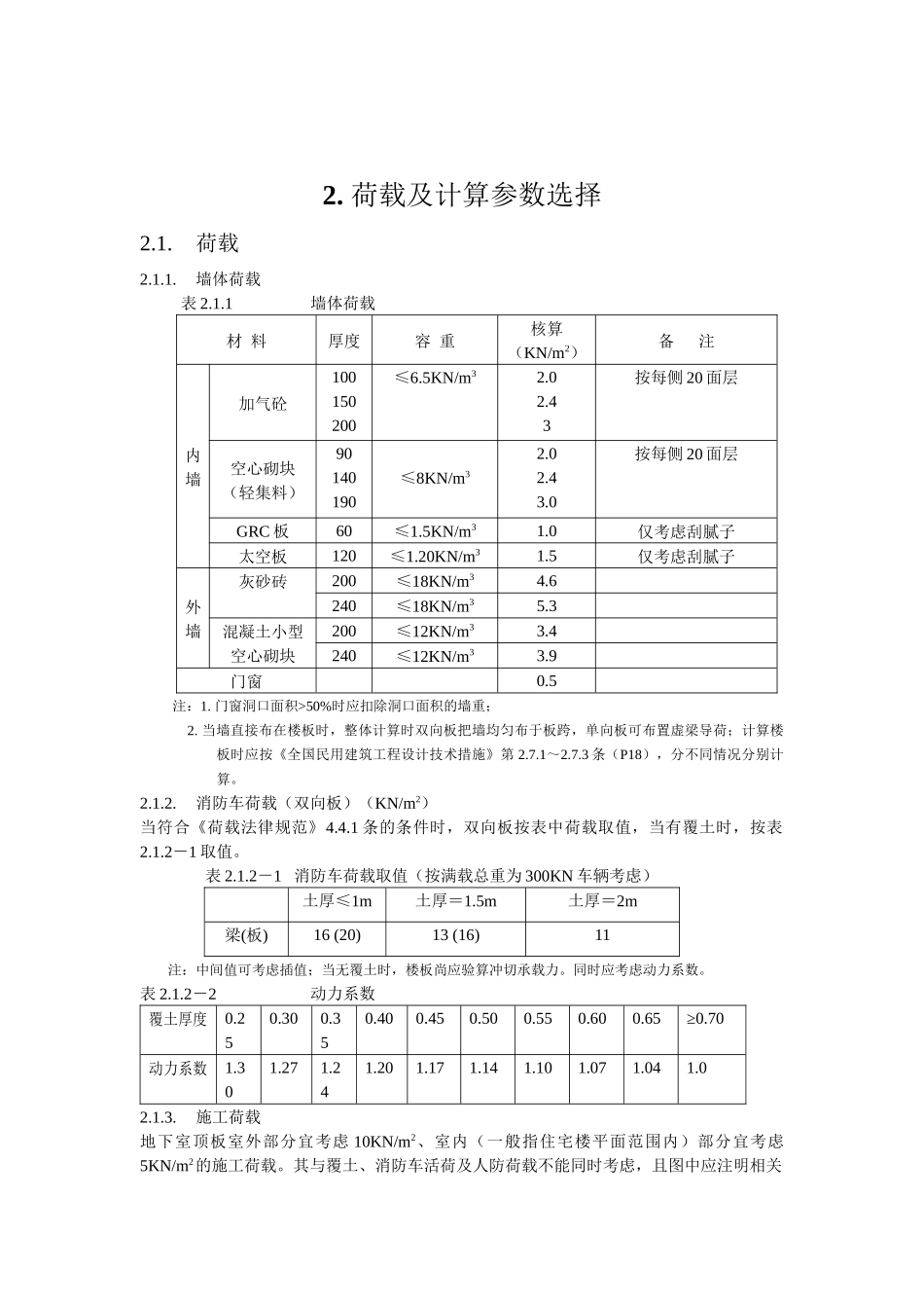
目录1. 编制说明…………………………………………22. 荷载及计算参数选择……………………………33. 基础及地下室……………………………………64. 墙柱设计…………………………………………85. 梁、板及节点设计………………………………116. 人防设计…………………………………………147. 异型柱结构设计要点……………………………158. 多层砌体房屋和底部框架结构房屋设计要点…171. 编制说明1.1. 编制依据本统一技术措施是以现行国家、地方、行业等法律规范、规程及有关政策、法规为依据(此不赘述),在执行这些法律规范、规程过程中,以主要法律规范、规程如《建筑结构荷载法律规范》 GB50009—2001 )、《混凝土结构设计法律规范》( GB50010—2025)、《建筑抗震设计法律规范》(GB50011—2001)、《高层建筑混凝土结构技术规程》(JGJ3—2025)等为主,对其它法律规范、规程与上述主要法律规范、规程相矛盾或不一致处,以本技术措施或工程经验为依据进行设计。1.2. 结构统一技术措施适用范围本统一技术措施适用于抗震设防烈度为 6 度、7 度、8 度地区的高层、小高层及多层住宅建筑。结构体系包括框支剪力墙(包括短肢剪力墙)结构、剪力墙(包括短肢剪力墙)结构、框架(包括异型柱)结构、砌体及底部框架结构。1.3. 执行本统一技术措施时应注意的事项在执行本统一技术措施时,应注意如下几点:(a)本统一技术措施是华森公司对住宅建筑结构设计的统一标准,目的在于统一公司设计技术措施、提高设计质量、确保结构安全、设计合理、控制结构造价、体现“华森出品”。因此,在工程设计过程中,本技术措施及法律规范、规程中有明确规定的应贯彻执行,不得随意更改;(b)在执行本统一措施时,应考虑住宅所在地区政策、法规要求,当地习惯作法及审图公司意见等,灵活掌握。但对和本统一措施不一致或相矛盾之处,专业负责人应征得审核、审定人员的同意并报结构技术小组讨论、备案;以便今后在修改该技术措施时参考。(c)对个别具体工程设计中有和本措施不一致或模糊不清的问题,应经过公司结构技术小组讨论确定,备案;以便在今后本措施修改时参考;(d)各分支机构发现本措施和当地有关要求不同时,应及时向公司结构技术小组回报并备案;(e)结构技术小组将根据情况,不定期的对本措施进行修改、细化,并对上述备案各问题进行讨论后写入本措施。2. 荷载及计算参数选择2.1.荷载2.1.1.墙体荷载 表 2.1.1 墙体荷载材 料厚度...

1、当您付费下载文档后,您只拥有了使用权限,并不意味着购买了版权,文档只能用于自身使用,不得用于其他商业用途(如 [转卖]进行直接盈利或[编辑后售卖]进行间接盈利)。
2、本站所有内容均由合作方或网友上传,本站不对文档的完整性、权威性及其观点立场正确性做任何保证或承诺!文档内容仅供研究参考,付费前请自行鉴别。
3、如文档内容存在违规,或者侵犯商业秘密、侵犯著作权等,请点击“违规举报”。

碎片内容

公司住宅建筑结构统一技术措施

人从众+ 关注
实名认证
内容提供者

欢迎光临小店,本店以公文和教育为主,希望符合您的需求。

确认删除?
VIP
微信客服
  • 扫码咨询
会员Q群
  • 会员专属群点击这里加入QQ群
客服邮箱
回到顶部