电脑桌面
添加小米粒文库到电脑桌面
安装后可以在桌面快捷访问

农业综合开发项目浆砌石评定表

农业综合开发项目浆砌石评定表_第1页
1/16
农业综合开发项目浆砌石评定表_第2页
2/16
农业综合开发项目浆砌石评定表_第3页
3/16
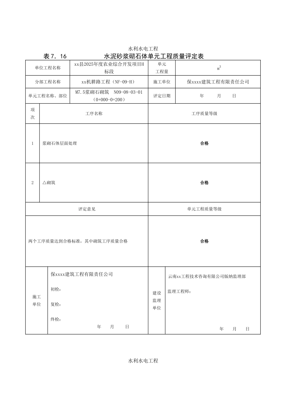
水利水电工程表 7.16 水泥砂浆砌石体单元工程质量评定表单位工程名称xx县2025年度农业综合开发项目H标段单元工程量 m3分部工程名称xx机耕路工程(NF-09-H)施工单位保xxxx建筑工程有限责任公司单元工程名称、部位M7.5浆砌石砌筑 N09-08-03-01 (0+000-0+200)评定日期年 月 日项次工序名称工序质量等级1浆砌石体层面处理合格2△砌筑合格评定意见单元工程质量等级两个工序质量达到合格标准,其中砌筑工序质量合格合格施工单位保xxxx建筑工程有限责任公司初检:复检:终检: 年 月 日建设监理单位云南xx工程技术咨询有限公司版纳监理部监理工程师: 年 月 日 水利水电工程表 7.16—1 水泥砂浆砌石体浆砌石体层面处理工序质量评定表单位工程名称xx县2025年度农业综合开发项目H标段单元工程量 m3分部工程名称xx机耕路工程(NF-09-H)施工单位保xxxx建筑工程有限责任公司单元工程名称、部位M7.5浆砌石砌筑 N09-08-03-01 (0+000-0+200)评定日期年 月 日项次保证项目质量标准检验记录1前一层砌体表面符合设计与《规定》要求,无松动石块符合设计规定,砌筑前检查无松动石块项次基本项目质量标准检验记录质量等级合格优良合格优良1前一层砌体表面浮渣基本清除洁净,无积水和积渣浮渣全部清除洁净,无积水和积渣前一层砌体表面检查,浮渣基本清除洁净,无积水和积渣√2局 部 光 滑的 砂 浆 表面凿毛面大于等于80%凿毛面大于等于95%对局部光滑的砂浆表面,砌筑前凿毛,凿毛面积为80%√评定意见工序质量等级保证项目符合设计规定质量标准,基本项目全部符合质量标准,其中0项优良合格施工单位保xxxx建筑工程有限责任公司初检:复检:终检: 年 月 日建设监理单位云南xx工程技术咨询有限公司版纳监理部监理工程师: 年 月 日水利水电工程表 7.16—2 水泥砂浆砌石体砌筑工序质量评定表单位工程名称xx县2025年度农业综合开发项目H标段单元工程量 m3分部工程名称xx机耕路工程(NF-09-H)施工单位保xxxx建筑工程有限责任公司单元工程名称、部位 M7.5浆砌石砌筑 N09-08-03-01 (0+000-0+200)评定日期年 月 日项次保证项目质量标准检验记录l水泥砂浆的标号、配合比符合设汁要求和法律规范规定(砂浆设计标号M7.5)基本达到设计要求2石料规格符合法律规范要求;砌筑时石块表面清洁湿润SDl20—84《浆砌石坝施工技术规定》规格符合法律规范要求,砌石表面基本清洁洁净湿润3铺浆均匀,无裸露石块水泥砂浆铺筑基本均匀,...

1、当您付费下载文档后,您只拥有了使用权限,并不意味着购买了版权,文档只能用于自身使用,不得用于其他商业用途(如 [转卖]进行直接盈利或[编辑后售卖]进行间接盈利)。
2、本站所有内容均由合作方或网友上传,本站不对文档的完整性、权威性及其观点立场正确性做任何保证或承诺!文档内容仅供研究参考,付费前请自行鉴别。
3、如文档内容存在违规,或者侵犯商业秘密、侵犯著作权等,请点击“违规举报”。

碎片内容

农业综合开发项目浆砌石评定表

确认删除?
VIP
微信客服
  • 扫码咨询
会员Q群
  • 会员专属群点击这里加入QQ群
客服邮箱
回到顶部