电脑桌面
添加小米粒文库到电脑桌面
安装后可以在桌面快捷访问

北京某综合办公楼干挂大理石施工方案

北京某综合办公楼干挂大理石施工方案_第1页
1/11
北京某综合办公楼干挂大理石施工方案_第2页
2/11
北京某综合办公楼干挂大理石施工方案_第3页
3/11
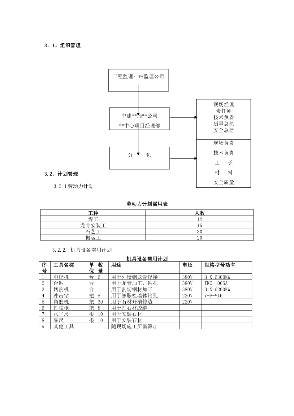
目 录一、 编制依据.............................................................2二、 工程概况.............................................................22.1、工程概况.............................................................22.2、干挂石材概况.........................................................2三、 项目施工组织管理机构....................................................23.1、组织管理............................................................33.2、计划管理.............................................................3四、 施工准备.................................................................44.1.技术准备.............................................................44.3.劳动力准备...........................................................44.4.施工机械准备.........................................................44.5.材料准备.............................................................44.6. 脚手架准备:........................................................5五、施工工艺及注意事项........................................................55.1.施工工艺流程.........................................................55.2.准备工作.............................................................55.3、基层处理.............................................................65.4、弹水平龙骨控制线.....................................................75.5、安装锚固件:.........................................................75.6、安装龙骨.............................................................75.7、石材安装:...........................................................85.8、表面清理、成品保护、验收.............................................8六、工程质量保证措施..........................................................96.1.工程质量保证目标.....................................................96.2.质量保证体系.........................................................96.3.质量保证措施.........................................................96.4.质量基本标准.......

1、当您付费下载文档后,您只拥有了使用权限,并不意味着购买了版权,文档只能用于自身使用,不得用于其他商业用途(如 [转卖]进行直接盈利或[编辑后售卖]进行间接盈利)。
2、本站所有内容均由合作方或网友上传,本站不对文档的完整性、权威性及其观点立场正确性做任何保证或承诺!文档内容仅供研究参考,付费前请自行鉴别。
3、如文档内容存在违规,或者侵犯商业秘密、侵犯著作权等,请点击“违规举报”。

碎片内容

北京某综合办公楼干挂大理石施工方案

确认删除?
VIP
微信客服
  • 扫码咨询
会员Q群
  • 会员专属群点击这里加入QQ群
客服邮箱
回到顶部