电脑桌面
添加小米粒文库到电脑桌面
安装后可以在桌面快捷访问

南通华新建工提高轻质砂浆内外组合保温面砖施工质量

南通华新建工提高轻质砂浆内外组合保温面砖施工质量_第1页
1/10
南通华新建工提高轻质砂浆内外组合保温面砖施工质量_第2页
2/10
南通华新建工提高轻质砂浆内外组合保温面砖施工质量_第3页
3/10
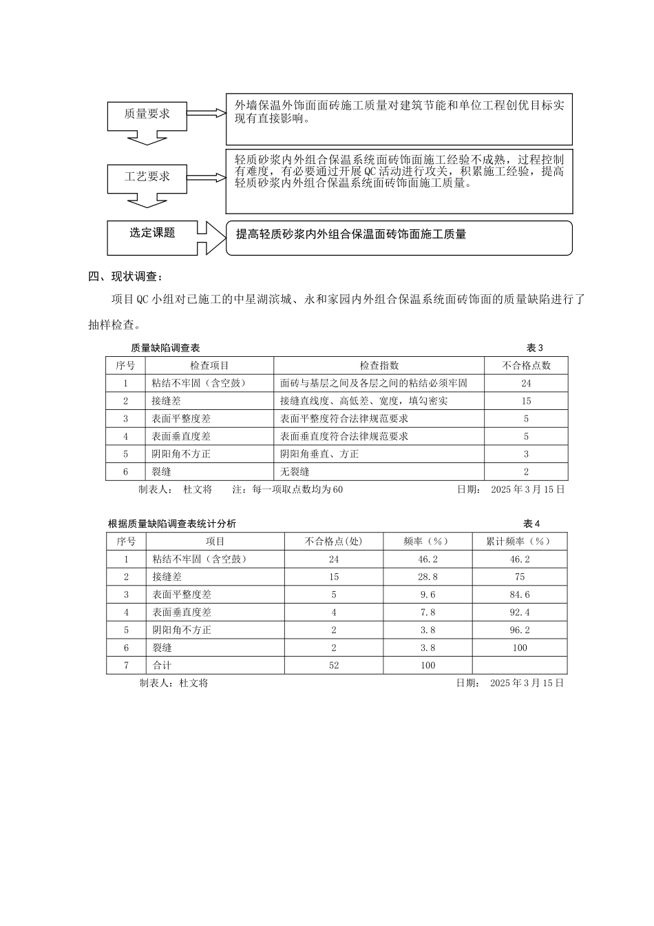
提高轻质砂浆内外组合保温面砖饰面施工质量南通华新建工集团有限公司第一工程公司 QC 小组一、工程概况工程位于上海市徐汇区中山西路 1698 号,地下 1 层,地上 18 层,建筑面积为 10000m2,建筑物高度 65m,外墙保温采纳 25+20mm 厚轻质砂浆内外组合保温系统,外饰面为幕墙、面砖,面砖饰面部位:楼梯间外墙及裙楼 1-3 层,施工面积 3500m2,面砖横贴,水平缝 6mm、竖向不留缝。二、小组简介:1、小组概况 表 1小组名称南通华新建工集团有限公司第一工程公司 QC 小组成立时间2025 年 3 月类 型现场型注册时间2025 年 3 月 1 日注册编号NTHX2025-06活动时间2025 年 3 月 1 日-2025 年 8 月 20 日年检编号NTHX2025-01小组人数6平均年龄39课题名称提高轻质砂浆内外组合保温面砖饰面施工质量活动次数每周一次出勤率95%序号姓名性别年龄学历职称职务小组职务1钱忠勤男47大学讨论员总工程师组长 组织策划2魏劲松男40大学高级工程师项目经理副组长 组织协调3鲍先伟男57大专工程师工程师组员 方案编制4陆仁奎男47中专工程师施工员组员 现场落实5杜文将男27大学工程师质检员组员 现场数据统计6姚 军男30中专助理工程师试验员组员 试验、资料制表:杜文将 日期:2025 年 3 月 10 日 2、QC 小组活动计划 表 2序号项目对象形式时间1选择课题外保温面砖施工质量市场调查、技术讨论2025.3.1-2025.3.102现状调查已建项目现场调查、核查资料2025.3.11-2025.3.153设定目标外保温面砖饰面施工存在的质量问题创优及目标值2025.3.16-2025.3.204分析原因主要问题集中讨论、分析2025.3.21-2025.4.105要因确认末端因素调查核实、分析验证2025.4.11-2025.4.156制定对策要因、现状讨论、讨论2025.4.16-2025.4.257对策实施外保温面砖饰面分别落实措施2025.4.26-2025.6.308效果检查外保温面砖饰面现场实物检查2025.7.1-2025.7.109制定巩固措施轻质砂浆内外组合保温面砖饰面形成标准、工法2025.7.11-2025.8.1510总结及下步打算轻质砂浆内外组合保温面砖饰面需要进一步改进的方面 2025.8.16-2025.8.20调查:鲍先伟 魏劲松 制表:杜文将 日期:2025 年 3 月 10 日三、选择课题:建筑节能外墙保温面砖饰面施工高度限制在 40m 以下,而本工程外墙外保温面砖饰面施工高度为 65m;既要保证建筑节能要求又要保证节能表面装饰效果,是对建筑节能提出的新课题。四、现状调查:项目 QC 小组对已施工的中星湖滨城、...

1、当您付费下载文档后,您只拥有了使用权限,并不意味着购买了版权,文档只能用于自身使用,不得用于其他商业用途(如 [转卖]进行直接盈利或[编辑后售卖]进行间接盈利)。
2、本站所有内容均由合作方或网友上传,本站不对文档的完整性、权威性及其观点立场正确性做任何保证或承诺!文档内容仅供研究参考,付费前请自行鉴别。
3、如文档内容存在违规,或者侵犯商业秘密、侵犯著作权等,请点击“违规举报”。

碎片内容

南通华新建工提高轻质砂浆内外组合保温面砖施工质量

您可能关注的文档

办公文档专营+ 关注
实名认证
内容提供者

大量办公文档,欢迎选择

确认删除?
VIP
微信客服
  • 扫码咨询
会员Q群
  • 会员专属群点击这里加入QQ群
客服邮箱
回到顶部