电脑桌面
添加小米粒文库到电脑桌面
安装后可以在桌面快捷访问

压力管道元件制造许可项目表详细内容

压力管道元件制造许可项目表详细内容_第1页
1/2
压力管道元件制造许可项目表详细内容_第2页
2/2
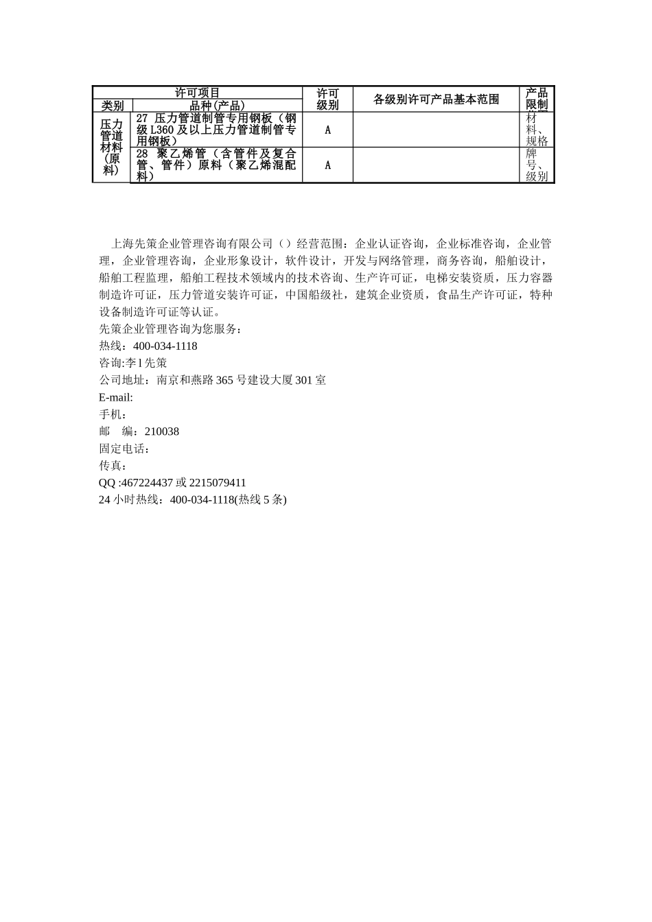
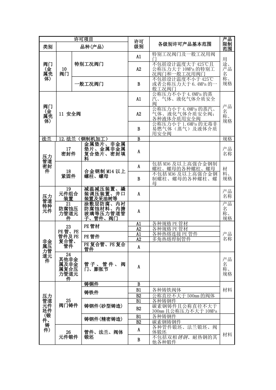
许可项目许可级别各级别许可产品基本范围产品限制范围类别品种(产品)阀门(金属壳体)10阀门特别工况阀门A1特别工况阀门及一般工况用阀门用途、产品名称、规格A2不包括设计温度大于 425℃且公称压力大于 10MPa 的特别工况阀门和一般工况用阀门一般工况阀门B不包括设计温度不小于 425℃或者公称压力大于 6.4MPa 的一般工况阀门 阀门(金属壳体)11 安全阀A1公称压力不小于 4.0MPa 的蒸汽、气体、液化气体介质安全阀产品名称、规格A2公称压力小于 4.0MPa 的蒸汽、气体、液化气体介质安全阀;各种液体介质用安全阀B公称压力小于 1.6MPa 的无毒非易燃气体(蒸气)及液体介质用安全阀法兰12.法兰(钢制机加工)B规格压力管道密封件17密封件金属垫片、非金属垫片、金属非金属复合垫片、密封填料A产品名称18紧固件合金钢制 M14 以上螺柱、螺母A包括 M36 及以上高强合金钢制螺柱、螺母的各种螺柱、螺母材料、规格B不包括 M36 及以上高强合金钢制螺柱、螺母的各种螺柱、螺母压力管道特种元件19元件组合装置减温减压装置、撬装调压装置、井口装置及采油树等A产品名称21防腐蚀压力管道元件涂敷层防腐、内衬防腐蚀材料、内搪玻璃等压力管道管子、管件、阀门A产品名称、规格非金属压力管道元件23PE 管、PE管件及 PE复合管、管件PE 管材A1各种规格 PE 管材产品名称A2各种规格 PE 管材PE 管件A1各种热熔连接 PE 管件A2多角热熔焊制管件PE 复合管、PE 复合管件A24其他非金属及非金属复合压力管道元件管 子 、 管 件 、 阀门、膨胀节A产品名称、规格压力管道元件坯件(锻件、铸件)25阀门铸件铸铜件B材料铸铁件B1各种铸铁阀体B2公称直径不大于 500mm 的阀体铸钢件(砂型铸造)B1各种铸钢件B2碳素钢铸件且公称直径不大于300mm 且公称压力不大于 10MPa铸钢件(精密铸造)B1各种铸钢件B2碳素钢铸钢件26元件锻件管件、法兰、阀体锻坯A各种管件锻坯、法兰锻坯、阀体锻坯材料B不包括双相锈钢、耐热钢的其他各种锻件许可项目许可级别各级别许可产品基本范围产品限制范围类别品种(产品)压力管道材料(原料)27 压力管道制管专用钢板(钢级 L360 及以上压力管道制管专用钢板)A材料、规格28 聚乙烯管(含管件及复合管、管件)原料(聚乙烯混配料)A牌号、级别 上海先策企业管理咨询有限公司()经营范围:企业认证咨询,企业标准咨询,企业管理,企业管理咨询,企业形象设计,软件设计,开发与网络管理,商务咨询,船舶设计,船舶工程监理...

1、当您付费下载文档后,您只拥有了使用权限,并不意味着购买了版权,文档只能用于自身使用,不得用于其他商业用途(如 [转卖]进行直接盈利或[编辑后售卖]进行间接盈利)。
2、本站所有内容均由合作方或网友上传,本站不对文档的完整性、权威性及其观点立场正确性做任何保证或承诺!文档内容仅供研究参考,付费前请自行鉴别。
3、如文档内容存在违规,或者侵犯商业秘密、侵犯著作权等,请点击“违规举报”。

碎片内容

压力管道元件制造许可项目表详细内容

您可能关注的文档

确认删除?
VIP
微信客服
  • 扫码咨询
会员Q群
  • 会员专属群点击这里加入QQ群
客服邮箱
回到顶部