电脑桌面
添加小米粒文库到电脑桌面
安装后可以在桌面快捷访问

排水雨、污检查井隐检表

排水雨、污检查井隐检表_第1页
1/13
排水雨、污检查井隐检表_第2页
2/13
排水雨、污检查井隐检表_第3页
3/13
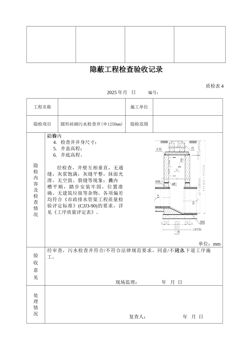
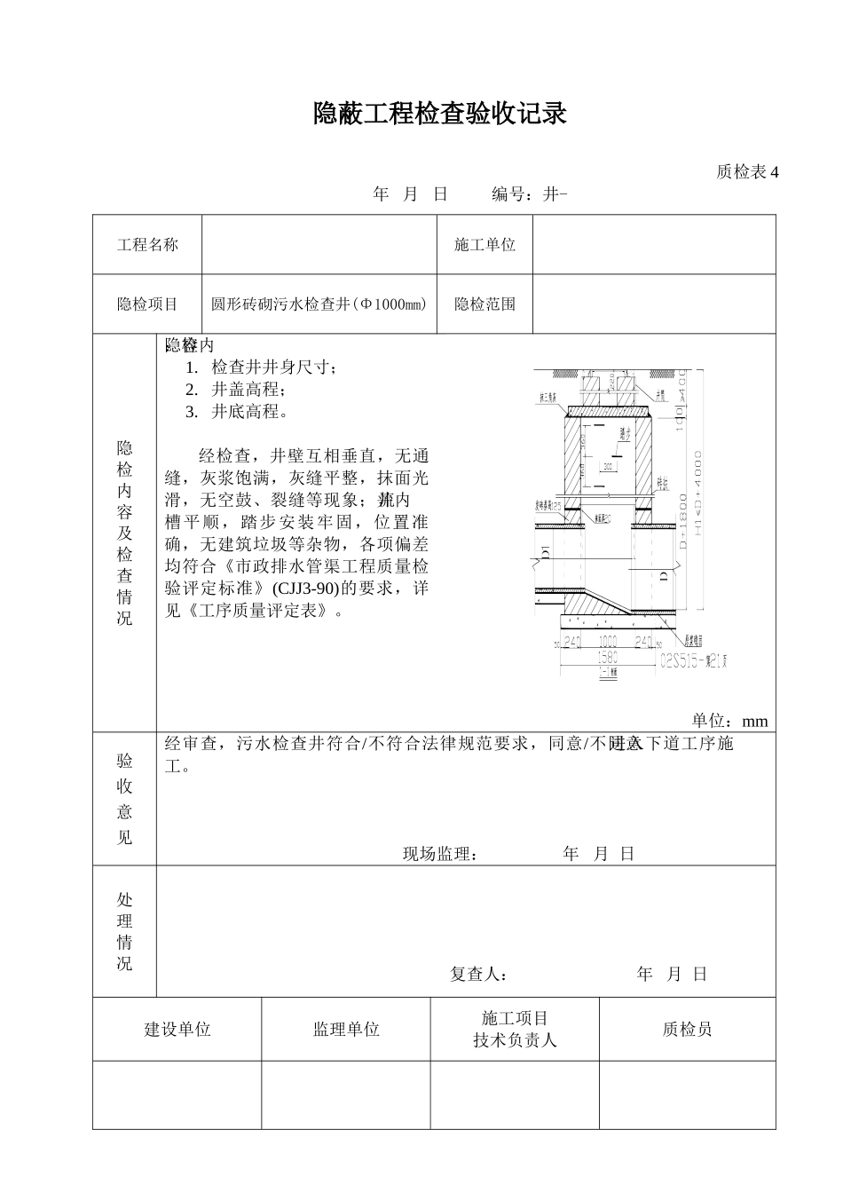
隐蔽工程检查验收记录质检表 4年 月 日 编号:井-工程名称施工单位隐检项目圆形砖砌污水检查井(Φ1000mm)隐检范围隐 检 内 容 及 检 查 情 况隐检内容:1. 检查井井身尺寸;2. 井盖高程;3. 井底高程。经检查,井壁互相垂直,无通缝,灰浆饱满,灰缝平整,抹面光滑,无空鼓、裂缝等现象;井内流槽平顺,踏步安装牢固,位置准确,无建筑垃圾等杂物,各项偏差均符合《市政排水管渠工程质量检验评定标准》(CJJ3-90)的要求,详见《工序质量评定表》。单位:mm验 收 意 见经审查,污水检查井符合/不符合法律规范要求,同意/不同意进入下道工序施工。现场监理: 年 月 日处 理 情 况 复查人: 年 月 日建设单位监理单位施工项目技术负责人质检员隐蔽工程检查验收记录质检表 42025 年 月 日 编号:工程名称施工单位隐检项目圆形砖砌雨污水检查井(Φ1000mm)盖板钢筋制作、绑扎隐检范围隐检内容及检查情况隐检内容:1、骨架的长度;2、受力钢筋间距;3、保护层厚度;4、其它;经检查,钢筋表面干净、无锈皮、油渍、油漆等油污;钢筋平直,调直后表面伤痕及锈蚀没有使截面积减小;钢筋弯曲成形后,表面没有裂纹、鳞落或断裂等现象。钢筋绑扎成型的网片稳定、牢固,在安装及浇注混凝凝土时无松动功变形。所配置钢筋的级别、直径、长度、间距、数量等量测各项内容均符合《市政排水管渠工程质量检验评定标准》(CJJ3-90)的要求,详见工序质量评定表。 单位:mm验 收 意 见经审查,本段检查井盖板钢筋制作、绑扎符合/不符合设计及施工法律规范要求,同意/不同意进入下道工序施工。现场监理: 年 月 日处 理 情 况 复查人: 年 月 日建设单位监理单位施工项目技术负责人质检员隐蔽工程检查验收记录质检表 42025 年月 日 编号:工程名称施工单位隐检项目圆形砖砌污水检查井(Φ1250mm)隐检范围隐 检 内 容 及 检 查 情 况隐检内容:4. 检查井井身尺寸;5. 井盖高程;6. 井底高程。经检查,井壁互相垂直,无通缝,灰浆饱满,灰缝平整,抹面光滑,无空鼓、裂缝等现象;井内流槽平顺,踏步安装牢固,位置准确,无建筑垃圾等杂物,各项偏差均符合《市政排水管渠工程质量检验评定标准》(CJJ3-90)的要求,详见《工序质量评定表》。单位:mm验 收 意 见经审查,污水检查井符合/不符合法律规范要求,同意/不同意进入下道工序施工。现场监理: 年 月 日处 理 情 况 复查人: 年 月 日建设单位监...

1、当您付费下载文档后,您只拥有了使用权限,并不意味着购买了版权,文档只能用于自身使用,不得用于其他商业用途(如 [转卖]进行直接盈利或[编辑后售卖]进行间接盈利)。
2、本站所有内容均由合作方或网友上传,本站不对文档的完整性、权威性及其观点立场正确性做任何保证或承诺!文档内容仅供研究参考,付费前请自行鉴别。
3、如文档内容存在违规,或者侵犯商业秘密、侵犯著作权等,请点击“违规举报”。

碎片内容

排水雨、污检查井隐检表

您可能关注的文档

确认删除?
VIP
微信客服
  • 扫码咨询
会员Q群
  • 会员专属群点击这里加入QQ群
客服邮箱
回到顶部