电脑桌面
添加小米粒文库到电脑桌面
安装后可以在桌面快捷访问

提高卫生间防水合格率

提高卫生间防水合格率_第1页
1/20
提高卫生间防水合格率_第2页
2/20
提高卫生间防水合格率_第3页
3/20
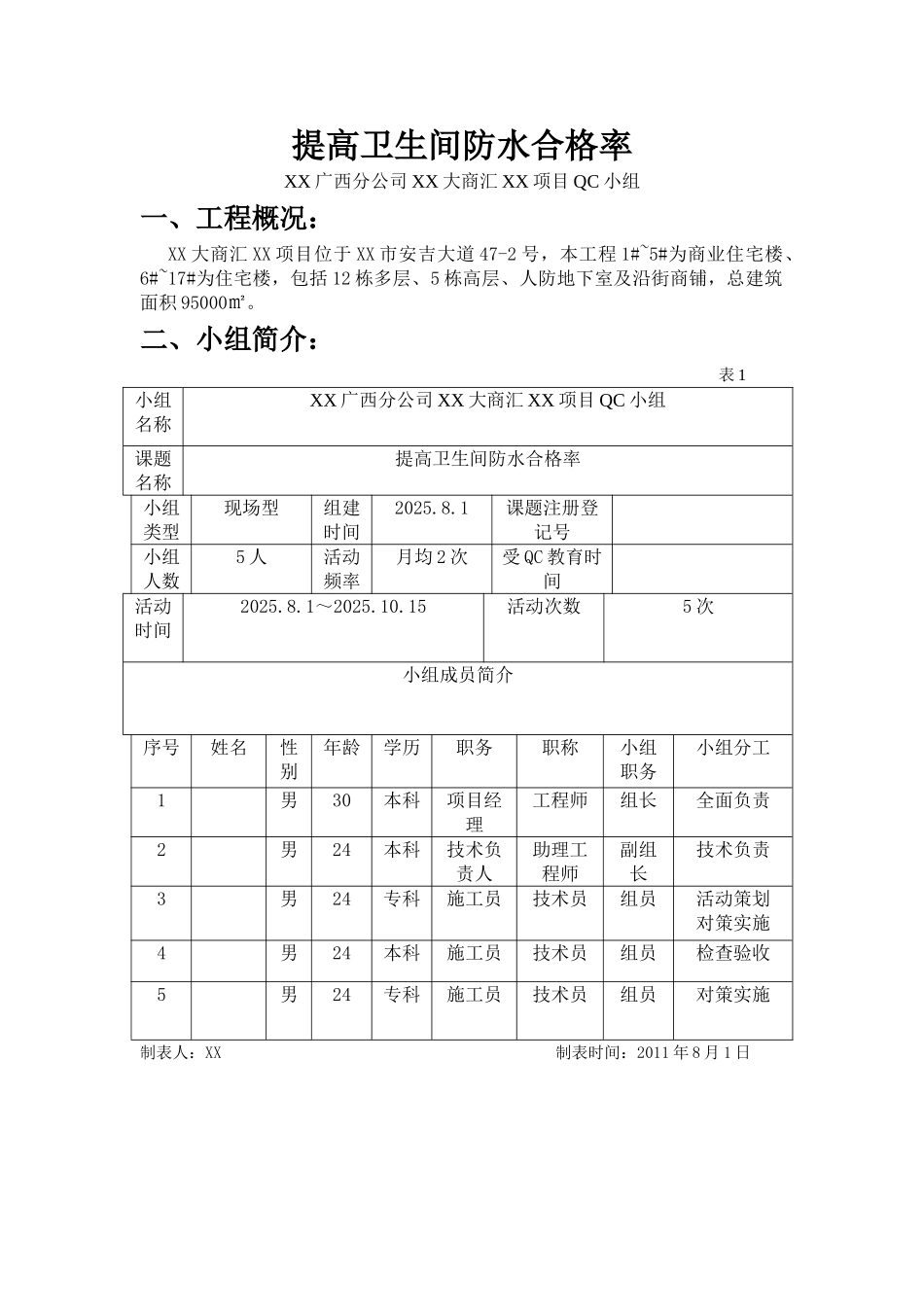
提高卫生间防水合格率XX 广西分公司 XX 大商汇 XX 项目 QC 小组一、工程概况:XX 大商汇 XX 项目位于 XX 市安吉大道 47-2 号,本工程 1#~5#为商业住宅楼、6#~17#为住宅楼,包括 12 栋多层、5 栋高层、人防地下室及沿街商铺,总建筑面积 95000㎡。二、小组简介:表 1小组名称XX 广西分公司 XX 大商汇 XX 项目 QC 小组课题名称提高卫生间防水合格率小组类型现场型组建时间2025.8.1课题注册登记号小组人数5 人活动频率月均 2 次受 QC 教育时间活动时间2025.8.1~2025.10.15活动次数5 次小组成员简介序号姓名性别年龄学历职务职称小组职务小组分工1男30本科项目经理工程师组长全面负责2男24本科技术负责人助理工程师副组长技术负责3男24专科施工员技术员组员活动策划对策实施4男24本科施工员技术员组员检查验收5男24专科施工员技术员组员对策实施制表人:XX 制表时间:2011 年 8 月 1 日三、活动计划表:表 2项目任务栏2011 年 7 月 1 日~2011 年 10 月 15 日8 月9 月10 月1530153015选定课题全员现状调查全员目标可行性分析全员原因分析全员要因确认全员制定对策全员对策实施全员效果检查全员经济效益全员社会效益全员巩固措施全员总结打算全员 注: 计划时间 制表人:XX 实施时间 制表时间:2011 年 8 月 2 日四、选题理由:选题理由提高卫生间的防潮、防水的能力 表 3制表人:XX 制表时间: 2025 年 8 月 15 日选定课题提高卫生间防水合格率五、现状调查:为找出问题所在,我们对所施工楼栋卫生间漏水现象进行了调查、统计。卫生间防水质量调查表 表 4序号栋号卫生间防水缺陷部位合计涂料搭接宽度涂料鼓泡排水管根部墙面阴阳角涂料配合比成品保护11#楼032001622#楼130000433#楼5430001245#楼012000357#楼4031008613#楼86511021合计18171521154制表:XX 制表时间:2011 年 8 月 25 日卫生间防水质量缺陷频率表 表 5序号缺陷部位频数频率(%)累计频率(%)1涂料搭接宽度1833.3433.342涂料鼓泡1731.4864.823排水管根部1527.7892.604墙面阴阳角23.7096.305涂料配合比11.8598.156成品保护11.85100合计54制表:XX 制表日期:2011 年 8 月 26 日 卫生间防水缺陷频数排列图 图 1涂料搭接宽度涂料鼓泡排水管根部墙面阴阳角涂料配合比 成品保护 频数累计频率(%) 制图:XX 制图时间:2011 年 8 月 28 日 结论:从频数排列图可以确定“1、涂料搭接宽...

1、当您付费下载文档后,您只拥有了使用权限,并不意味着购买了版权,文档只能用于自身使用,不得用于其他商业用途(如 [转卖]进行直接盈利或[编辑后售卖]进行间接盈利)。
2、本站所有内容均由合作方或网友上传,本站不对文档的完整性、权威性及其观点立场正确性做任何保证或承诺!文档内容仅供研究参考,付费前请自行鉴别。
3、如文档内容存在违规,或者侵犯商业秘密、侵犯著作权等,请点击“违规举报”。

碎片内容

提高卫生间防水合格率

津创媒+ 关注
实名认证
内容提供者

欢迎交流文创,小店资料希望满足您的需要。

确认删除?
VIP
微信客服
  • 扫码咨询
会员Q群
  • 会员专属群点击这里加入QQ群
客服邮箱
回到顶部