电脑桌面
添加小米粒文库到电脑桌面
安装后可以在桌面快捷访问

桩承台的钢筋填表说明

桩承台的钢筋填表说明_第1页
1/3
桩承台的钢筋填表说明_第2页
2/3
桩承台的钢筋填表说明_第3页
3/3
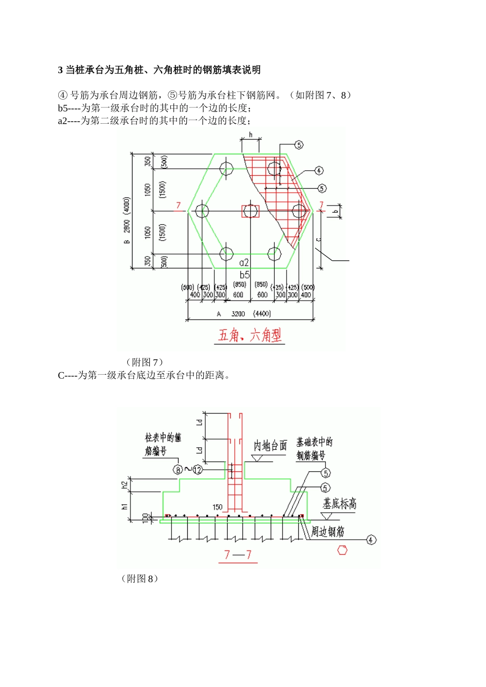
附录四 桩承台的钢筋填表说明1 当桩承台为矩型(或方型)时的钢筋填表说明 ④ 号筋为“A”方向的底筋,⑤号筋为“B”方向的底筋。(如附图 1、2) (附图 1)(附图 2)2 当桩承台为三角桩时钢筋的填表说明(如附图 3、4、5、6)(附图 3)④ 号筋为桩与桩之间的三组纵筋,⑤号筋为柱下网底筋。(附图 4) (附图 5、6)3 当桩承台为五角桩、六角桩时的钢筋填表说明④ 号筋为承台周边钢筋,⑤号筋为承台柱下钢筋网。(如附图 7、8)b5----为第一级承台时的其中的一个边的长度;a2----为第二级承台时的其中的一个边的长度; (附图 7)C----为第一级承台底边至承台中的距离。(附图 8)

1、当您付费下载文档后,您只拥有了使用权限,并不意味着购买了版权,文档只能用于自身使用,不得用于其他商业用途(如 [转卖]进行直接盈利或[编辑后售卖]进行间接盈利)。
2、本站所有内容均由合作方或网友上传,本站不对文档的完整性、权威性及其观点立场正确性做任何保证或承诺!文档内容仅供研究参考,付费前请自行鉴别。
3、如文档内容存在违规,或者侵犯商业秘密、侵犯著作权等,请点击“违规举报”。

碎片内容

桩承台的钢筋填表说明

确认删除?
VIP
微信客服
  • 扫码咨询
会员Q群
  • 会员专属群点击这里加入QQ群
客服邮箱
回到顶部