电脑桌面
添加小米粒文库到电脑桌面
安装后可以在桌面快捷访问

武广客运专线32m简支箱梁支架现浇施工技术总结

武广客运专线32m简支箱梁支架现浇施工技术总结_第1页
1/16
武广客运专线32m简支箱梁支架现浇施工技术总结_第2页
2/16
武广客运专线32m简支箱梁支架现浇施工技术总结_第3页
3/16
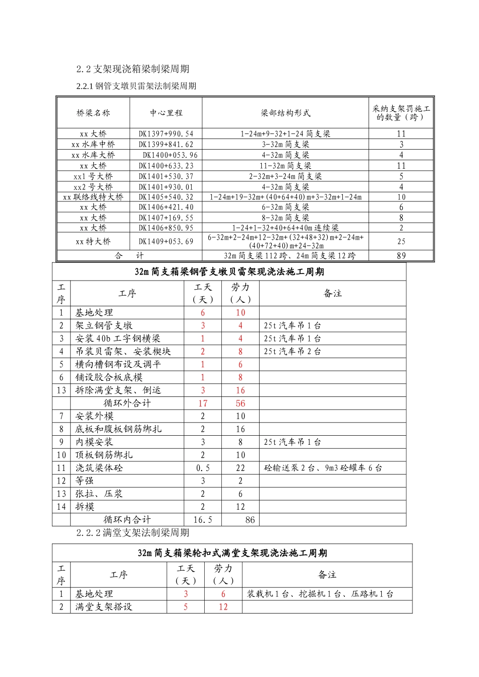
xx 客运专线 32m 简支箱梁支架现浇施工技术总结1、工程概况xx 客运专线我部管段位于 xx 省的 xx 市境内,起点位于 xx 隧道出口,起点里程DK1397+664,终点位于麻塘里特大桥广州台,终点里程:DK1409+930.53,线路全长12.26653km。其中桥梁 11 座,全长 4667.77m。线路从北往南穿越 xx 市云溪乡、梅溪乡和康王乡 3 个乡,沿线经过桃李村、硚石村、金风桥村、新华村、羊角山村等 5 个村庄。地形主要为低山间丘陵、谷地,地形起伏较大,路线主要穿越低山、谷地、稻田、鱼塘、小河流和村庄等。32 米箱梁的截面形式为单箱单室等高度简支箱梁,梁长 32.6m,高 3.05m,梁面宽13.4m,梁底宽 5.4m;梁重 900t,梁端顶板、底板及腹板局部向内侧加厚。翼缘板悬臂端长 3.35m,斜腹板,腹板厚度 105~45cm,底板厚度 70~28cm,顶板厚度 61~30cm,梁长为 32.6m,计算跨度为 31.1m,横桥向支座中心距为 4.5m。防撞墙内侧净宽9.4m,桥上人行道栏杆内侧净宽 13.2m,桥梁宽 13.4m。理论计算跨中反拱值为16.11mm,梁体因混凝土干燥收缩及预应力作用下的理论压缩量上缘为 6.21mm,下缘为14.44mm。单片 32m 箱梁主要工程数量: C50 砼 327.62m3,Ⅰ级钢筋 2.02t,Ⅱ级钢筋56.92t,钢绞线 9.8t,φ90mm 波纹管 732m。箱梁断面图2、支架现浇箱梁工程数量和制梁周期2.1 支架现浇箱梁工程数量2.2 支架现浇箱梁制梁周期2.2.1 钢管支墩贝雷架法制梁周期32m 简支箱梁钢管支墩贝雷架现浇法施工周期工序工序工天(天)劳力(人)备注1基地处理610 2架立钢管支墩3425t 汽车吊 1 台3安装 40b 工字钢横梁1425t 汽车吊 1 台4吊装贝雷架、安装楔块2825t 汽车吊 2 台5横向槽钢布设及调平16 6铺设胶合板底模18 13拆除满堂支架、倒运316 循环外合计1756 7安装外模210 8底板和腹板钢筋绑扎216 9内模安装3825t 汽车吊 1 台10顶板钢筋绑扎210 11浇筑梁体砼0.522砼输送泵 2 台、9m3 砼罐车 6 台12等强32 13张拉、压浆26 14拆模212 循环内合计16.586 2.2.2 满堂支架法制梁周期32m 简支箱梁轮扣式满堂支架现浇法施工周期工序工序工天(天)劳力(人)备注1基地处理36装载机 1 台、挖掘机 1 台、压路机 1 台2满堂支架搭设512 桥梁名称中心里程梁部结构形式采纳支架罚施工的数量(跨)xx 大桥DK1397+990.541-24m+9-32+1-24 简支梁11xx 水库中桥DK1399+841.623-32m 简支梁3xx 水库大桥 DK1400+05...

1、当您付费下载文档后,您只拥有了使用权限,并不意味着购买了版权,文档只能用于自身使用,不得用于其他商业用途(如 [转卖]进行直接盈利或[编辑后售卖]进行间接盈利)。
2、本站所有内容均由合作方或网友上传,本站不对文档的完整性、权威性及其观点立场正确性做任何保证或承诺!文档内容仅供研究参考,付费前请自行鉴别。
3、如文档内容存在违规,或者侵犯商业秘密、侵犯著作权等,请点击“违规举报”。

碎片内容

武广客运专线32m简支箱梁支架现浇施工技术总结

您可能关注的文档

MY shop+ 关注
实名认证
内容提供者

欢迎挑选适合自己的材料。

确认删除?
VIP
微信客服
  • 扫码咨询
会员Q群
  • 会员专属群点击这里加入QQ群
客服邮箱
回到顶部