电脑桌面
添加小米粒文库到电脑桌面
安装后可以在桌面快捷访问

确保大跨度70米钢屋架制作一次成优qc成果

确保大跨度70米钢屋架制作一次成优qc成果_第1页
1/17
确保大跨度70米钢屋架制作一次成优qc成果_第2页
2/17
确保大跨度70米钢屋架制作一次成优qc成果_第3页
3/17
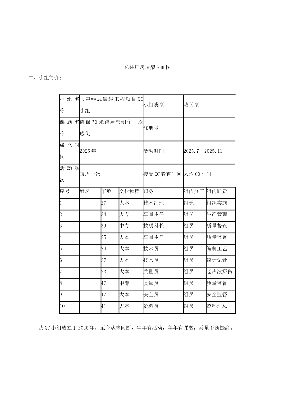
确保大跨度 70 米钢屋架制作一次成优天津市****工程总承包有限公司 天津****总装线工程项目 QC 小组 一、课题简介****飞机总装线项目是天津市重点工程,地处天津滨海新区****产业区内,紧邻天津****国际机场和**高速公路,地理位置优越。天津总装线是**客车公司装配线全球的第三条、欧洲以外的第一条。总装厂房建筑面积 26825m2,结构形式完全根据德国空客厂房进行设计。总装大厅为钢排架结构。屋架上弦为弧线形,跨度 70m,每榀屋架重 70 吨,屋架杆件为焊接 H 型钢,弦腹杆节点为全螺栓刚性节点,每榀屋架用 12000 套高强螺栓进行节点连接。总装厂房屋架立面图二、小组简介:小 组 名称天津**总装线工程项目 QC小组小组类型攻关型课 题 名称确保 70 米跨屋架制作一次成优注册号成 立 时间2025 年活动时间2025.7—2025.11活 动 频次每周一次接受 QC 教育时间 人均 60 小时序号姓名年龄文化程度 职务组内分工 组内职责127大本技术经理组长组织实施234大专车间主任组员生产管理339中专技质科长组员质量督查425大本车间主任组员质量监督524大本技术员组员编制工艺627大本技术员组员统计记录723大本质量员组员超声波探伤847中专质量员组员质量监督947大本安全员组员安全监督1041大本资料员组员资料汇总我 QC 小组成立于 2025 年,至今从未间断,年年有活动,年年有课题,质量不断提高。三、选题理由1、****是我国首次与****客车公司合作,建造用于民用客机的厂房工程,具有较高的国际知名度。2、****工程关系到我天津****总承包有限公司在天津港地区良好形象及信誉的树立,此工程的施工质量同样关系到我公司在滨海新区更广泛的市场开拓。3、9 号总装厂房是****工程的重点子工程,70 米大跨度屋架的制作一次成优是该工程的准确安装的前提,屋架上弦杆为弧形,弧度半径为 212m,下弦起拱要求为 60mm,31 榀下弦悬挂双向吊车,承受动荷载,所以 31 榀屋架下弦须在同一高度处,对屋架制作精度要求很高。4、每榀屋架上共有连接节点 58 个,节点处用 12000 套高强螺栓进行连接,31 榀屋架就需要 372000套高强螺栓 ,对螺栓连接孔孔位的精度要求很高。柱端上弦节点柱端下弦节点弦、 腹杆连接节点基于以上理由,我们选择“确保 70 米跨屋架制作一次成优”为课题进行活动。四、现状调查我 QC 小组邀请了有关专家、监理及专业技术人员针对以往钢屋架制作施工中易出现的问题进行了调查分析,收回 80 ...

1、当您付费下载文档后,您只拥有了使用权限,并不意味着购买了版权,文档只能用于自身使用,不得用于其他商业用途(如 [转卖]进行直接盈利或[编辑后售卖]进行间接盈利)。
2、本站所有内容均由合作方或网友上传,本站不对文档的完整性、权威性及其观点立场正确性做任何保证或承诺!文档内容仅供研究参考,付费前请自行鉴别。
3、如文档内容存在违规,或者侵犯商业秘密、侵犯著作权等,请点击“违规举报”。

碎片内容

确保大跨度70米钢屋架制作一次成优qc成果

您可能关注的文档

文旅传媒+ 关注
实名认证
内容提供者

传播文化,成就未来

相关文档

确认删除?
VIP
微信客服
  • 扫码咨询
会员Q群
  • 会员专属群点击这里加入QQ群
客服邮箱
回到顶部