电脑桌面
添加小米粒文库到电脑桌面
安装后可以在桌面快捷访问

确保高空大跨度悬挑现浇屋面施工质量汇报

确保高空大跨度悬挑现浇屋面施工质量汇报_第1页
1/12
确保高空大跨度悬挑现浇屋面施工质量汇报_第2页
2/12
确保高空大跨度悬挑现浇屋面施工质量汇报_第3页
3/12
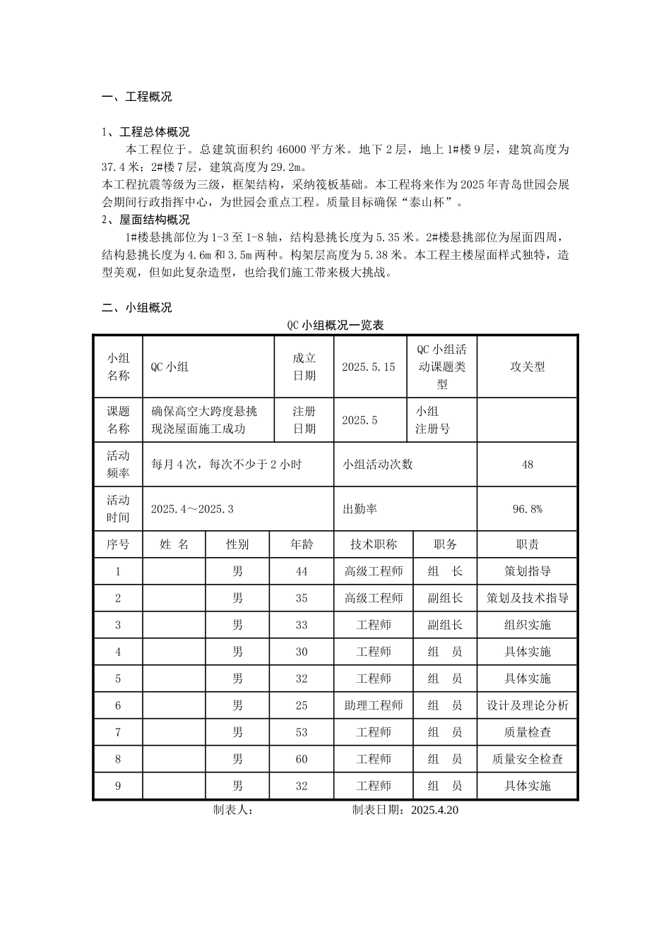
工程确保高空大跨度悬挑现浇屋面施工成功 小组名称:集团有限公司世园大厦 QC 小组小组类型:攻关型注册编号:发布时间:2025 年 3 月一、工程概况1、工程总体概况本工程位于。总建筑面积约 46000 平方米。地下 2 层,地上 1#楼 9 层,建筑高度为37.4 米;2#楼 7 层,建筑高度为 29.2m。本工程抗震等级为三级,框架结构,采纳筏板基础。本工程将来作为 2025 年青岛世园会展会期间行政指挥中心,为世园会重点工程。质量目标确保“泰山杯”。2、屋面结构概况1#楼悬挑部位为 1-3 至 1-8 轴,结构悬挑长度为 5.35 米。2#楼悬挑部位为屋面四周,结构悬挑长度为 4.6m 和 3.5m 两种。构架层高度为 5.38 米。本工程主楼屋面样式独特,造型美观,但如此复杂造型,也给我们施工带来极大挑战。 二、小组概况QC 小组概况一览表小组名称QC 小组成立日期2025.5.15 QC 小组活动课题类型攻关型课题名称确保高空大跨度悬挑现浇屋面施工成功注册日期2025.5小组注册号活动频率每月 4 次,每次不少于 2 小时小组活动次数48活动时间2025.4~2025.3出勤率96.8%序号姓 名性别年龄技术职称职务职责1男44高级工程师组 长策划指导2男35高级工程师副组长策划及技术指导3男33工程师副组长组织实施4男30工程师组 员具体实施5男32工程师组 员具体实施6男25助理工程师组 员设计及理论分析7男53工程师组 员质量检查8男60工程师组 员质量安全检查9男32工程师组 员具体实施制表人: 制表日期:2025.4.20三、选题理由四、现状调查4.1 本工程特点及难点分析4.2 方案对比及提出方案4.2.1 各种方案对比表序号方案类型方案优缺点分析1 三角形型钢桁架支撑优点:技术成熟可靠;缺点:钢构件加工制作周期较长,安装费时费劲,对工期影响较大;造价比较高;2 落地脚手架支撑系统 优点:施工简单,安全,可靠度较高;缺点:所需周转材料较多;需拆除原有的悬挑脚手架;楼体北侧地下室结构未封顶,脚手架无处生根; 3 斜拉式悬挑支模系统优点:周转材料投入少,可有效节约工期;投入劳力较少,型钢虽一次性投入,但可重复利用;缺点:结构及施工荷载较大,受力分析较复杂;该方案青岛市此前并无先例,施工存在风险;QC 小组成员对上述三种方案仔细讨论、分析,认为在“工期紧、业主造价控制较严格”前提下,方案三“斜拉式悬挑支模系统”施工切实可行。待报建设单位、监理单位审批后实施。五、目标确定与可行性分析(一)小组活动目...

1、当您付费下载文档后,您只拥有了使用权限,并不意味着购买了版权,文档只能用于自身使用,不得用于其他商业用途(如 [转卖]进行直接盈利或[编辑后售卖]进行间接盈利)。
2、本站所有内容均由合作方或网友上传,本站不对文档的完整性、权威性及其观点立场正确性做任何保证或承诺!文档内容仅供研究参考,付费前请自行鉴别。
3、如文档内容存在违规,或者侵犯商业秘密、侵犯著作权等,请点击“违规举报”。

碎片内容

确保高空大跨度悬挑现浇屋面施工质量汇报

您可能关注的文档

阳光书坊+ 关注
实名认证
内容提供者

阳光书坊,传播未来

确认删除?
VIP
微信客服
  • 扫码咨询
会员Q群
  • 会员专属群点击这里加入QQ群
客服邮箱
回到顶部