电脑桌面
添加小米粒文库到电脑桌面
安装后可以在桌面快捷访问

第三章-建筑设备监控系统安装工程-定额

第三章-建筑设备监控系统安装工程-定额_第1页
1/26
第三章-建筑设备监控系统安装工程-定额_第2页
2/26
第三章-建筑设备监控系统安装工程-定额_第3页
3/26
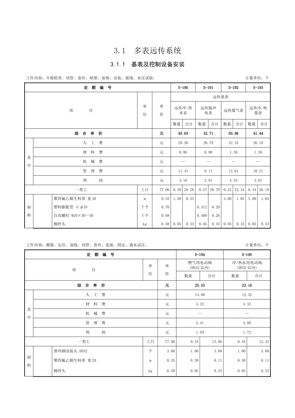
3.1 多表远传系统3.1.1 基表及控制设备安装工作内容:开箱检查、切管、套丝、制垫、加垫、安装、接线、水压试验。计量单位:个定 额 编 号5-1905-1915-1925-193项 目单位单价远传基表远传冷/热水表远传脉冲电表远传煤气表远传冷/热量表数量合计数量合计数量合计数量合计综 合 单 价元45.6332.7150.8641.44其中人 工 费元29.2620.7932.3426.18材 料 费元0.860.901.381.38机 械 费元————管 理 费元11.418.1112.6110.21利 润元4.102.914.533.67一类工工日77.000.38 29.260.27 20.790.42 32.340.34 26.18材料聚四氟乙烯生料带 宽 20m0.351.500.533.001.053.001.05塑料膨胀管 ≤φ10十个0.700.4120.29自攻螺钉 M10×30~50十个0.680.4080.28棉纱头kg6.500.050.330.050.330.050.330.050.33工作内容:测量、定位、划线、切管、套丝、连接、固定、通水试压。计量单位:个定 额 编 号5-1945-195项 目单位单价燃气用电动阀(DN32 以内)冷/热水用电动阀(DN32 以内)数量合计数量合计综 合 单 价元25.5323.16其中人 工 费元13.8612.32材 料 费元4.324.32机 械 费元——管 理 费元5.414.80利 润元1.941.72一类工工日77.000.1813.860.1612.32材料黑玛钢活接头 DN32个3.881.003.881.003.88聚四氟乙烯生料带 宽 20m0.350.300.110.300.11棉纱头kg6.500.050.330.050.333.1.2 抄表采集系统安装、调试工作内容:测位、划线、打眼、连接、固定安装、调试。计量单位:个定 额 编 号5-1965-1975-1985-199项 目单位单价电力载波抄表集中器集中式远程总线抄表采集器集中式远程总线抄表主机分散式远程总线抄表采集器数量合计数量合计数量合计数量合计综 合 单 价元44.5658.71221.45142.05其中人 工 费元20.7929.26123.2076.23材 料 费元12.7513.9432.9525.42机 械 费元————管 理 费元8.1111.4148.0529.73利 润元2.914.1017.2510.67一类工工日77.000.27 20.790.38 29.261.60 123.200.99 76.23材料膨胀螺栓 M10套0.806.124.906.124.906.124.906.124.90精制带母镀锌螺栓 M8×30套0.684.082.774.082.774.082.774.082.77等边角钢 ∟40×3~4kg3.961.204.751.505.946.3024.954.40 17.42棉纱头kg6.500.050.330.050.330.050.330.050.33注:上述设备均按墙上明装考虑。工作内容:同前。计量单位:个定 额 编 号5-2005-2015-202项 目单位单价分散式远程总线抄表主机抄表控制箱多表采集智能终端(含控...

1、当您付费下载文档后,您只拥有了使用权限,并不意味着购买了版权,文档只能用于自身使用,不得用于其他商业用途(如 [转卖]进行直接盈利或[编辑后售卖]进行间接盈利)。
2、本站所有内容均由合作方或网友上传,本站不对文档的完整性、权威性及其观点立场正确性做任何保证或承诺!文档内容仅供研究参考,付费前请自行鉴别。
3、如文档内容存在违规,或者侵犯商业秘密、侵犯著作权等,请点击“违规举报”。

碎片内容

第三章-建筑设备监控系统安装工程-定额

范哲铺+ 关注
实名认证
内容提供者

想你所想,急你所急,你需要的都在店铺里可以找到。

确认删除?
VIP
微信客服
  • 扫码咨询
会员Q群
  • 会员专属群点击这里加入QQ群
客服邮箱
回到顶部