电脑桌面
添加小米粒文库到电脑桌面
安装后可以在桌面快捷访问

第二章:模块式风冷热泵-单元电控

第二章:模块式风冷热泵-单元电控_第1页
1/6
第二章:模块式风冷热泵-单元电控_第2页
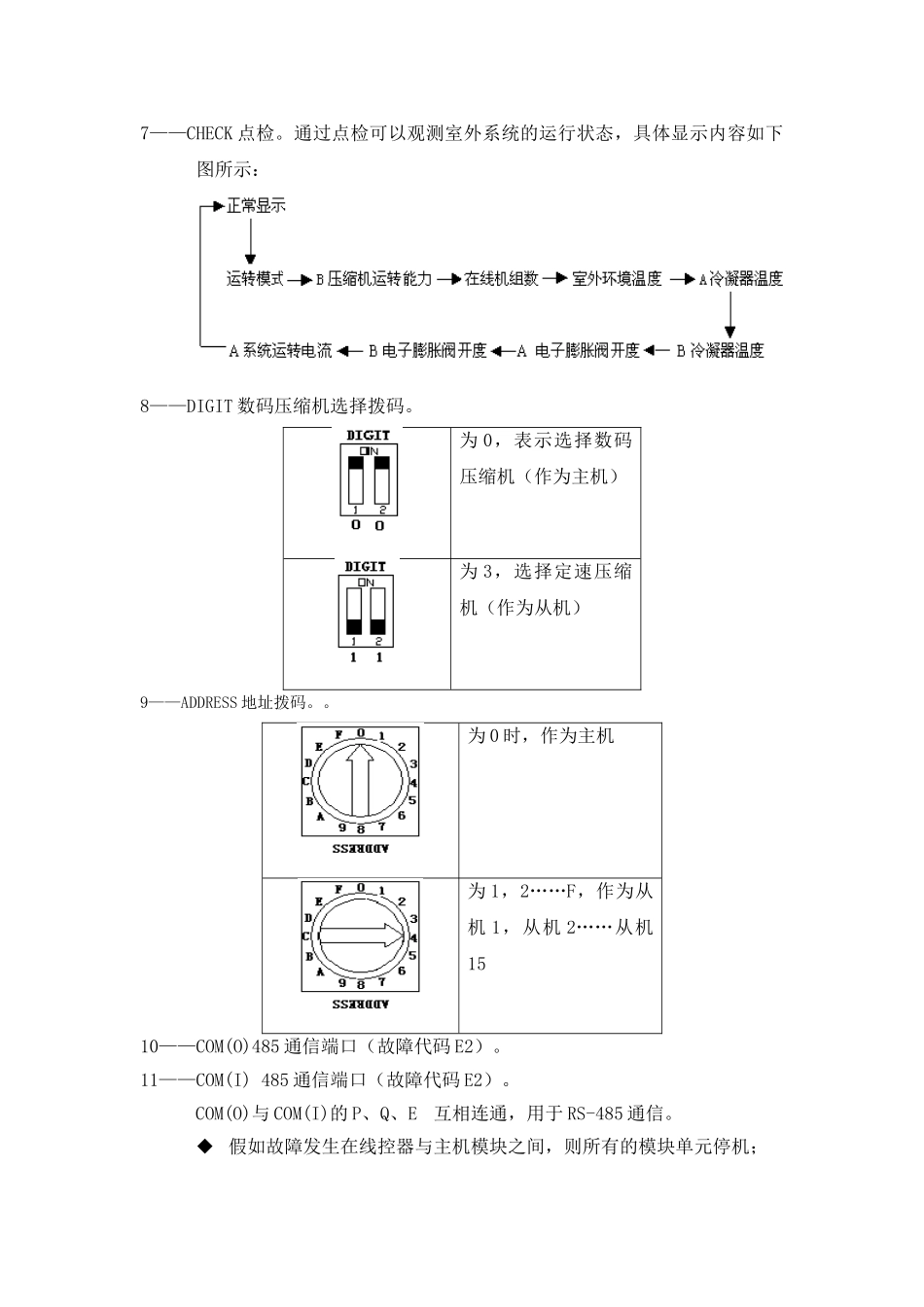
2/6
第二章:模块式风冷热泵-单元电控_第3页
3/6
第二章 单元电控1. 单元电控外观图 11 10 9 8 7 6 5 4 3 2 1 17 18 19 20 21 22 23 24注意:故障当主机发生故障时,停止主机运转,所有其他单元机停止运转;当从机发生故障时,只停此单元机,别的单元机不受影响。保护当主机发生保护时,只停主机本身,其他单元机保持运转;当从机发生保护时,只停此单元机,别的单元机不受影响。121314151625262762.单元电控部件说明1——压缩机 B 电流检测(保护代码 P5)。2——压缩机 A 电流检测(保护代码 P4)。 压缩机启动的最初 5 秒不检测电流,当检测到压缩机电流超过设定保护值时(数码压缩机 18A,定速压缩机 18A),压缩机停机,3 分钟后重新启动。3——T4:室外环境温度传感器(故障代码 E7)。T3B:冷凝器 B 管温度传感器(故障代码 E6,保护代码 P7)。T3A:冷凝器 A 管温度传感器(故障代码 E5,保护代码 P6)。 T4只要有一个系统有室外风机开启的需求,则单元机电控开室外风机。外风机设高、低两档,根据 T4 来控制。 T3B、T3A当模块单元电控检测到系统室外管温 T3A或 T3B温度超过 65℃的保护温度时,对应的系统停机,温度降低到恢复温度 60℃以下,恢复开机。另一个系统不受影响。 T4、T3B、T3A检测到温度传感器采样值输入端口的电压低于 0.05V 或高于 4.95V 则产生故障报警。主机产生温度传感器故障故障:主机和所有从机停机。从机产生温度传感器故障故障:该从机停机,其它从机不受影响。4——系统 A 数码压缩机排气温度传感器(故障代码 E8,保护代码 P8),仅主机有效,从机无效。5——板换出水温度传感器(故障代码 E4)。制冷和制热模式下,根据板换出水温度的大小进行调节。(从机)定速能力调节范围:ON 和 OFF;(主机)数码能力调节范围:停机、40%、60%、80%和 100%。6——总出水温度传感器(故障代码 E3),仅主机有效,从机无效。制冷和制热模式下,根据总出水温度的大小进行调节。调节范围:停机、40%、60%、80%和 100%。7——CHECK 点检。通过点检可以观测室外系统的运行状态,具体显示内容如下图所示:8——DIGIT 数码压缩机选择拨码。为 0,表示选择数码压缩机(作为主机)为 3,选择定速压缩机(作为从机)9——ADDRESS 地址拨码。。为 0 时,作为主机为 1,2……F,作为从机 1,从机 2……从机1510——COM(O)485 通信端口(故障代码 E2)。11——COM(I) 485 通信端口(故障...

1、当您付费下载文档后,您只拥有了使用权限,并不意味着购买了版权,文档只能用于自身使用,不得用于其他商业用途(如 [转卖]进行直接盈利或[编辑后售卖]进行间接盈利)。
2、本站所有内容均由合作方或网友上传,本站不对文档的完整性、权威性及其观点立场正确性做任何保证或承诺!文档内容仅供研究参考,付费前请自行鉴别。
3、如文档内容存在违规,或者侵犯商业秘密、侵犯著作权等,请点击“违规举报”。

碎片内容

第二章:模块式风冷热泵-单元电控

您可能关注的文档

办公文档专营+ 关注
实名认证
内容提供者

大量办公文档,欢迎选择

相关文档

确认删除?
VIP
微信客服
  • 扫码咨询
会员Q群
  • 会员专属群点击这里加入QQ群
客服邮箱
回到顶部