电脑桌面
添加小米粒文库到电脑桌面
安装后可以在桌面快捷访问

第五章-天然建筑材料

第五章-天然建筑材料_第1页
1/6
第五章-天然建筑材料_第2页
2/6
第五章-天然建筑材料_第3页
3/6
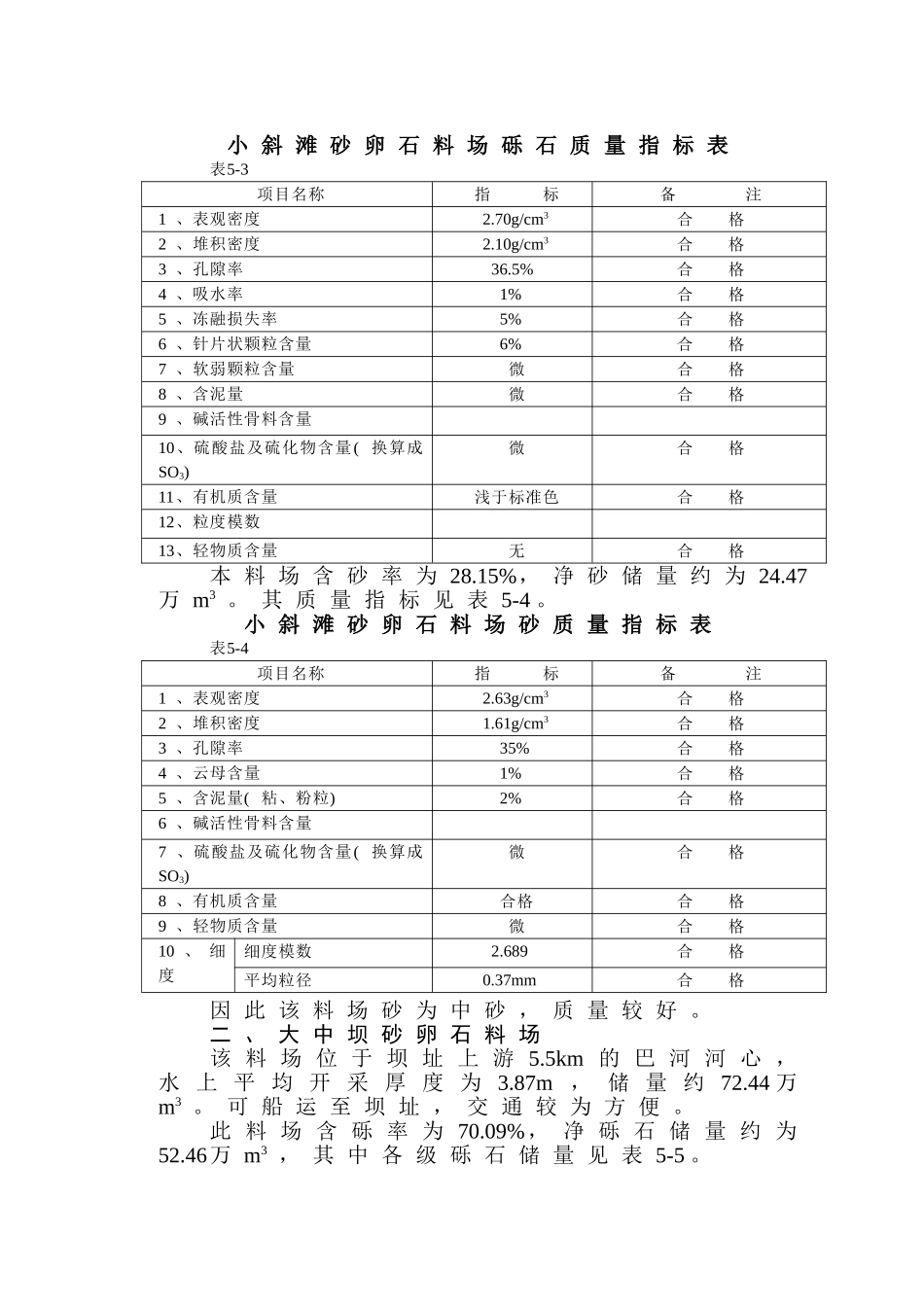
第五章 天然建筑材料第 一 节 概 况达 县 水 电 站 工 程 的 天 然 建 筑 材 料 ,根 据 本 阶 段 的 《 工 程 地 质 勘 察 工 作 大 纲 》 要求 , 按 可 研 暨 初 设 阶 段 进 行 勘 察 , 设 计 需 用量 及 调 查 量 如 表 5-1 。天 然 建 筑 材 料 设 计 需 用 量 调 查 量 表表5-1建材名称需用量( 万m3)调查量( 万m3)倍 比石 材3.021.553.52砂卵石料8.0142.523.25土 料0.812.832.85通 过 调 查 , 本 区 石 料 有 良 好 的 断 面 露 头 ,质 量 较 好 , 故 在 调 查 中 未 进 行 专 门 性 的 钻 探工 作 , 利 用 了 天 然 露 头 对 石 料 进 行 取 样 试 验 。本 工 程 区 砂 卵 石 料 场 在 坝 址 上 游 河 床 漫滩 分 布 , 储 量 丰 富 , 综 合 比 较 质 量 、 运 输 和开 采 条 件 等 因 素 , 选 择 了 小 斜 滩 , 大 中 坝 料场 产 地 进 行 调 查 。土 料 场 选 择 了 距 坝 址 较 近 的 周 家 沟 土 料场 。第 二 节 石 料本 次 调 查 的 石 料 场 属 侏 罗 系 上 沙 溪 庙 组地 层 中 的 厚 层 砂 岩 , 倾 角 12° , 岩 层 裂 隙 不 甚发 育 , 完 整 性 较 好 。 此 产 地 为 打 耙 石 石 料 场 ,它 位 于 坝 址 下 游 左 岸 打 耙 石 处 , 距 离 坝 址1.0km 。 砂 岩 为 青 灰 色 中 细 粒 长 石 石 英 砂 岩 ,平 均 厚 度 20m 左 右 。 产 地 呈 台 状 地 形 分 布 ,有 良 好 的 露 头 , 有 剥 离 层 1.5m 左 右 , 具 有 临空 开 采 面 , 采 石 条 件 好 。 崖 脚 下 为 巴 河 , 可用 船 运 至 坝 址 及 厂 址 , 运 输 极 为 方 便 , 总 储量 为 21.55万 m3 。岩 石 质 量 技 术 指 标 为 : 软 化系 数 : 0.81湿 抗 压 强 度 : 51.5MPa 自 然 抗 压 强 度 :63.6MPa干 密 度 : 2. 51g/cm3 湿 密 度 : 2.56g/cm3上 述 各 项 指 标 , 此 料 场 品 质 符 合 设 计 法律 规 范 , 能 满 足 工 程 需 要 。第 三 节 砂 卵 石 料该...

1、当您付费下载文档后,您只拥有了使用权限,并不意味着购买了版权,文档只能用于自身使用,不得用于其他商业用途(如 [转卖]进行直接盈利或[编辑后售卖]进行间接盈利)。
2、本站所有内容均由合作方或网友上传,本站不对文档的完整性、权威性及其观点立场正确性做任何保证或承诺!文档内容仅供研究参考,付费前请自行鉴别。
3、如文档内容存在违规,或者侵犯商业秘密、侵犯著作权等,请点击“违规举报”。

碎片内容

第五章-天然建筑材料

津创媒+ 关注
实名认证
内容提供者

欢迎交流文创,小店资料希望满足您的需要。

确认删除?
VIP
微信客服
  • 扫码咨询
会员Q群
  • 会员专属群点击这里加入QQ群
客服邮箱
回到顶部