电脑桌面
添加小米粒文库到电脑桌面
安装后可以在桌面快捷访问

系列非晶合金干式电力变压器技术条件

系列非晶合金干式电力变压器技术条件_第1页
1/4
系列非晶合金干式电力变压器技术条件_第2页
2/4
系列非晶合金干式电力变压器技术条件_第3页
3/4
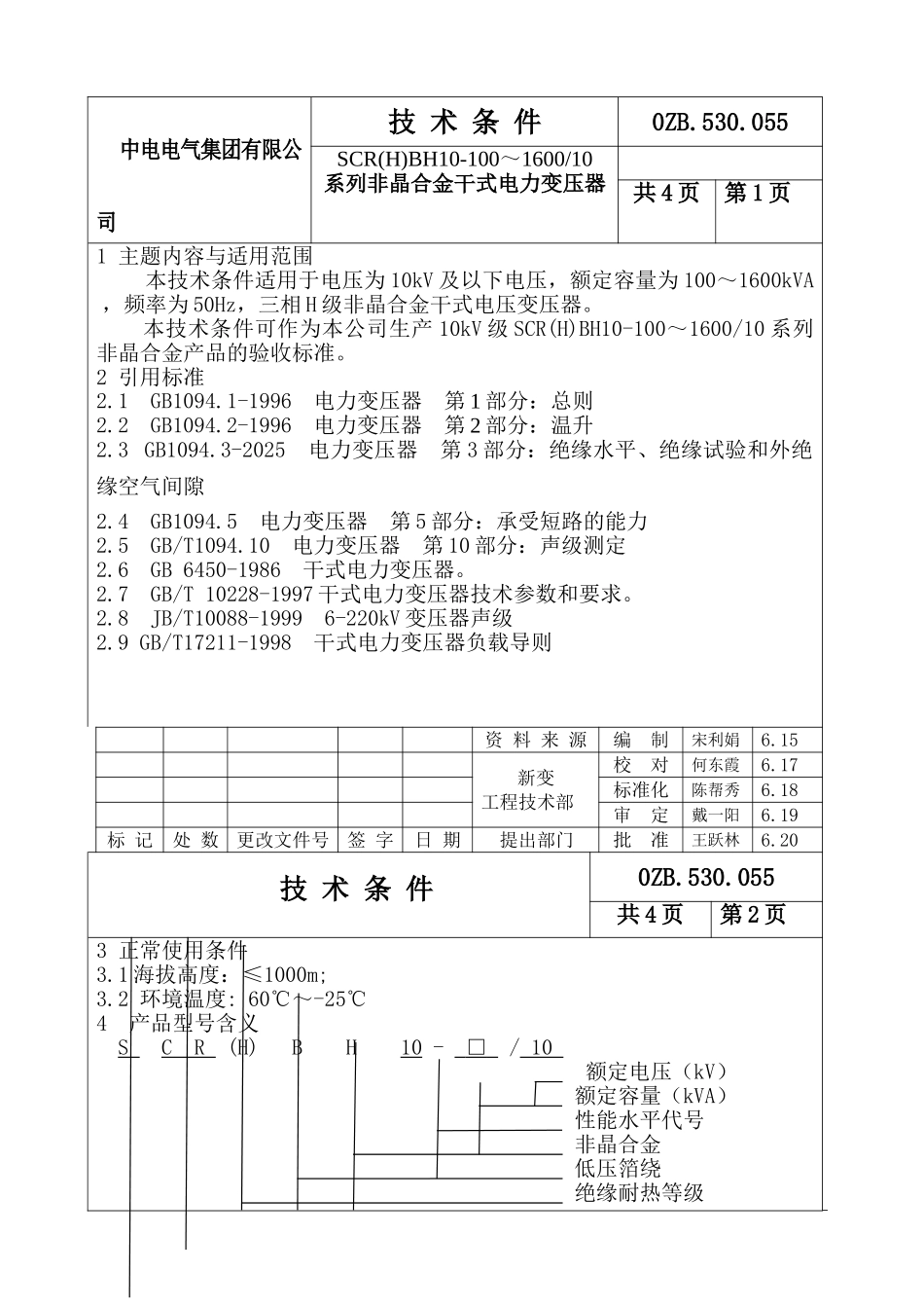
中电电气集团有限公司技 术 条 件0ZB.530.055SCR(H)BH10-100~1600/10系列非晶合金干式电力变压器共 4 页第 1 页1 主题内容与适用范围本技术条件适用于电压为 10kV 及以下电压,额定容量为 100~1600kVA ,频率为 50Hz,三相 H 级非晶合金干式电压变压器。 本技术条件可作为本公司生产 10kV 级 SCR(H)BH10-100~1600/10 系列非晶合金产品的验收标准。2 引用标准2.1 GB1094.1-1996 电力变压器 第 1 部分:总则2.2 GB1094.2-1996 电力变压器 第 2 部分:温升2.3 GB1094.3-2025 电力变压器 第 3 部分:绝缘水平、绝缘试验和外绝缘空气间隙2.4 GB1094.5 电力变压器 第 5 部分:承受短路的能力2.5 GB/T1094.10 电力变压器 第 10 部分:声级测定2.6 GB 6450-1986 干式电力变压器。2.7 GB/T 10228-1997 干式电力变压器技术参数和要求。2.8 JB/T10088-1999 6-220kV 变压器声级2.9 GB/T17211-1998 干式电力变压器负载导则资 料 来 源编 制宋利娟6.15新变工程技术部校 对何东霞6.17标准化陈帮秀6.18审 定戴一阳6.19标 记处 数更改文件号签 字日 期提出部门批 准王跃林6.20技 术 条 件0ZB.530.055共 4 页第 2 页3 正常使用条件3.1 海拔高度:≤1000m;3.2 环境温度: 60℃~-25℃4 产品型号含义 S C R (H) B H 10 - □ / 10 额定电压(kV) 额定容量(kVA) 性能水平代号 非晶合金低压箔绕绝缘耐热等级 高压缠绕式 三相5 额定参数 额定容量 100~1600 kVA 额定电压 10/0.4 kV 相数 3 相 绝缘耐热等级 H 级频率 50Hz 绕组平均温升 ≤125 K联结组 Dyn11 噪音水平 声级符合 JB/T10088-1999 局部放电 ≤30 pC 分接范围 ±2×2.5%标记处数更改文件号签字日期技 术 条 件0ZB.530.055共 4 页第 3 页6 产品分类:10kV级 SCR(H)BH10系列产品含100、160、200、250、315、400、500、630(4%)、630(6%)、800、1000、1250、1600kVA 13 个容量。6.1 变压器器身为三相五柱式的具有低损耗节能性能的变压器,按 H 级绝缘干式变压器标准设计。6.2 绝缘结构采纳 NOMEX 纸和 C 级浸渍漆绝缘系统,耐热等级为 H 级。6.3 最小电气间隙和爬电距离如下:电压(kV)部 位技术要求值(mm)10最小电气间隙 ≮90最小爬电距离 ≮1300.4最小电气间隙 ≮10最小爬电距离≮12.56.4 温升限值:SCR(H)BH10-100~1600/10 系列非晶合金干...

1、当您付费下载文档后,您只拥有了使用权限,并不意味着购买了版权,文档只能用于自身使用,不得用于其他商业用途(如 [转卖]进行直接盈利或[编辑后售卖]进行间接盈利)。
2、本站所有内容均由合作方或网友上传,本站不对文档的完整性、权威性及其观点立场正确性做任何保证或承诺!文档内容仅供研究参考,付费前请自行鉴别。
3、如文档内容存在违规,或者侵犯商业秘密、侵犯著作权等,请点击“违规举报”。

碎片内容

系列非晶合金干式电力变压器技术条件

您可能关注的文档

确认删除?
VIP
微信客服
  • 扫码咨询
会员Q群
  • 会员专属群点击这里加入QQ群
客服邮箱
回到顶部