电脑桌面
添加小米粒文库到电脑桌面
安装后可以在桌面快捷访问

造价入门学习小案例

造价入门学习小案例_第1页
1/51
造价入门学习小案例_第2页
2/51
造价入门学习小案例_第3页
3/51
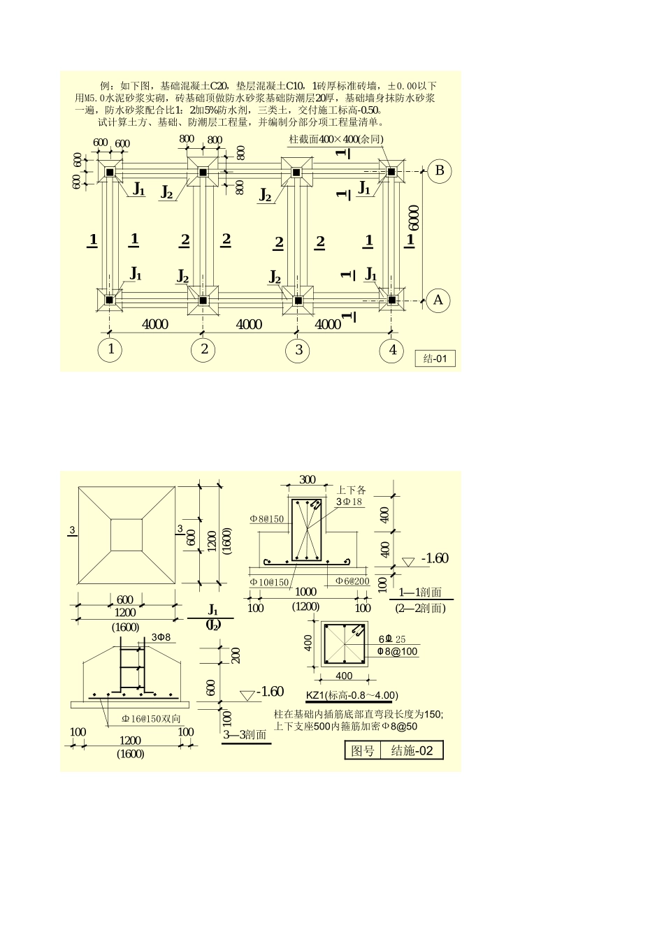
小案例之一第一部分,资料:图纸说明:(1)砌体: 女儿墙和砖基础,MU7.5标准水泥砖墙,1砖厚, M5.0水泥砂浆实砌;其他,MU7.5标准灰砂砖墙,1砖厚或1/2砖厚, M5.0混合砂浆实砌; 墙柱加固筋为2Φ6@500,锚入砌体1000;(2)外墙装饰: 水泥砂浆抹灰(1:3水泥砂浆底, 1:1水泥砂浆面) ; (3)室内装饰: 1)墙面:卫生间水泥砂浆(1:3水泥砂浆底, 1:1水泥砂浆面)墙裙2000高;其余均石灰砂浆中级抹灰(三遍)。 2)天棚:石灰砂浆中级抹灰(三遍); 3)地面:片石垫层150厚;C20混凝土垫层100厚;水泥砂浆面层20厚(1:3水泥砂浆底, 1:1水泥砂浆面) 。(4)门窗:M-1,100系列铝合金地弹门,洞口尺寸1500×2400,共1樘;预制过梁120×240×2000M-2,无亮贴皮实木装饰门, 洞口尺寸900×2100, 共4樘;预制过梁80×240×1400 (仅用于1砖墙上) M-3,有亮贴皮实木装饰门, 洞口尺寸900×2400, 共1樘;预制过梁80×240×1400C-1,90系列铝合金推拉窗, 洞口尺寸1500×1500,共4樘;预制过梁120×240×2000C-2,90系列铝合金推拉窗, 洞口尺寸1200×1500,共5樘;预制过梁100×240×1700(5)屋面及排水: C20细石混凝土找坡(平均40厚,放坡2%) ,共混卷材(带铝膜)防水层,在女儿墙处上翻250高。 Ф110UPVC落水管,2处。(6)油漆和涂料: 1)木门:刮腻子, 润油粉,浅灰蓝磁漆三遍。 2)外墙面(女儿墙内面及顶面除外):刮腻子,高级涂料二遍。 3)室内抹灰面:刮腻子,白色乳胶漆二遍。例:如下图,基础混凝土C20,垫层混凝土C10,1砖厚标准砖墙,±0.00以下用M5.0水泥砂浆实砌,砖基础顶做防水砂浆基础防潮层20厚,基础墙身抹防水砂浆一遍,防水砂浆配合比1:2加5%防水剂,三类土,交付施工标高-0.50。试计算土方、基础、防潮层工程量,并编制分部分项工程量清单。111111112222J1J1J2J2J2J2J1J1AB60001234600600600600800800800800400040004000柱截面400×400(余同) 结-01结施-02图号1—1剖面(2—2剖面)1000(1200)100100300-1.60100400400Φ8@150上下各3Φ18Φ10@150Φ6@2001200(1600)6001200(1600)600J1(J2)200100600-1.603—3剖面1200(1600)100100Φ16@150双向333Φ8KZ1(标高-0.8~4.00)Ф 8@100400400625Ф柱在基础内插筋底部直弯段长度为150;上下支座500内箍筋加密Ф8@50结施-03图号结构梁平面4 Ф 182 Ф 18+2 Ф 20KL2(3) 250×500Ф 8-100/200(2) 2Ф18G2 Ф12, Ф6-4002 Ф 18+2 Ф 204 Ф 181234400040004000BA6000...

1、当您付费下载文档后,您只拥有了使用权限,并不意味着购买了版权,文档只能用于自身使用,不得用于其他商业用途(如 [转卖]进行直接盈利或[编辑后售卖]进行间接盈利)。
2、本站所有内容均由合作方或网友上传,本站不对文档的完整性、权威性及其观点立场正确性做任何保证或承诺!文档内容仅供研究参考,付费前请自行鉴别。
3、如文档内容存在违规,或者侵犯商业秘密、侵犯著作权等,请点击“违规举报”。

碎片内容

造价入门学习小案例

范哲铺+ 关注
实名认证
内容提供者

想你所想,急你所急,你需要的都在店铺里可以找到。

确认删除?
VIP
微信客服
  • 扫码咨询
会员Q群
  • 会员专属群点击这里加入QQ群
客服邮箱
回到顶部