电脑桌面
添加小米粒文库到电脑桌面
安装后可以在桌面快捷访问

非开挖式拖管工程施工组织设计

非开挖式拖管工程施工组织设计_第1页
1/10
非开挖式拖管工程施工组织设计_第2页
2/10
非开挖式拖管工程施工组织设计_第3页
3/10
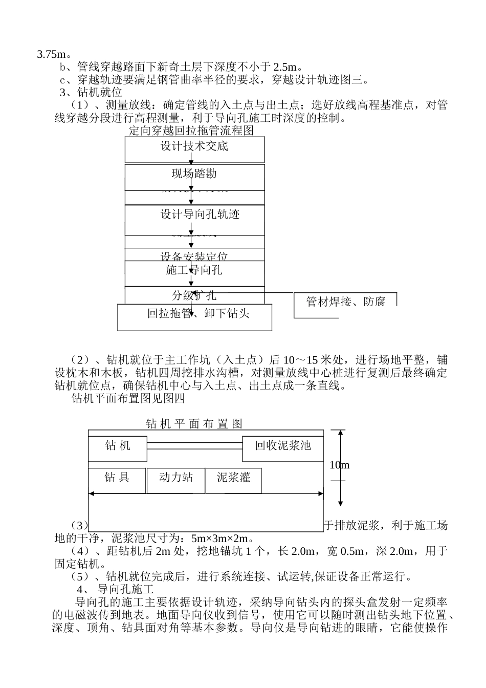
某某工程定向穿越某某工程施工组织设计某某建设有限责任公司二〇〇五年十一月五日目 录(一) 工程概况(二) 实施工程的地质情况(三) 施工技术方案(四) 工期计划安排(五) 质量保证措施(六) 设备机具配备(七) 人员组织安排(八) 文明施工管理(九) 安全生产管理(十) 提交的竣工技术资料某某工程施 工 组 织 设 计(一) 工程概况某某污水工程,某某工程定向穿越某工程,不宜实行明挖开槽方法施工,从施工工期、施工简便、经济等综合因素考虑,采纳定向穿越的施工方法完成。此段所铺设的管径为 HDΦ400㎜,根据穿越段路面宽度、地下管线分布情况以及穿越段两端的埋深情况,确定穿越铺设高压管线的长度为 48m。(二)实施工程的地质情况1、管线定向穿越段地形、地貌情况:根据所铺设管道的设计要求,结合对穿越现场的实地勘查,该定向穿越地形图、地貌情况见图一2、 定向穿越的地层主要为:第 1 层:素填土或杂填土,杂色、松散。 第 2 层:灰质粘土,绘黄色,饱和,偏高压缩性,含铁锈斑。第 3 层:淤泥质粉质粘土,灰色,软~流塑,高压缩性。第 4 层:粉质粘土,暗绿色,饱和,中等~低压缩性。 (三) 施工技术方案1、定向穿越回拉拖管流程图见图二2、导向孔轨迹设计根据所铺设管道的设计要求及技术交底情况,本段管线定向穿越主要考虑以下几方面的因素:a、出、入土点距某某路 11m、2m,穿越管线入、出土点两端埋深分别为3.75m。b、管线穿越路面下新奇土层下深度不小于 2.5m。c、穿越轨迹要满足钢管曲率半径的要求,穿越设计轨迹图三。3、钻机就位(1)、测量放线:确定管线的入土点与出土点;选好放线高程基准点,对管线穿越分段进行高程测量,利于导向孔施工时深度的控制。定向穿越回拉拖管流程图图 二 (2)、钻机就位于主工作坑(入土点)后 10~15 米处,进行场地平整,铺设枕木和木板,钻机四周挖排水沟槽,对测量放线中心桩进行复测后最终确定钻机就位点,确保钻机中心与入土点、出土点成一条直线。钻机平面布置图见图四钻 机 平 面 布 置 图 15m图 四(3)、在入土点与出土点附近各挖一个泥浆池,用于排放泥浆,利于施工场地的干净,泥浆池尺寸为:5m×3m×2m。(4)、距钻机后 2m 处,挖地锚坑 1 个,长 2.0m,宽 0.5m,深 2.0m,用于固定钻机。(5)、钻机就位完成后,进行系统连接、试运转,保证设备正常运行。4、 导向孔施工导向孔的施工主要依据设计轨迹,采纳导...

1、当您付费下载文档后,您只拥有了使用权限,并不意味着购买了版权,文档只能用于自身使用,不得用于其他商业用途(如 [转卖]进行直接盈利或[编辑后售卖]进行间接盈利)。
2、本站所有内容均由合作方或网友上传,本站不对文档的完整性、权威性及其观点立场正确性做任何保证或承诺!文档内容仅供研究参考,付费前请自行鉴别。
3、如文档内容存在违规,或者侵犯商业秘密、侵犯著作权等,请点击“违规举报”。

碎片内容

非开挖式拖管工程施工组织设计

确认删除?
VIP
微信客服
  • 扫码咨询
会员Q群
  • 会员专属群点击这里加入QQ群
客服邮箱
回到顶部