电脑桌面
添加小米粒文库到电脑桌面
安装后可以在桌面快捷访问

高架桥承台桩基础受力计算书

高架桥承台桩基础受力计算书_第1页
1/11
高架桥承台桩基础受力计算书_第2页
2/11
高架桥承台桩基础受力计算书_第3页
3/11
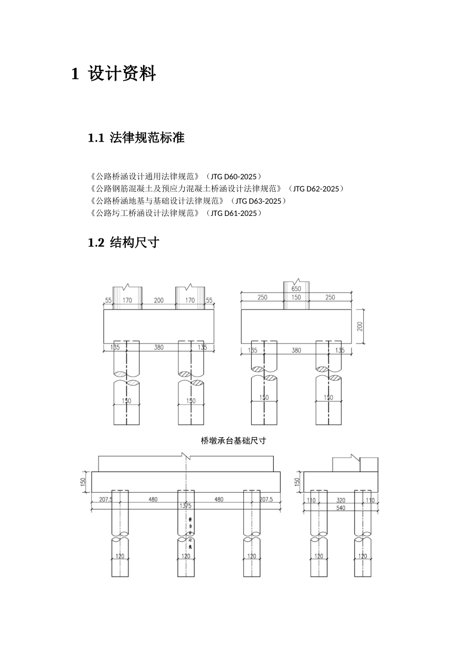
XX 市南北轴线道路工程(南内环~南外环段)XX 路高架桥承台桩基础计算书编制人:审核人:编制日期:单位名称:1 设计资料1.1 法律规范标准《公路桥涵设计通用法律规范》(JTG D60-2025)《公路钢筋混凝土及预应力混凝土桥涵设计法律规范》(JTG D62-2025)《公路桥涵地基与基础设计法律规范》(JTG D63-2025)《公路圬工桥涵设计法律规范》(JTG D61-2025)1.2 结构尺寸桥墩承台基础尺寸桥台基础尺寸1.3 材料参数参数名称参数值承台材料C30桩基材料C30承台钢筋HRB400桩基钢筋HRB4001.4 荷载信息桥墩集中荷载汇总表荷载名称荷载类型荷载位置(m)集中力(kN)集中矩()桥墩及覆土自重结构重力X0HX0MX0Y0HY0MY0Z-2.5P-1387MZ0恒载结构重力X0HX0MX0Y0HY0MY0Z-2.5P-1.2557e4MZ0梯度温度升温梯度温度X0HX0MX0Y0HY0MY0Z-2.5P252.4MZ0梯度温度降温梯度温度X0HX0MX0Y0HY0MY0Z-2.5P-126.2MZ0汽车最大汽车X0HX0MX0Y0HY0MY0Z-2.5P-4055.9MZ0汽车最小汽车X0HX0MX0Y0HY0MY0Z-2.5P635.9MZ0支座沉降最大基础变位X0HX0MX0Y0HY0MY0Z-2.5P-309.8MZ0支座沉降最小基础变位X0HX0MX0Y0HY0MY0Z-2.5P309.8MZ0汽车制动 1汽车制动X0HX0MX-3783.8Y0HY386.1MY0Z-2.5P0MZ0汽车制动 2汽车制动X0HX0MX3783.8Y0HY-386.1MY0Z-2.5P0MZ0支座摩擦 1支座摩阻X0HX0MX-3579Y0HY627.9MY0Z-2.5P0MZ0支座摩擦 2支座摩阻X0HX0MX3579Y0HY-627.9MY0Z-2.5P0MZ0承台自重结构重力X0HX0MX0Y0HY0MY0Z-1.5P-2112.5MZ0根据上构计算,选取力值最大的(30+45+30)m 跨单项荷载力值输入计算,重要性系数1.1,本次计算选用《桥博基础版 V1.0》进行承台及桩基计算。力值坐标系为整体坐标系,横桥向 X 轴,顺桥向为 Y 轴,Z 轴竖直向上。桥台集中荷载汇总表荷载名称荷载类型荷载位置(m)集中力(kN)集中矩()桥台及覆土自重结构重力X0HX0MX0Y0HY0MY0Z-2.5P-2928MZ0支座反力结构重力X0HX0MX0Y0HY0MY0Z-2.5P-8760MZ0汽车制动 1汽车制动X0HX0MX-1351.35Y0HY162MY0Z-2.5P0MZ0汽车制动 2汽车制动X0HX0MX1351.35Y0HY-162MY0Z-2.5P0MZ0土压力土侧压力X0HX0MX-1874.4Y0HY852MY0Z-2.5P0MZ0承台自重结构重力X0HX0MX0Y0HY0MY0Z-1.25P-2784.375MZ0根据上构计算,选取力值最大的(4x30)m 跨单项荷载力值输入计算,重要性系数 1.1,本次计算选用《桥博基础版 V1.0》进行承台及桩基计算。力值坐标系为整体坐标系,坐标轴定义与桥墩坐标系相同。1.5 地质信息1.5.1 钻孔地质资料根据桥位处地勘钻孔信息,...

1、当您付费下载文档后,您只拥有了使用权限,并不意味着购买了版权,文档只能用于自身使用,不得用于其他商业用途(如 [转卖]进行直接盈利或[编辑后售卖]进行间接盈利)。
2、本站所有内容均由合作方或网友上传,本站不对文档的完整性、权威性及其观点立场正确性做任何保证或承诺!文档内容仅供研究参考,付费前请自行鉴别。
3、如文档内容存在违规,或者侵犯商业秘密、侵犯著作权等,请点击“违规举报”。

碎片内容

高架桥承台桩基础受力计算书

领读文化+ 关注
实名认证
内容提供者

传播文化,铸就未来

确认删除?
VIP
微信客服
  • 扫码咨询
会员Q群
  • 会员专属群点击这里加入QQ群
客服邮箱
回到顶部