电脑桌面
添加小米粒文库到电脑桌面
安装后可以在桌面快捷访问

一榀框架计算书

一榀框架计算书_第1页
1/45
一榀框架计算书_第2页
2/45
一榀框架计算书_第3页
3/45
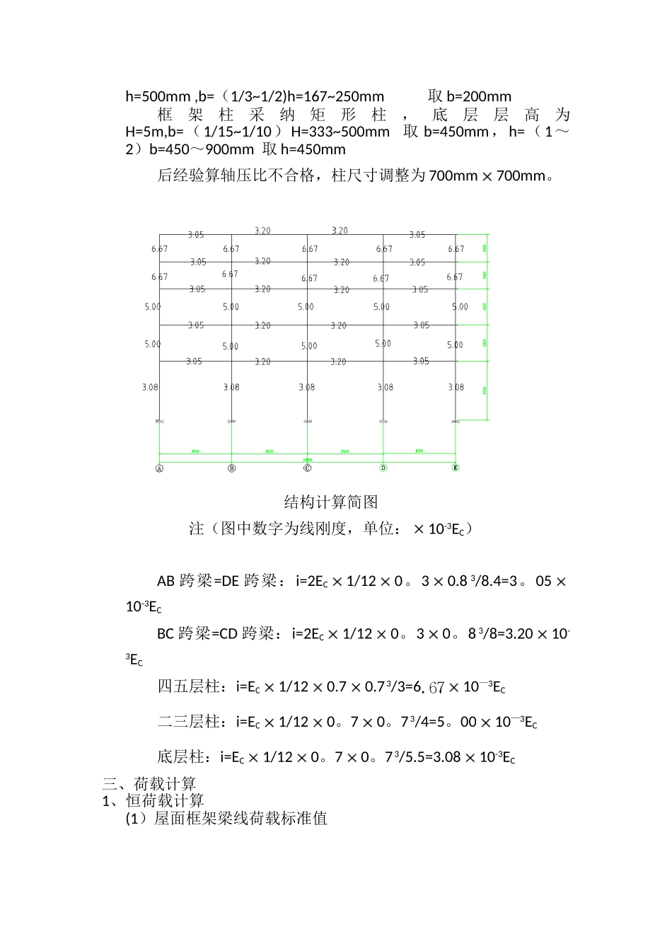
一、设计资料1、工程概况上海杨浦科技园区活动中心建筑与结构设计,采纳现浇混凝土框架结构,主体结构为五层,一至五层建筑物层高分别为5m、4m、4m、3m、3m.建筑为上人屋面,楼顶有突出的小房间,层高为 3m。建筑面积约为 5778。2 m²。±0.000 相当于绝对标高 2。50m,室内外高差为 450mm.2、基本参数本设计安全等级为二级,抗震设防烈度为七度,设计基本地震加速度为 0.10g,设计地震分组为一组,抗震等级为三级,轴压比限值取 0。85。地面粗糙类别为 C 类,基本风压为0。55kN/ m²,基本雪压为 0.2N/m², 本 设 计 均 采 纳 混 凝 土 强 度 C40 : fc=19.1N /mm²,ft=1。71N/mm2, ftk=2。39N/mm²,普通钢筋强度采纳HRB 400:fy=360N/mm²,f yk= 400N/m m².二、结构布置和计算简图结构平面布置图框架梁柱截面尺寸确定主梁跨度为 l0=8.4m ,h=(1/15~1/10)l0=560~840mm 取h=700mm,b=(1/3~1/2)h=233~350mm 取 b=350mm,中间各梁调整 b=300mm。后经计算周期比不满足要求,边梁调整为 h=900mm,中间各梁调整为 h=800mm。次 梁 跨 度 为 l0=8m ,h=(1/18 ~ 1/12 ) l0=444~667mm 取h=500mm ,b=(1/3~1/2)h=167~250mm 取 b=200mm框架柱采纳矩形柱,底层层高为H=5m,b=(1/15~1/10)H=333~500mm 取 b=450mm,h=(1~2)b=450~900mm 取 h=450mm后经验算轴压比不合格,柱尺寸调整为 700mm700mm。结构计算简图注(图中数字为线刚度,单位:10-3EC)AB 跨梁=DE 跨梁:i=2EC1/120。30.8 3/8.4=3。0510-3ECBC 跨梁=CD 跨梁:i=2EC1/120。30。8 3/8=3.2010-3EC四五层柱:i=EC1/120.70.7 3/3=610—3EC二三层柱:i=EC1/120。70。7 3/4=5。0010—3EC底层柱:i=EC1/120。70。7 3/5.5=3.0810-3EC三、荷载计算1、恒荷载计算(1)屋面框架梁线荷载标准值40 厚 C20 细石砼 0.0425=1。00KN/m225 厚挤塑保温板 0。170.025=0.004KN/m2SBS 防水卷材一道 0.35 KN/m220 厚 1:25 水泥砂浆找平 200。02=0.40KN/m220 厚 1:25 水泥砂浆找平 200。02=0。40KN/m2120 厚现浇混凝土屋面板 250.12=3。00KN/m212 厚水泥砂浆吊顶 200.012=0.24KN/m2屋面恒荷载 5。394 KN/m2取 5.40KN/m2 (AB、BC、CD、DE 跨)框架梁自重 0。30.825=6KN/m梁侧粉刷 (0.8—0.12)200.022=0。544KN/m合计 6。55 KN/m因此,作用在顶层框架梁上的线荷载为:g5AB1=g5BC1=g5CD1= g5DE11=6。55KN...

1、当您付费下载文档后,您只拥有了使用权限,并不意味着购买了版权,文档只能用于自身使用,不得用于其他商业用途(如 [转卖]进行直接盈利或[编辑后售卖]进行间接盈利)。
2、本站所有内容均由合作方或网友上传,本站不对文档的完整性、权威性及其观点立场正确性做任何保证或承诺!文档内容仅供研究参考,付费前请自行鉴别。
3、如文档内容存在违规,或者侵犯商业秘密、侵犯著作权等,请点击“违规举报”。

碎片内容

一榀框架计算书

不二商店+ 关注
实名认证
内容提供者

我是你的不二选择

确认删除?
VIP
微信客服
  • 扫码咨询
会员Q群
  • 会员专属群点击这里加入QQ群
客服邮箱
回到顶部