电脑桌面
添加小米粒文库到电脑桌面
安装后可以在桌面快捷访问

任意弯管的计算

任意弯管的计算_第1页
1/3
任意弯管的计算_第2页
2/3
任意弯管的计算_第3页
3/3
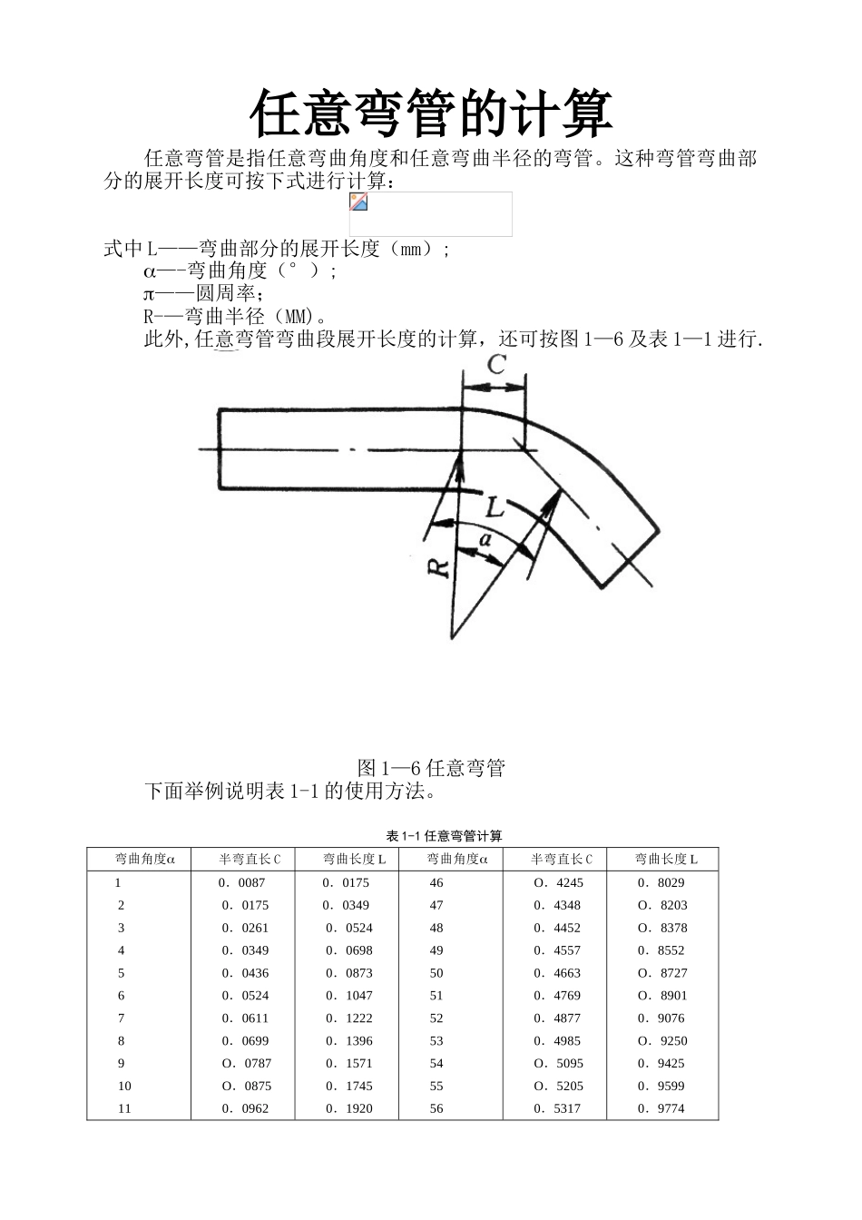
任意弯管的计算任意弯管是指任意弯曲角度和任意弯曲半径的弯管。这种弯管弯曲部分的展开长度可按下式进行计算:式中 L——弯曲部分的展开长度(mm);—-弯曲角度(°);——圆周率;R-—弯曲半径(MM)。此外,任意弯管弯曲段展开长度的计算,还可按图 1—6 及表 1—1 进行.图 1—6 任意弯管下面举例说明表 1-1 的使用方法。表 1-1 任意弯管计算弯曲角度半弯直长 C弯曲长度 L弯曲角度半弯直长 C弯曲长度 L 1 2 3 4 5 6 7 8 9 10 110.0087 0.0175 0.0261 0.0349 0.0436 0.0524 0.0611 0.0699 O.0787 O.0875 0.09620.01750.0349 0.0524 0.0698 0.0873 0.1047 0.1222 0.1396 0.1571 0.1745 0.1920 46 47 48 49 50 51 52 53 54 55 56 O.4245 0.4348 0.4452 0.4557 0.4663 0.4769 0.4877 0.4985 O.5095 O.5205 0.5317 0.8029 O.8203 O.8378 0.8552 O.8727 O.8901 0.9076 O.9250 0.9425 0.9599 0.9774 12 13 14 15 16 17 18 19 20 21 22 23 24 25 26 27 28 29 303132 33 34 35 36 37 38 39 40 41 42 43 44 45 0.1051 0.1139 0.1228 0.1316 0.1405 0.1494 0.1584 0.1673 0.1763 0.1853 0.1944 0.2034 0.2126 0.2216 0.2309 0.2400 0.2493 0.2587 0.2679 O.27730.2867 O.2962 O.3057 0.3153 0.3249 O.3345 O.3443 0.3541 0.3640 0.3738 0.3839 0.3939 0.4040 0.4141 0.2094 0.2269 0.2443 0.2618 0.2793 O.2967 0.3142 0.3316 0.3491 O.3665 0.3840 0.4014 0.4189 0.4363 0.4538 0.4712 0.4887 0.5061 0.5236 0.5411O.5585 0.5760 0.5934 0.6109 O.6283 0.6458 O.6632 O.6807 0.6981 0.7156 O.7330 0.7505 0.7679 O.7854 57 58 59 60 61 6263 64 65 66 6768 69 70 71 72 73 74 75 76 77 78 79 80 8182 83 84 85 86 87 88 89 90 O.5429 0.5543 O.5657 0.5774 0.5890 0.60090.6128 O.6249 0.6370 0.6494 0.6618 0.6745 O.6872 0.7002 0.7132 O.7265 O.7399 0.7536 0.7673 0.78130.7954 O.8098 O.8243 0.8391 0.8540 O.8693 O.8847 0.9004 0.9163 0...

1、当您付费下载文档后,您只拥有了使用权限,并不意味着购买了版权,文档只能用于自身使用,不得用于其他商业用途(如 [转卖]进行直接盈利或[编辑后售卖]进行间接盈利)。
2、本站所有内容均由合作方或网友上传,本站不对文档的完整性、权威性及其观点立场正确性做任何保证或承诺!文档内容仅供研究参考,付费前请自行鉴别。
3、如文档内容存在违规,或者侵犯商业秘密、侵犯著作权等,请点击“违规举报”。

碎片内容

任意弯管的计算

您可能关注的文档

范哲铺+ 关注
实名认证
内容提供者

想你所想,急你所急,你需要的都在店铺里可以找到。

相关文档

确认删除?
VIP
微信客服
  • 扫码咨询
会员Q群
  • 会员专属群点击这里加入QQ群
客服邮箱
回到顶部