电脑桌面
添加小米粒文库到电脑桌面
安装后可以在桌面快捷访问

制造业成本控制及财务分析要点

制造业成本控制及财务分析要点_第1页
1/3
制造业成本控制及财务分析要点_第2页
2/3
制造业成本控制及财务分析要点_第3页
3/3
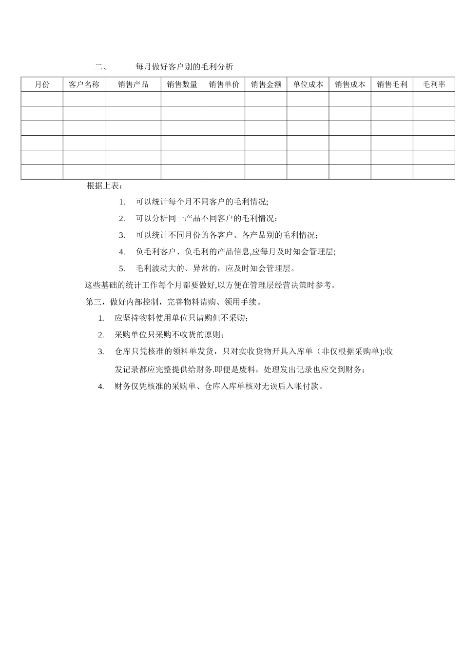
制造业成本控制及财务分析要点第一,成本控制方面,主要还是从料工费三个方面着手。一、 材料成本控制1.了解、审核、合理制定各产品的 BOM 表(物料表),并明确相关材料分别在哪个工序投入。1)对于哪些直接材料列入 BOM 范围,这个事先必须有明确的规定。一般来说,同类但不同规格的产品,耗用的材料品种是差不多的,主要差异应该在耗用量上.2)对不同类别的产品,特别耗用材料的,都要心中有数。3)每月生产单位、仓库作好材料领用记录,月底作好材料的盘点工作,特别是针对大宗材料、单价比较高的材料,一定要每月盘点,确保库存准确,同时也确保当月实际耗用数正确。4)每月底,必须确认当月入库的完工产品数量,每月底必须盘点在制品数量,并确定在制品停留的工序。5)结合 BOM,计算当月完工产品应投入的理论耗用量;结合月末在制品的数量及停留站别,根据 BOM 确定的材料投入工序顺序,计算确定在制品的理论耗用量; 如此,确定当月生产投入按 BOM 计算应该耗费的材料数量;6)对比当月材料实际发出数量,与理论耗用量,确定每种材料的超耗率或节约率。超耗与节约的金额,应按实际情况在入库完工产品与在制品之间进行分配。7)针对材料耗用异常,应要求生产单位提出解释说明。如发现是 BOM 设定有误或不合理的,应及时修正 BOM 表,如属于生产过程中的问题,则应该要生产管理单位提出改进措施,财务部应及时跟踪改进效果.二、 直接人工成本控制1.合理制定各产品的工序表,确定每道工序的计件工资;2.计算当月的应付计件工资:1)每月应根据入库的完工产品计算完工产品的计件工资;2)根据月末在制品的停留工序及对应工序的工序单价,计算在制品计件工资;3)上述两项相加,扣减上月末已计算的在制品计件工资,得出当月应支付的计件工资。假如在制品每月差异不大,或者生产单位同意,每月计件工资的计算只算完工入库产品的,也是可以,但方法一旦确定,就要延续下去,不能随意更改。4)人资单位计算计件工资的产量,必须是财务部确认的数量,不能仅依据生产部门提供的数据。当月计算的计件工资总额,必须有财务审核确认,但财务可以不参加计件工资总额在各生产工人中的分配。三、 制造费用控制1.必须了解匹配本单位产品的制造费用大项,了解费用的特性;2.确保费用入帐的及时性及均衡性;3.确保费用分摊规则的合理性;第二,做好销售利润分析。一、做好每月产值统计:每月产量确认后,应根据已经核准的单位产值(集团指导价)计算确认当月产出的...

1、当您付费下载文档后,您只拥有了使用权限,并不意味着购买了版权,文档只能用于自身使用,不得用于其他商业用途(如 [转卖]进行直接盈利或[编辑后售卖]进行间接盈利)。
2、本站所有内容均由合作方或网友上传,本站不对文档的完整性、权威性及其观点立场正确性做任何保证或承诺!文档内容仅供研究参考,付费前请自行鉴别。
3、如文档内容存在违规,或者侵犯商业秘密、侵犯著作权等,请点击“违规举报”。

碎片内容

制造业成本控制及财务分析要点

您可能关注的文档

确认删除?
VIP
微信客服
  • 扫码咨询
会员Q群
  • 会员专属群点击这里加入QQ群
客服邮箱
回到顶部