电脑桌面
添加小米粒文库到电脑桌面
安装后可以在桌面快捷访问

劳动力、-机械设备和材料投入计划

劳动力、-机械设备和材料投入计划_第1页
1/11
劳动力、-机械设备和材料投入计划_第2页
2/11
劳动力、-机械设备和材料投入计划_第3页
3/11
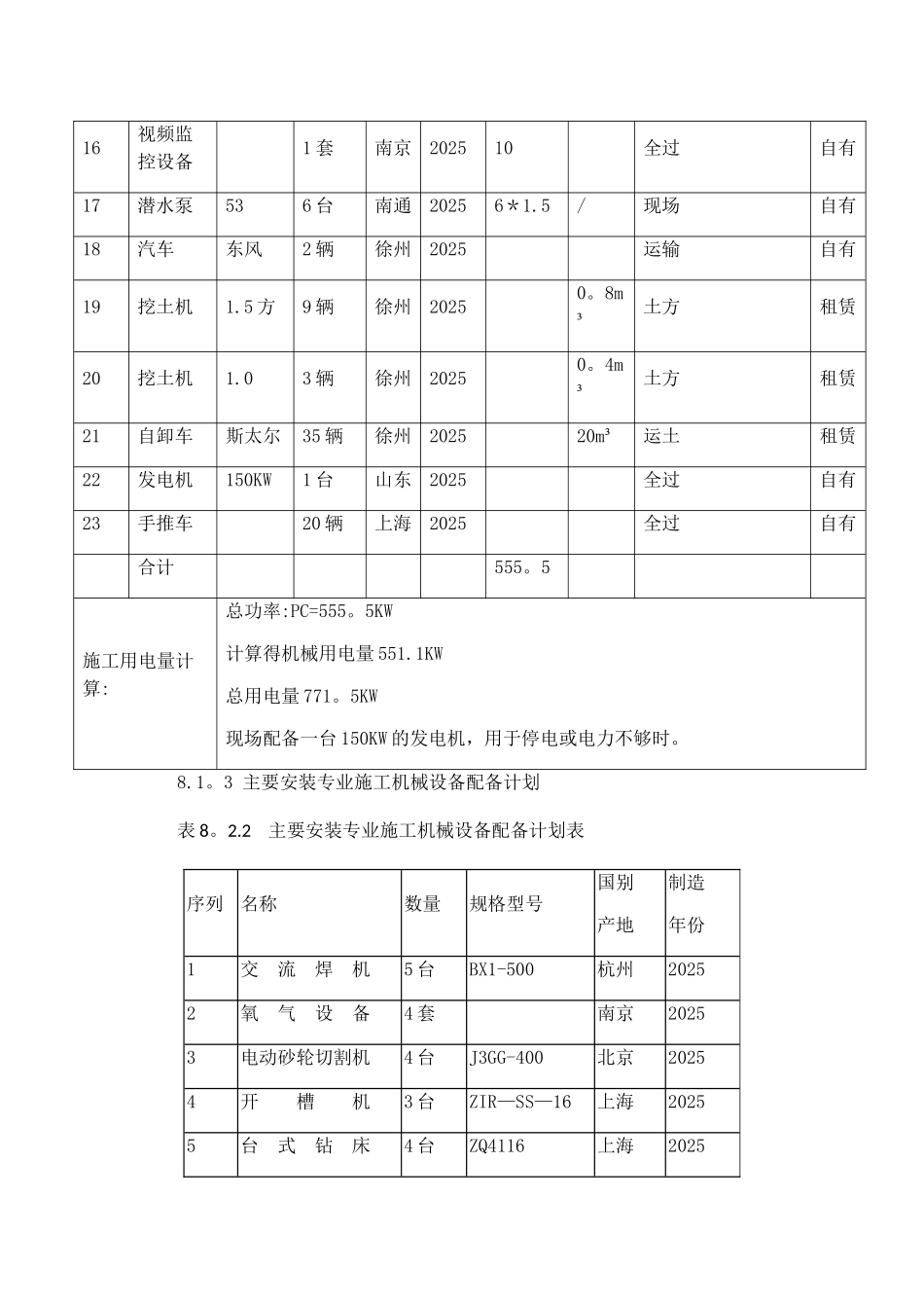
劳动力、机械设备及材料投入计划8.1 机械设备投入8.1。1 关键设备选择8.1。1。1 施工塔吊(1)选择原则1)根据各阶段施工总平面合理布置便于材料吊装,尽量减少地上部分材料水平倒运。2)塔吊配备数量及布置应尽量覆盖裙楼区域,尽量避开吊装盲区。3)塔吊布置位置尽量减少对施工的影响。4)塔吊起吊性能及配备数量能满足材料吊运的需要。5)塔吊吊运能力满足本工程专业分包需求。6)塔吊总体费用相对节约。7)塔吊选型为市面上主流品种,零配件及售后服务网络能完全覆盖工程所在地。8) 与公司有良好合作关系,塔吊安全及劳动力投入有保障,要选择重合同守信用单位。(2)塔吊选择本工程选择 13 台 QTZ40A 塔吊,吊运范围覆盖施工场地。实行挖孔桩+混凝土复合承台基础,塔吊基础灌注桩及基础混凝土施工时掺入早强剂,在垫层施工前塔吊安装完毕。8。1.1.2 施工电梯本工程二次结构开始后,故考虑选择 12 台 SCD200 人货两用电梯。8.1。1。3 混凝土输送设备的选型(1)混凝土输送泵机械施工时各采纳 SY5392THB 型 42 米臂长的汽车泵浇筑。序号设备名称型号规格数 量国别产地制造年份额定功率(KW)生产能力用于部位备注1塔吊QTZ40A13 台徐州202535*1345t。m施工自有2人货梯SCD20012 座上海202515*121T结构自有4汽车泵SY5392THB2 辆徐州2025/50m³/h结构租赁5平板式振动机/4 台上海20254*5/砼、土方自有6插入式振动机Ф5030 根安微202530*1。5/砼自有7圆盘锯Ф6002 台上海20252*1.5/模板自有8钢筋弯曲机6-40mm2 台上海20252*5.5/钢筋自有9平板刨MB1032 台山东2*3。5模板自有10对焊机150 型1 台南通2025100钢筋自有11钢筋切断机6—40mm2 台南通20252*5。5/钢筋自有12电焊机/2 台上海202520/土建/机电自有13镝灯 3kW2 盏上海20252*3全过自有14电渣压力焊LDZ 10 台南通20254*10钢筋自有15直螺纹滚压机 401 台南京20253.5钢筋自有16视频监控设备 1 套南京202510全过自有17潜水泵536 台南通20256*1.5/现场自有18汽车东风2 辆徐州2025运输自有19挖土机1.5 方9 辆徐州20250。8m³土方租赁20挖土机1.03 辆徐州20250。4m³土方租赁21自卸车斯太尔35 辆徐州202520m³运土租赁22发电机150KW1 台山东2025全过自有23手推车20 辆上海2025全过自有合计555。5施工用电量计算:总功率:PC=555。5KW 计算得机械用电量 551.1KW总用电量 771。5KW现场配备一台 150KW 的发电机,用于停电或电力不够时。8.1。3 主要安装专业施...

1、当您付费下载文档后,您只拥有了使用权限,并不意味着购买了版权,文档只能用于自身使用,不得用于其他商业用途(如 [转卖]进行直接盈利或[编辑后售卖]进行间接盈利)。
2、本站所有内容均由合作方或网友上传,本站不对文档的完整性、权威性及其观点立场正确性做任何保证或承诺!文档内容仅供研究参考,付费前请自行鉴别。
3、如文档内容存在违规,或者侵犯商业秘密、侵犯著作权等,请点击“违规举报”。

碎片内容

劳动力、-机械设备和材料投入计划

您可能关注的文档

确认删除?
VIP
微信客服
  • 扫码咨询
会员Q群
  • 会员专属群点击这里加入QQ群
客服邮箱
回到顶部