电脑桌面
添加小米粒文库到电脑桌面
安装后可以在桌面快捷访问

危险化学品重大危险源车间在线量的计算

危险化学品重大危险源车间在线量的计算_第1页
1/4
危险化学品重大危险源车间在线量的计算_第2页
2/4
危险化学品重大危险源车间在线量的计算_第3页
3/4
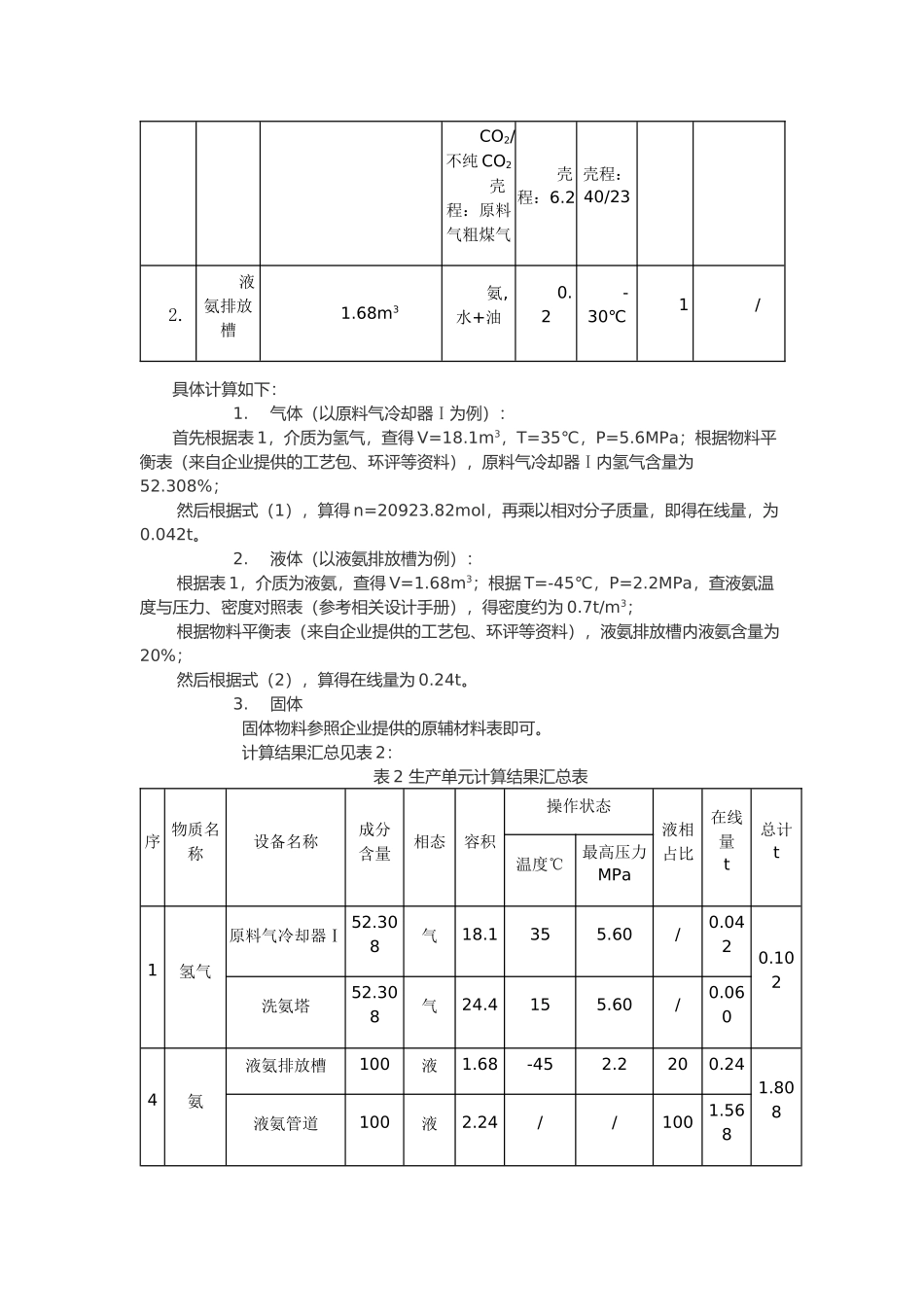
危险化学品重大危险源车间在线量的计算摘要:重大危险源,是指长期地或者临时生产、搬运、使用或者储存危险物品,且危险物品的数量等于或者超过临界量的单元(包括场所和设施),根据相关法规、法规,文章提出一些在辨识过程中的计算方法及要点。关键词:重大危险源;在线量;计算引言重大危险源的辨识、分级根据《危险化学品重大危险源辨识》GB18218-2018 进行,在该标准的第 4.2 节列出了辨识方法。在实际应用过程中,准确计算各生产、储存单元物质实际存在量是辨识过程的关键。储存单元如储罐、仓库,其物质存在量计算相对简单,根据企业提供的设备数据、物料表可以很快计算得出。与储存单元不同的是,车间涉及不同设备,设备内物料种类多,因而生产单元车间在线量的计算就相对繁琐。在工作中还遇到过有一部分工程人员对计算方法不熟悉,直接估算。对此,本文给出一些计算方法供参考。1 推荐的计算方法反应釜等生产设备根据生产装置的容积、物质密度及实际生产情况进行估算,具体数值由企业提供,设备内若涉及多种物质,则根据投料量、物料平衡分别计算各具体物质在线量。气体的质量计算采用理想气体状态方程(克拉珀龙方程)方法计算:PV=nRT (1)其中:P—压力,单位:Pa;V—体积,单位 m3;n--物质的量,单位:mol;T--温度,单位:K;R--摩尔气体常数,8.3145J·mol-1·K-1。液体物料采用下列计算公式:m=ρV (2)其中:m—质量,单位 kg;ρ—密度,单位 kg/m3;V—体积,单位 m3下面以某厂合成气净化装置为例,描述具体的计算过程。该合成气净化装置列入辨识的物质包括氢气、氨、甲醇、硫磺等多种物质,下面以涉及氢气、液氨的部分设备为例,其规格参数见表 1:表 1 涉及辨识物质的设备规格一览表(部分)序号设备名称规格型号工作介质操作压力Mpa操作温度℃数量材质1.原料气冷却器ⅠDN2580×5300(H) ,V=18.1m3管程:氨合成气/纯管程: 6.2/0.6管程:10/30 1SS304LCO2/不纯 CO2壳程:原料气粗煤气壳程:6.2壳程:40/232.液氨排放槽1.68m3氨,水+油0.2-30℃1/具体计算如下:1.气体(以原料气冷却器Ⅰ为例):首先根据表 1,介质为氢气,查得 V=18.1m3,T=35℃,P=5.6MPa;根据物料平衡表(来自企业提供的工艺包、环评等资料),原料气冷却器Ⅰ内氢气含量为52.308%;然后根据式(1),算得 n=20923.82mol,再乘以相对分子质量,即得在线量,为0.042t。2.液体(以液氨排放槽为例):根据表 1,介质为液氨,查得 V=1.68m...

1、当您付费下载文档后,您只拥有了使用权限,并不意味着购买了版权,文档只能用于自身使用,不得用于其他商业用途(如 [转卖]进行直接盈利或[编辑后售卖]进行间接盈利)。
2、本站所有内容均由合作方或网友上传,本站不对文档的完整性、权威性及其观点立场正确性做任何保证或承诺!文档内容仅供研究参考,付费前请自行鉴别。
3、如文档内容存在违规,或者侵犯商业秘密、侵犯著作权等,请点击“违规举报”。

碎片内容

危险化学品重大危险源车间在线量的计算

您可能关注的文档

最好的沉淀+ 关注
实名认证
内容提供者

行业文档

确认删除?
VIP
微信客服
  • 扫码咨询
会员Q群
  • 会员专属群点击这里加入QQ群
客服邮箱
回到顶部