电脑桌面
添加小米粒文库到电脑桌面
安装后可以在桌面快捷访问

《决策理论和方法》练习题VIP专享VIP免费

《决策理论和方法》练习题_第1页
1/8
《决策理论和方法》练习题_第2页
2/8
《决策理论和方法》练习题_第3页
3/8
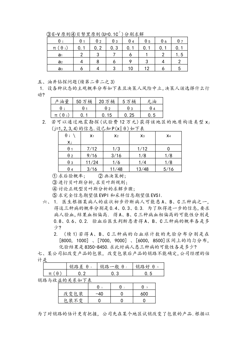
<决策理论和方法>习题1998年第一章概论一、什么是决策?什么是决策分析?决策问题的特点是什么?决策问题有哪些要素?二、用决策树表示下列问题:1.火灾保险2.易腐品进货问题3.油井钻探问题:某公司拥有一块可能有油的土地,该公司可以自己钻井,也可以出租给其它公司开采;若出租土地,租约有两种形式,①无条件出租,租金45万元②有条件出租,租金依产量而定:产量在20万桶或以上时,每桶提成5元;产量不足20万桶时不收租金.设钻井费用为75万元,有油时需另加采油设备费25万元,油价为15元/桶.(为了简化,可以将油井产量离散化,分为4种状态:无油,产油5万桶,产油20万桶,产油50万桶)三、*设油井钻探问题如下:每次钻井费用10万元,有油时售油收入100万元,有油的概率为0.2,无油的概率为0.8.问无油时该继续钻井否?若该,钻几次仍无油时停止钻井?第二章主观概率和先验分布(SubjectiveProbability&PriorDistribution)一、为什么要引入主观概率?试比较主、客观概率的异同.如何设定先验分布?二、1.阅读<决策分析>§6.3.42.两人一组,一人充当决策人,一人充当决策分析人,就来年国民经济增长率的先验分布进行对话,并画出对话所得的图形曲线.互换角色,就就来年通涨率的先验分布进行对话.三、设某个决策人认为产品售出400件的可能性是售出800件的可能性的1/3,是售出1200件的可能性的1/2,与售出1600件的可能性相同,售出800件的可能性售出1200件的可能性的两倍,是售出1600件的可能性的3倍;售出1200件的可能性比售出1600件的可能性的大2倍.求该决策人关于产品销售量的主观概率分布.第三章效用、损失和风险(Utility、Loss&Risk)一、什么是效用?基数效用与序数效用有何区别?采用效用进行决策分析有何利弊?二、某人请3个朋友吃饭,他不知道究竟能来几人.设各种状态的主观概率如下表所示.设此人的效用函数u=x-2y-z.其中x是为朋友预订的客饭有人吃的份数,y状态θ1θ2θ3θ4来客人数01231/81/41/43/8是来了吃不到饭的客人数,z是预订了客饭没有人吃的份数,求他该为朋友订几份客饭?(设每人吃一份,不得分而食之)三、某人有资产1000用于购买股票,A种股票有70%的机会增值一倍30%的可能连本丢掉;B种股票有60%的机会增值一倍40%的可能连本丢掉.设此人的效用U与收益X的函数关系是U(x)=ln(x+3000).决策人用m购A种股票,1000-m购B种股票.求m.四、某厂考虑两种生产方案产品A可以0.3的概率获利5万元,以0.2的概率获利8万元,以0.5的概率获利9万元;产品B肯定可以获利8万元.决策人甲的效用函数为线性,即U1(x)=x;决策人乙的效用函数U2(x)=x/5当0≤x≤54x-10-x/5当5≤x≤101.画出两个决策人的效用曲线.2.甲乙两个决策人分别作何选择?3.若生产AB两种产品均需另加5万元的固定成本,甲乙两个决策人又该作何选择?五、画出你的关于货币的效用曲线并作简要说明.六、把一副扑克牌的四张A取出,牌面向下洗匀后排在桌面上.你可以从下列两种玩法中任选一种:1先任意翻开一张再决定:a)付出35元,叫停;或者b)继续翻第二张,若第二张为红你可收入100元,第二张为黑则付出100元;⑵任意翻开一张,若此牌为红你可收入100元,为黑则付出100元;1.画出此问题的决策树2.设某决策人的效用函数u=,他该选何种玩法?七、(PeterbergParadox)一个人付出C元即可参加如下的赌博:抛一枚硬币,若第N次开始出现正面,则由庄家付给2元.在这种赌博中,参加者的期望收益为==∞但是,很少有人愿意出较大的C.试用效用理论对此加以证明.第四章贝叶斯分析(BayeseanAnalysis)一、1.风险型和不确定型决策问题的区别何在?各有哪些求解方法?2.什么是贝叶斯分析?贝叶斯分析的正规型与扩展型有何区别?二、用Molnor的六项条件逐一衡量下列原则:①Minmax②Minmin③Hurwitz④Savage-Hiehans⑤Laplace三、不确定型决策问题的损失矩阵如下表.用上题所列五种原则分别求解.(在用Hurwitz原则求解时,讨论λ的取值对结果的影响)a1a2a3a4θ1-4-10-12-8θ2-18-24-6-13θ3-60-6-10θ4-14-8-10-4四、某决策问题的收益矩阵如下表.试用①最大可能值原则②Bayes原则③E-V原则④贝努里原则(U=0.1C)分别求解θiθ1θ2θ3θ4θ5θ6θ7π(θi)0.10.20.30.10.10.10.1a12376121.5a24869342a3643101265五、油井钻探问题(续第二章二之3)...

1、当您付费下载文档后,您只拥有了使用权限,并不意味着购买了版权,文档只能用于自身使用,不得用于其他商业用途(如 [转卖]进行直接盈利或[编辑后售卖]进行间接盈利)。
2、本站所有内容均由合作方或网友上传,本站不对文档的完整性、权威性及其观点立场正确性做任何保证或承诺!文档内容仅供研究参考,付费前请自行鉴别。
3、如文档内容存在违规,或者侵犯商业秘密、侵犯著作权等,请点击“违规举报”。

碎片内容

《决策理论和方法》练习题

确认删除?
VIP
微信客服
  • 扫码咨询
会员Q群
  • 会员专属群点击这里加入QQ群
客服邮箱
回到顶部