电脑桌面
添加小米粒文库到电脑桌面
安装后可以在桌面快捷访问

分包管理办法XXXX0401VIP免费

分包管理办法XXXX0401_第1页
1/39
分包管理办法XXXX0401_第2页
2/39
分包管理办法XXXX0401_第3页
3/39
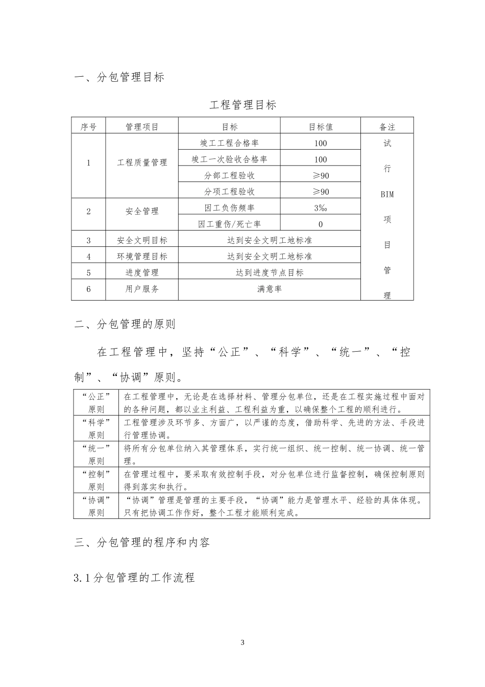
安博重庆空港物流中心项目Ⅰ期工程EPC工程总承包分包管理办法中机中联工程有限公司目录1一、分包管理目标.......................................................................................................3二、分包管理的原则..................................................................................................3三、分包管理的程序和内容....................................................................................33.1分包管理的工作流程...................................................................................33.2分包管理的过程控制程序.........................................................................4四、分包管理实施细则.............................................................................................54.1、总则.......................................................................................................54.2、进场须知.......................................................................................................54.3、教育培训.......................................................................................................54.4、组织管理规定...........................................................................................64.5、教育培训.......................................................................................................84.6、组织管理规定........................................................................................104.7、组织管理规定........................................................................................124.8、组织管理规定........................................................................................134.9、组织管理规定........................................................................................214.10、文明施工管理......................................................................................254.12、成品保护管理规定............................................................................294.13、生活区后勤管理规定.......................................................................314.14:其他............................................................................................................33五、EPC总承包工程报验样表.............................................................................342一、分包管理目标工程管理目标序号管理项目目标目标值备注1工程质量管理竣工工程合格率100试行BIM项目管理竣工一次验收合格率100分部工程验收≥90分项工程验收≥902安全管理因工负伤频率3‰因工重伤/死亡率03安全文明目标达到安全文明工地标准4环境管理目标达到安全文明工地标准5进度管理达到进度节点目标6用户服务满意率二、分包管理的原则在工程管理中,坚持“公正”、“科学”、“统一”、“控制”、“协调”原则。“公正”原则在工程管理中,无论是在选择材料、管理分包单位,还是在工程实施过程中面对的各种问题,都以业主利益、工程利益为重,以确保整个工程的顺利进行。“科学”原则工程管理涉及环节多、方面广,以严谨的态度,借助科学、先进的方法、手段进行管理协调。“统一”原则将所有分包单位纳入其管理体系,实行统一组织、统一控制、统一协调、统一管理。“控制”原则在管理过程中,要采取有效控制手段,对分包单位进行监督控制,确保控制原则得到落实和执行。“协调”原则“协调”管理是管理的主要手段,“协调”能力是管理水平、经验的具体体现。只有把协调工作作好,整个工程才能顺利完成。三、分包管理的程序和内容3.1分包管理的工作流程3工期目标、质量目标安全目标、企业形象目标、文明施工目标成本/效益目标业主...

1、当您付费下载文档后,您只拥有了使用权限,并不意味着购买了版权,文档只能用于自身使用,不得用于其他商业用途(如 [转卖]进行直接盈利或[编辑后售卖]进行间接盈利)。
2、本站所有内容均由合作方或网友上传,本站不对文档的完整性、权威性及其观点立场正确性做任何保证或承诺!文档内容仅供研究参考,付费前请自行鉴别。
3、如文档内容存在违规,或者侵犯商业秘密、侵犯著作权等,请点击“违规举报”。

碎片内容

分包管理办法XXXX0401

确认删除?
VIP
微信客服
  • 扫码咨询
会员Q群
  • 会员专属群点击这里加入QQ群
客服邮箱
回到顶部