电脑桌面
添加小米粒文库到电脑桌面
安装后可以在桌面快捷访问

工研中心员工管理办法大纲VIP免费

工研中心员工管理办法大纲_第1页
1/4
工研中心员工管理办法大纲_第2页
2/4
工研中心员工管理办法大纲_第3页
3/4
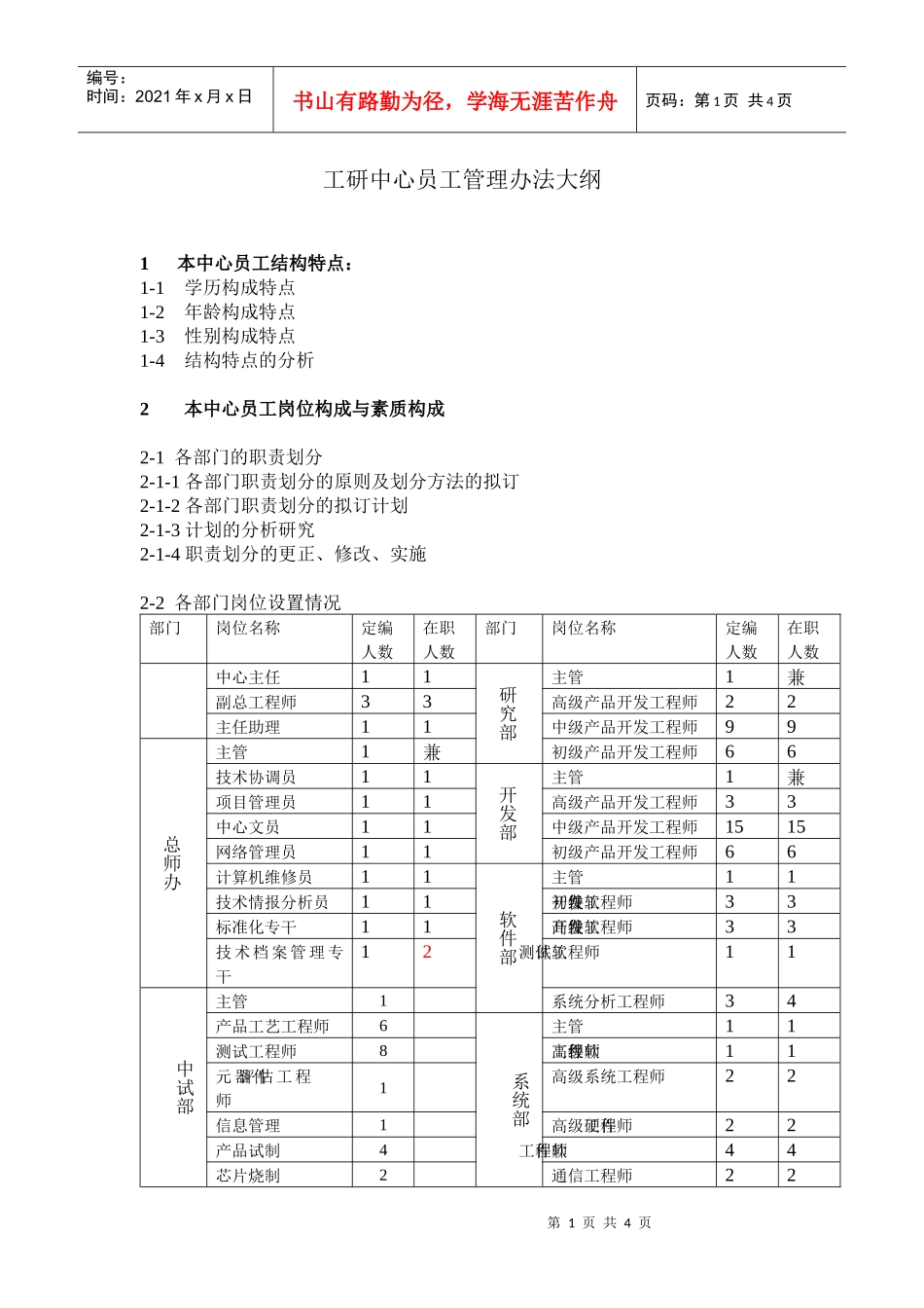
第1页共4页编号:时间:2021年x月x日书山有路勤为径,学海无涯苦作舟页码:第1页共4页工研中心员工管理办法大纲1本中心员工结构特点:1-1学历构成特点1-2年龄构成特点1-3性别构成特点1-4结构特点的分析2本中心员工岗位构成与素质构成2-1各部门的职责划分2-1-1各部门职责划分的原则及划分方法的拟订2-1-2各部门职责划分的拟订计划2-1-3计划的分析研究2-1-4职责划分的更正、修改、实施2-2各部门岗位设置情况部门岗位名称定编人数在职人数部门岗位名称定编人数在职人数中心主任11研究部主管1兼副总工程师33高级产品开发工程师22主任助理11中级产品开发工程师99总师办主管1兼初级产品开发工程师66技术协调员11开发部主管1兼项目管理员11高级产品开发工程师33中心文员11中级产品开发工程师1515网络管理员11初级产品开发工程师66计算机维修员11软件部主管11技术情报分析员11初级软件开发工程师33标准化专干11高级软件开发工程师33技术档案管理专干12软件测试工程师11中试部主管1系统分析工程师34产品工艺工程师6系统部主管11测试工程师8高级软件工程师11元器件评估工程师1高级系统工程师22信息管理1高级硬件工程师22产品试制4软件工程师44芯片烧制2通信工程师22第2页共4页第1页共4页编号:时间:2021年x月x日书山有路勤为径,学海无涯苦作舟页码:第2页共4页资料印刷1系统工程师22硬件工程师662-3各部门内部的岗位职责构成2-3-1职位名称2-3-2上下级汇报关系、2-3-3任职条件(学历、专业、工作经验、技能要求、特殊资格要求)2-3-4主要职责及考核办法2-3-5以及批准日期、任职人与上司的签字3工研中心员工的入职管理3-1中心招聘说明书3-1-1管理人员招聘职位说明(职位、任职资格、工作职责)3-1-2技术人员招聘职位说明(职位、任职资格、工作职责)3-1-3一般人员招聘职位说明(职位、任职资格、工作职责)3-2考试管理3-2-1新进人员3-2-1-1新进人员就职考试的拟订3-2-1-2就职考试工作计划的拟订3-2-1-3就职考试的筹办(管理、技术、一般人员)3-2-2在职人员3-2-2-1在职人员进级考试方针的拟订3-2-2-2进级考试的计划工作执行3-2-2-3进级考试的筹办(管理、技术、一般人员)3-2-3考试结果分析汇报3-2-4考试及方法的改进建议3-3培训计划的制定与公司的管理一样,人员培训的管理问题直接关系到培训工作的效益和发展。为适应企业发展需要而开展的培训工作,必须运用现代的管理手段;即培训理念现代化、培训手段现代化、培训方法现代化。步骤工作内容第一步建立以人力资源部为核心的培训组织,合理分配培训资源第二步进行培训需求调研第三步制定培训计划第四步实施培训计划第五步评估培训效果第六步根据评估结果和工作变化要求,调整培训计划,进行有针对性的再培训第3页共4页第2页共4页编号:时间:2021年x月x日书山有路勤为径,学海无涯苦作舟页码:第3页共4页3-3-1建立培训组织3-3-1-1培训决策机构3-3-1-2培训工作专门负责人3-3-1-3培训工作组织者3-3-1-4培训工作实施者3-3-1-5被培训者3-3-2编制单项课程《培训计划》3-3-3编制年度《培训计划》3-3-4就职前培训3-3-4-1就职人员就职前实习及讲习教育方针3-3-4-2就职前培训制度的拟订3-3-4-3就职前一般技术工作的筹办3-3-5进修3-3-5-1从业人员辅助升学方针的拟订3-3-5-2辅助升学计划工作的拟订3-3-5-3辅助升学的筹办3-3-5-4专题培训班参加人员的筹半办A短期B中期C长期3-3-5-5参加其他外出活动的筹备3-3-6培训评估4工研中心员工在职管理4-1技术职称评定管理办法4-1-1总则4-1-2评定对象与评定周期4-1-3评定机构、评定时间、评定程序4-1-4评定方法及主体、评定标准4-1-5技术职称评定结果的使用4-2技术人员项目奖金管理办法4-2-1总则4-2-2项目奖金构成4-2-3项目奖金分配4-2-4项目奖金发放时间4-2-5项目的非正常终止4-2-6项目经理的奖金4-2-7附则第4页共4页第3页共4页编号:时间:2021年x月x日书山有路勤为径,学海无涯苦作舟页码:第4页共4页4-3晋升管理办法4-3-1晋升管理的目的4-3-2晋升资格的审定4-3-3相关技术人员晋升的工作岗位及相应的等级称位(列表)4-3-4晋升政策4-4月度考评管理办法4-4-1月度考评的目的4-4-2月度考评的时间4-4-3阅读考评的内...

1、当您付费下载文档后,您只拥有了使用权限,并不意味着购买了版权,文档只能用于自身使用,不得用于其他商业用途(如 [转卖]进行直接盈利或[编辑后售卖]进行间接盈利)。
2、本站所有内容均由合作方或网友上传,本站不对文档的完整性、权威性及其观点立场正确性做任何保证或承诺!文档内容仅供研究参考,付费前请自行鉴别。
3、如文档内容存在违规,或者侵犯商业秘密、侵犯著作权等,请点击“违规举报”。

碎片内容

工研中心员工管理办法大纲

教育精品店+ 关注
实名认证
内容提供者

优良的服务

确认删除?
VIP
微信客服
  • 扫码咨询
会员Q群
  • 会员专属群点击这里加入QQ群
客服邮箱
回到顶部