电脑桌面
添加小米粒文库到电脑桌面
安装后可以在桌面快捷访问

张仪村项目二次结构监理实施细则_最终版(2)VIP专享VIP免费

张仪村项目二次结构监理实施细则_最终版(2)_第1页
1/20
张仪村项目二次结构监理实施细则_最终版(2)_第2页
2/20
张仪村项目二次结构监理实施细则_最终版(2)_第3页
3/20
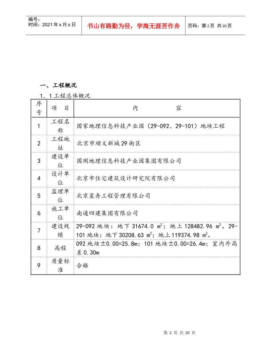
国家地理信息科技产业园(29-092、29-101)二次结构监理实施细则编制人:审批人:北京星舟工程管理有限公司顺义分公司2013年10月3日第1页共20页编号:时间:2021年x月x日书山有路勤为径,学海无涯苦作舟页码:第1页共20页目录一、工程概况……………………………………………………..2二、监理编制和工作依据…………………………………….….4三、监理控制要点………………………………………………5四、监理工作程序………………………………………………...5五、质量监控要点及措施.……………………………………….9六、控制难点及措施.………………………………………….14七.监理实施细则说明.………………………………………….15第2页共20页第1页共20页编号:时间:2021年x月x日书山有路勤为径,学海无涯苦作舟页码:第2页共20页一、工程概况1.1工程总体概况序号项目内容1工程名称国家地理信息科技产业园(29-092、29-101)地块工程2工程地址北京市顺义新城29街区3建设单位国测地理信息科技产业园集团有限公司4设计单位北京市住宅建筑设计研究院有限公司5监理单位北京星舟工程管理有限公司6施工单位南通四建集团有限公司7建设规模29-092地块:地下31674.0m2;地上128482.96m2。29-101地块:地下30208.63m2;地上119374.98m2。8高程092地块±0.00=25.8m;101地块±0.00=26.4m;室内外高差0.30m9质量标准合格第3页共20页第2页共20页编号:时间:2021年x月x日书山有路勤为径,学海无涯苦作舟页码:第3页共20页1.2设计概况项目内容砌块墙体外墙及楼梯间的二次结构隔墙:采用B06型加气混凝土砌块砌筑;加气块墙砌筑砂浆标号为DM5.0,墙体厚度400、300、200、100;潮湿房间加气块墙底设C20混凝土坎台(高出建筑地面100)。其它的二次结构隔墙:采用BM轻集料混凝土砌块砌筑;采用专用粘结砂浆砌筑,标号为DM5.0,墙体厚度200;底部第一层砌块的孔内满灌C20混凝土。建筑层高主楼地下室6.4m;附属车库地下室4.6m;首层4.5m;标准层3.6m墙体砼带(连系梁)位置门洞口顶、及上方(电梯井道梁按厂家图纸)过梁砼强度C20砼强度C20截面尺寸、配筋按结构设计;(电梯井道门过梁高度为350mm);过梁主筋锚入两端的构造柱内,或植入主体柱内10d。高度200mm(电梯井道圈梁为300mm)构造柱砼强度C20配筋412,¢6@250;(电梯井道圈梁配筋按洽商)截面尺寸、配筋按结构设计抗震设防烈度8度1.3重点和难点分析1、本工程的层高较高,搭设的砌筑操作架须满足使用要求及安全第4页共20页第3页共20页编号:时间:2021年x月x日书山有路勤为径,学海无涯苦作舟页码:第4页共20页要求;2、电梯间墙体砌筑,在满足砌筑施工图集、规范的同时,须满足电梯厂家的要求,圈梁较多、且标高为定尺,增加了砌筑难度。2.4针对性措施1、脚手架由专业班组搭设,须按使用要求搭设,符合相关安全规定。也可采用移动式定型操作架,但须确保架体稳固、满足使用要求。2、电梯间墙体圈梁,宜采用硬支模方式,以满足上部砌体的施工需要;圈梁位置与砌块模数不符时,根据标高需要应加砌灰砂砖或裁切砌块。二、监理编制和工作依据2.1甲方提供的建筑施工图纸以及设计变更通知单2.2项目监理部监理规划2.3规范、规程、图集国家地理信息科技产业园(29-092、29-101)地块施工图《工程施工组织设计》《工程测量规范》GB50026-2007《体工程施工质量验收规范》GB50203-2011《建筑安装分项工程施工工艺规程》DBJ/T01-26-2003《框架结构填充小型空心砌块墙体结构构造》06SG614-1《建筑物抗震构造详图》11G329-6《加气混凝土砌块、条板》12BJ2-3《蒸压加气混凝土建筑应用技术规程》JGJ/T17-2008《SN保温砌块、BM轻集料隔墙砌块》10BJZ58)三、监理控制要点3.1分包资质报审第5页共20页第4页共20页编号:时间:2021年x月x日书山有路勤为径,学海无涯苦作舟页码:第5页共20页3.2材料进场控制3.3施工质量过程控制及验收控制3.4施工资料管理3.5监理资料的形成四、监理工作程序4.1工程材料、构配件和设备质量控制工作程序不合格合格4.2分包单位资格审查工作程序监理工程师审核承包单位使用方法1.审核证明资料2.到厂家考察3.进场材料检验4.进行...

1、当您付费下载文档后,您只拥有了使用权限,并不意味着购买了版权,文档只能用于自身使用,不得用于其他商业用途(如 [转卖]进行直接盈利或[编辑后售卖]进行间接盈利)。
2、本站所有内容均由合作方或网友上传,本站不对文档的完整性、权威性及其观点立场正确性做任何保证或承诺!文档内容仅供研究参考,付费前请自行鉴别。
3、如文档内容存在违规,或者侵犯商业秘密、侵犯著作权等,请点击“违规举报”。

碎片内容

张仪村项目二次结构监理实施细则_最终版(2)

确认删除?
VIP
微信客服
  • 扫码咨询
会员Q群
  • 会员专属群点击这里加入QQ群
客服邮箱
回到顶部