电脑桌面
添加小米粒文库到电脑桌面
安装后可以在桌面快捷访问

第五章-SM05_零件领用流程VIP免费

第五章-SM05_零件领用流程_第1页
1/11
第五章-SM05_零件领用流程_第2页
2/11
第五章-SM05_零件领用流程_第3页
3/11
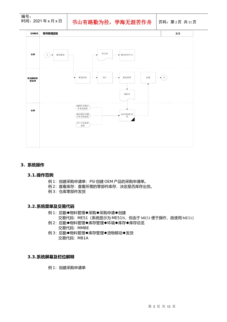
第1页共11页编号:时间:2021年x月x日书山有路勤为径,学海无涯苦作舟页码:第1页共11页第五章-SM05_零件领用流程1.流程说明此流程描述了责任中心和客诉处理人员领用维修零部件的操作流程。责任中心服务人员在处理顾客服务需求时若有零部件需求。则服务人员需填写家具服务单在本责任中心领取零部件。若责任中心无所需的零部件库存,则需填写零件零用单,由责任中心主管审核后,传真至区PSI。区PSI根据零部件属性进行分别处理。客诉处理人员若有零部件需求,也需要填写填写零件领用单并转至PSI,由PSI根据零部件属性进行分别处理。产销部PSI课接到转过来的零件领用单后,查看库存情况。若有库存则批准零件领用单,由相关领用部门提货;若无库存,如为自制品,则创建独立需求,如为OEM产品,则创建采购申请。待答交时间确认后,通知仓库相应人员安排配送出货。责任中心收到零件后,服务填写家具服务单领取零件。2.流程图第2页共11页第1页共11页编号:时间:2021年x月x日书山有路勤为径,学海无涯苦作舟页码:第2页共11页3.系统操作3.1.操作范例例1:创建采购申请单:PSI创建OEM产品的采购申请单。例2:查看库存:查看所需的零部件库存,决定是否库存出货。例3:仓库零部件发货3.2.系统菜单及交易代码例1:后勤物料管理采购采购申请创建交易代码:ME51(系统显示为ME51N,但由于ME51便于操作,故使用ME51)例2:后勤物料管理库存管理环境库存库存总览交易代码:MMBE例3:后勤物料管理库存管理货物移动发货交易代码:MB1A3.3.系统屏幕及栏位解释例1:创建采购申请单第3页共11页第2页共11页编号:时间:2021年x月x日书山有路勤为径,学海无涯苦作舟页码:第3页共11页栏位名称栏位说明资料范例凭证类别采购申请单的类别,此栏位系统默认为标准采购申请单NB科目分配类别服务的采购费用直接计入成本中心,故在此输入K成本中心K交货日期输入服务采购的需求日期工厂在SAP中工厂代表生产工厂、库存地点或办事处。在此可选择总部生产工厂或外地分仓。当采购发生在分仓时,应选择外地分仓的工厂。FW00采购组采购组是对采购部门内部的人员根据不同的职责和岗位进行分组。在此栏位中输入相应的采购组。100物料组由于是服务部门提出的采购申请,为了与其它部门的采购申请区分,输入“60000(服务)”60000其他栏位可用系统默认值,按键进入下一个画面。请注意:回车后,系统会在屏幕最底下一行显示“是否能满足交货日期”的提示,此为系统的再次确认提示,只需要再次回车即可通过。第4页共11页第3页共11页编号:时间:2021年x月x日书山有路勤为径,学海无涯苦作舟页码:第4页共11页栏位名称栏位说明资料范例物料物料指需供应商提供的服务。若系统中有料号,则在此输入物料的编号。若系统中无物料号,则直接在短文本中输入服务项目的描述。短文本描述服务项目换布申请数量输入申请物料数量2UN输入物料数量单位;若为系统现有物料,则系统会自动带出PC交货日期输入需要厂商交货的日期,如果上面一个界面已经输入,在这个屏幕会自动带出2001/03/06物料组如果在上个屏幕已经输入,在这个屏幕系统会自动带出60000按键进入下一个画面。栏位名称栏位说明资料范例评估价格输入采购此服务或产品的价格,如果不能确定价格,输入0.01,采购部会协助确认价格900点击进或者按键进入帐目设置屏幕。第5页共11页第4页共11页编号:时间:2021年x月x日书山有路勤为径,学海无涯苦作舟页码:第5页共11页栏位名称栏位说明资料范例总帐科目选择相应的总帐科目,计入相应的总帐科目。此出需要根据财务部门的要求,根据不同的业务情况选择不同的总帐科目5131040720成本中心选择输入相对应的成本中心,即相应提出采购申请的部门。F0011019点击保存按钮保存此凭证。系统会自动该此凭证编号。第6页共11页第5页共11页编号:时间:2021年x月x日书山有路勤为径,学海无涯苦作舟页码:第6页共11页例2:查看库存:查看所需的零部件库存,决定是否库存出货。第7页共11页第6页共11页编号:时间:2021年x月x日书山有路勤为径,学海无涯苦作舟页码:第7页共11页栏位名称栏位说明资料范例...

1、当您付费下载文档后,您只拥有了使用权限,并不意味着购买了版权,文档只能用于自身使用,不得用于其他商业用途(如 [转卖]进行直接盈利或[编辑后售卖]进行间接盈利)。
2、本站所有内容均由合作方或网友上传,本站不对文档的完整性、权威性及其观点立场正确性做任何保证或承诺!文档内容仅供研究参考,付费前请自行鉴别。
3、如文档内容存在违规,或者侵犯商业秘密、侵犯著作权等,请点击“违规举报”。

碎片内容

第五章-SM05_零件领用流程

确认删除?
VIP
微信客服
  • 扫码咨询
会员Q群
  • 会员专属群点击这里加入QQ群
客服邮箱
回到顶部