电脑桌面
添加小米粒文库到电脑桌面
安装后可以在桌面快捷访问

第十四章-FI14_预开发票流程VIP免费

第十四章-FI14_预开发票流程_第1页
1/26
第十四章-FI14_预开发票流程_第2页
2/26
第十四章-FI14_预开发票流程_第3页
3/26
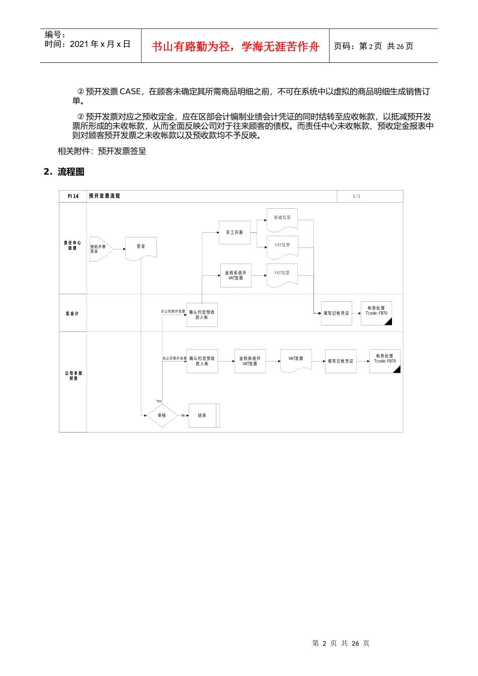
第1页共26页编号:时间:2021年x月x日书山有路勤为径,学海无涯苦作舟页码:第1页共26页第十四章-FI14_预开发票流程1.流程说明本流程中适用于因应顾客开票需求,在SAP系统出货作业前即开具销货发票的特殊业务,本流程须以总帐过帐进行开票核算处理,而非以正常销售作业模式进行帐务处理。预开发票须提供经由权责主管核准之签呈,并须以收讫顾客约定之定金为前提,各区部财务人员须逐笔管控预开发票之销售定单,公司本部财务则需暂估预开发票定单之销货成本,并作帐务单列管理,同时以手工方式处理其与分公司之转拨收入。预开发票之销售业绩,在分公司总帐处理时不对应任何利润中心,即“”不计入销售定单对应之责任中心或区部,仅在汇总损益表中列计于营业处合计之预开发票栏位。开票模式因各地税管方式的不同,有手工及金税系统开票两种,其中金税系统之预开发票业绩,需以手工输入金税系统处理,而非以SAP系统接口方式作业。预开发票之销售定单需收讫定金,并获取相关签呈的核准。区部会计编制预开发票业绩确认之会计凭证:Dr:应收帐款-预开发票(预开发票含税金额)Cr:产品销售收入-预开发票(预开发票不含税金额)Cr:应交税金-应交增值税-销项税额(增值税税额)区部会计编制预开发票商品采购之会计凭证:Dr:外购商品-预开发票(预开发票商品对应之分公司不含税进货成本)Dr:应交税金-应交增值税-进项税额(增值税税额)Cr:内部往来(预开发票对应商品之分公司含税进货成本)区部会计编制预开发票成本结转之会计凭证:Dr:产品销售成本-内销产品成本-预开发票(预开发票商品对应之分公司不含税进货成本)Cr:外购商品-预开发票(预开发票商品对应之分公司不含税进货成本)区部会计编制预开发票对应之预收款冲销其应收帐款的会计凭证:Dr:预收货款(预开发票含税金额)Cr:应收帐款-预开发票(预开发票含税金额)总部应收帐会计编制分公司预开发票业绩会计凭证:Dr:内部往来(预开发票对应商品之总公司含税转拨收入)Cr:产品销售收入-预开发票(预开发票对应商品之总公司不含税转拨收入)Cr:应交税金-应交增值税-销项税额(增值税税额)总部成本会计编制预开发票暂估成本之会计凭证:Dr:产品销售成本-内销产品成本-预开发票(预开发票商品对应之标准成本)Cr:外购商品-预开发票(预开发票商品对应之标准成本)注意事项:①预开发票之分公司财务报表与其对应之利润中心报表会因此产生差异,但当期之合并财务报表与合并利润中心报表应保持一致。第2页共26页第1页共26页编号:时间:2021年x月x日书山有路勤为径,学海无涯苦作舟页码:第2页共26页②预开发票CASE,在顾客未确定其所需商品明细之前,不可在系统中以虚拟的商品明细生成销售订单。②预开发票对应之预收定金,应在区部会计编制业绩会计凭证的同时结转至应收帐款,以抵减预开发票所形成的未收帐款,从而全面反映公司对于往来顾客的债权。而责任中心未收帐款、预收定金报表中则对顾客预开发票之未收帐款以及预收款均不予反映。相关附件:预开发票签呈2.流程图预开发票流程FI14区会计公司本部财务提前开票签呈审核手工开票确认约定预收款入帐帐务处理Tcode:FB70金税系统开VAT发票结束NoYes总公司预开发票分公司预开发票签呈填写记帐凭证确认约定预收款入帐帐务处理Tcode:FB70金税系统开VAT发票填写记帐凭证普通发票VAT发票VAT发票VAT发票责任中心助理1/1第3页共26页第2页共26页编号:时间:2021年x月x日书山有路勤为径,学海无涯苦作舟页码:第3页共26页3.系统操作3.1.操作范例亚洲纸浆预开发票,金额45000分公司预开发票商品对应之进货成本,金额40000总公司预开发票商品对应之标准成本,金额350003.2.系统菜单及交易代码1)区部会计编制预开发票业绩确认之会计凭证:路径:会计财务会计应收帐款凭证输入发票交易代码:FB702)区部会计编制预开发票商品采购之会计凭证:路径:会计财务会计应付帐款凭证输入发票交易代码:FB603)区部会计编制预开发票成本结转之会计凭证:路径:会计财务会计总分类帐凭证输入输入总帐科目凭证交易代码:FB504)区部会计编制预开发票对应之预收款冲销其应收帐款的会计凭证:路径:会...

1、当您付费下载文档后,您只拥有了使用权限,并不意味着购买了版权,文档只能用于自身使用,不得用于其他商业用途(如 [转卖]进行直接盈利或[编辑后售卖]进行间接盈利)。
2、本站所有内容均由合作方或网友上传,本站不对文档的完整性、权威性及其观点立场正确性做任何保证或承诺!文档内容仅供研究参考,付费前请自行鉴别。
3、如文档内容存在违规,或者侵犯商业秘密、侵犯著作权等,请点击“违规举报”。

碎片内容

第十四章-FI14_预开发票流程

您可能关注的文档

确认删除?
VIP
微信客服
  • 扫码咨询
会员Q群
  • 会员专属群点击这里加入QQ群
客服邮箱
回到顶部