电脑桌面
添加小米粒文库到电脑桌面
安装后可以在桌面快捷访问

(完整word版)第一节距离保护的基本原理VIP免费

(完整word版)第一节距离保护的基本原理_第1页
1/10
(完整word版)第一节距离保护的基本原理_第2页
2/10
(完整word版)第一节距离保护的基本原理_第3页
3/10
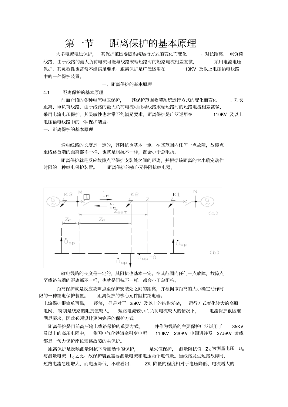
第一节距离保护的基本原理大多电流电压保护,其保护范围要随系统运行方式的变化而变化。对长距离、重负荷线路,由于线路的最大负荷电流可能与线路末端短路时的短路电流相差甚微,采用电流电压保护,其灵敏性也常常不能满足要求。距离保护是广泛运用在110KV及以上电压输电线路中的一种保护装置。一、距离保护的基本原理4.1距离保护的基本原理前面介绍的各种电流电压保护,其保护范围要随系统运行方式的变化而变化。对长距离、重负荷线路,由于线路的最大负荷电流可能与线路末端短路时的短路电流相差甚微,采用电流电压保护,其灵敏性也常常不能满足要求。距离保护是广泛运用在110KV及以上电压输电线路中的一种保护装置。一、距离保护的基本原理输电线路的长度是一定的,其阻抗也基本一定。在其范围内任何一点故障,故障点至线路首端的距离都不一样,也就是阻抗不一样,都会小于总阻抗。距离保护就是反应故障点至保护安装处之间的距离,并根据该距离的大小确定动作时限的一种继电保护装置。距离保护的核心元件阻抗继电器。输电线路的长度是一定的,其阻抗也基本一定。在其范围内任何一点故障,故障点至线路首端的距离都不一样,也就是阻抗不一样,都会小于总阻抗。距离保护就是反应故障点至保护安装处之间的距离,并根据该距离的大小确定动作时限的一种继电保护装置。距离保护的核心元件阻抗继电器。电流保护很简单可靠,经济,但是对于35KV及以上的结构复杂,运行方式变化较大的高原电网,特别是线路的阻抗值较大,短路电流较小而负荷电流较大的情况下,电流保护很困难满足要求,因此必须设计更为完善的保护方式距离保护是目前高压输电线路保护的重要方式,并作为线路的主要保护广泛运用于35KV及以上的高压电网中,我国电气化铁道牵引变电所110KV,220KV电源进线及27.5KV馈线都是一句力保护座位短路故障的主保护。距离保护是反映测量阻抗下降而动作的保护,是欠值保护,测量阻抗值ZK为测量电压UK与测量电流IK之比。故保护装置需要测量电流和电压两个电气量。当线路发生短路故障时,短路电流急剧增大、而电压降低,不难看出,ZK降低的程度相对于电压降低、电流增大的程度更加显著,因此距离保护比电流保护或电压保护的灵敏度更高,其他性能也更完善。距离保护的核心元件是阻抗继电器。阻抗继电器是通过输入电压值和电流值来获取阻抗的大小及相位角。故障时阻抗继电器测量的阻抗ZK与故障点到保护装置安装处的这段链路的阻抗值成正比,而此阻抗值又与这段路线的距离l成正比,因此阻抗保护又称为距离保护。阻抗继电器是带有方向性判断的元件,其测量阻抗ZK=R+jK,可以在R与jX建立的复平面内进行矢量特性分析,以便于对故障时所测量的阻抗值进行大小和方向的判断。当被保护线路上发生短路故障时,阻抗继电器的测量阻抗为Zm设阻抗继电器的工作电压为opmmsetUUIZ阻抗继电器的整定阻抗setZ是指保护安装处至保护末端的阻抗。由此可见:保护区内短路故障,工作电压小于0;而保护外或反方向短路故障,工作电压大于0。二、距离保护的时限特性距离保护时限特性与三段式电流保护相似。第二节距离保护的特性及组成由起动元件、方向元件、测量元件、时间元件和执行部分组成。起动元件输入信号方向元件时间元件跳闸阻抗元件出口元件起动元件:发生短路故障时瞬时起动保护装置。方向元件:判断短路方向。测量元件:测量短路点至保护安装处距离。时间元件:根据预定的时限特性动作,保证保护动作的选择性。执行元件:作用于跳开断路器。第三节利用复数平面分析阻抗继电器单相式阻抗继电器是指加入继电器只有一个电压rU(可以是相电压或线电压)和一个电流rI(可以是相电流或两相电流差)的阻抗继电器,加入继电器的电压与电流比值称为继电器的测量阻抗Zm。测量阻抗可表示为:rrmIUZ一、圆特性阻抗继电器1、全阻抗继电器如图所示,全阻抗继电器的特性圆是一个以坐标原点为圆心,以整定阻抗的绝对值为半径所作的一个圆。圆内为动作区,圆外为非动作区。不论故障发生在正方向短路故障,还是反方向短路故障,只要测量阻抗落在圆内,继电器就动作,所以叫全阻抗继电器。不论加入继电器电压与电流的相位差如何...

1、当您付费下载文档后,您只拥有了使用权限,并不意味着购买了版权,文档只能用于自身使用,不得用于其他商业用途(如 [转卖]进行直接盈利或[编辑后售卖]进行间接盈利)。
2、本站所有内容均由合作方或网友上传,本站不对文档的完整性、权威性及其观点立场正确性做任何保证或承诺!文档内容仅供研究参考,付费前请自行鉴别。
3、如文档内容存在违规,或者侵犯商业秘密、侵犯著作权等,请点击“违规举报”。

碎片内容

(完整word版)第一节距离保护的基本原理

确认删除?
VIP
微信客服
  • 扫码咨询
会员Q群
  • 会员专属群点击这里加入QQ群
客服邮箱
回到顶部