电脑桌面
添加小米粒文库到电脑桌面
安装后可以在桌面快捷访问

人教版高中物理选修3-1实验测定金属的电阻率VIP免费

人教版高中物理选修3-1实验测定金属的电阻率_第1页
1/8
人教版高中物理选修3-1实验测定金属的电阻率_第2页
2/8
人教版高中物理选修3-1实验测定金属的电阻率_第3页
3/8
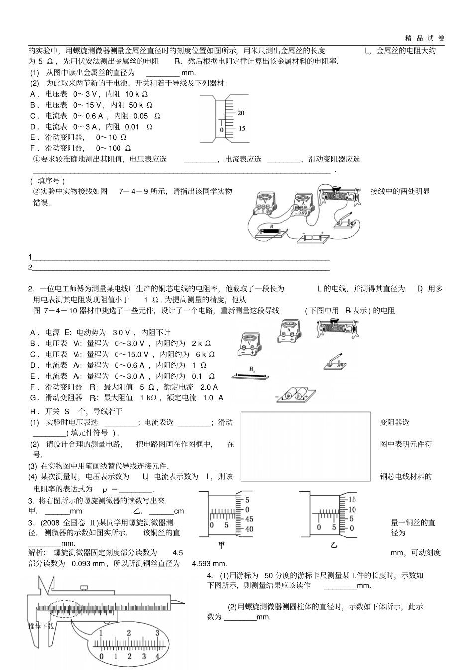
精品试卷推荐下载高中物理学习材料(灿若寒星**整理制作)实验测定金属的电阻率一、螺旋测微器1.构造如图所示是常用的螺旋测微器,它的测砧A和固定刻度G固定在框架F上,旋钮K、微调旋钮K′和可动刻度H,测微螺杆P连在一起,通过精密螺纹套在G上.2.原理精密螺纹的螺距是0.5mm,即K每旋转一周,P前进或后退0.5mm,可动刻度分成50等份,每一等份表示0.01mm,即可动刻度每转过一等份,P前进或后退0.01mm.因此,从可动刻度旋转了多少个等份就知道长度变化了多少个0.01mm.用它测量长度,可以精确到mm,还可以估读到0.001mm(即毫米的千分位),因此螺旋测微器又称为千分尺.3.读数方法先从固定刻度G上读出半毫米整数倍的部分,不足半毫米的部分由可动刻度读出,即看可动刻度上的第几条刻度线与固定刻度线上的横线重合,从而读出可动刻度示数(注意估读).即有:测量长度=固定刻度示数+可动刻度示数×精确度.(注意单位为mm)如图所示,不足半毫米而从可动刻度上读的示数为15.5格,最后的读数为:4.注意事项(1)测量前须校对零点:先使小砧A与测微螺杆P并拢,观察可动刻度的零刻度线与固定刻度的轴向线是否重合,以及可动刻度的边缘与固定刻度的零刻度线是否重合,否则应加以修正.(2)读数时,除注意观察毫米整数刻度线外,还要特别注意半毫米刻度线是否露出.螺旋测微器要估读,以毫米为单位时要保留到小数点后第三位.(3)测量时,当螺杆P快要接触被测物体时,要停止使用粗调旋钮K,改用微调旋钮K′,当听到“咔、咔”响声时,停止转动微调旋钮K′,并拧紧固定旋钮.这样做既可保护仪器,又能保证测量结果的准确性.二、游标卡尺1.构造:如图实-1-4所示,主尺、游标尺(主尺和游标尺上各有一个内外测量爪),游标尺上还有一个深度尺,尺身上还有一个紧固螺钉.2.用途:测量厚度、长度、深度、内径、外径.3.原理:利用主尺的最小分度与游标尺的最小分度的差值制成.不管游标尺上有多少个小等分刻度,它的刻度部分的总长度比主尺上的同样多的小等分刻少1mm.常见的游标卡尺的游标尺上小等分刻度有10个的、20个的、50个的,见下表:精品试卷推荐下载刻度格数(分度)刻度总长度差值精确度(可准确到)109mm0.1mm0.1mm2019mm0.1mm0.05mm5049mm0.2mm0.02mm4.读数:若用x表示由主尺上读出的整毫米数,K表示从游标尺上读出与主尺上某一刻线对齐的游标的格数,则记录结果表达为(x+K×精确度)mm.三、测定金属的电阻率1.实验目的(1)练习使用螺旋测微器(2)学会用伏安法测量电阻的阻值(3)测定金属的电阻率2.实验原理欧姆定律和电阻定律.由R=ρLS得要测ρ,需要测R、L、S.用毫米刻度尺测出金属丝的长度L;用螺旋测微器测出金属丝的直径d,得到横截面积S=πd24;用伏安法测出金属丝的电阻R,由R=ρLS,得ρ=RSL=πd2R4L.3.实验器材米尺(最小分度值1mm)、螺旋测微器、直流电压表和直流电流表、滑动变阻器、电池、开关及连接导线、金属电阻丝.4.实验步骤(1)用螺旋测微器在被测金属导线上三个不同位置各测一次直径,求出其平均值d,计算出导线的横截面积S.(2)用毫米刻度尺测量接入电路中的被测量金属导线的有效长度,反复测量3次,求出其平均值l.(4)电路经检查无误后,闭合开关S,改变滑动变阻器滑动片的位置,读出几组相应的电流表、电压表的示数I和U的值,记入记录表格内,断开开关S,求出电阻R的平均值.(5)将测得的R、l、d的值代入电阻率计算公式ρ=RSL=πd2R4L.中,计算出金属导线的电阻率5.注意事项(1)本实验中被测金属导线的电阻值较小,因此实验电路必须采用电流表外接法.(2)实验连线时,应先从电源的正极出发,依次将电源、开关、电流表、待测金属导线、滑动变阻器连成主干线路(闭合电路),然后再把电压表并联在待测金属导线的两端.(3)金属导线的长度,应该是在连入电路之后再测量,测量的是接入电路部分的长度,并且要在拉直之后再测量.(4)接通电源的时间不能过长,通过电阻丝的电流不能过大,否则金属丝将因发热而温度升高,这样会导致电阻率变大,造成较大误差.(5)要恰当选择电流表、电压表的量程,调节滑动变阻器的阻值时,应注意同时观察两表的读数,尽量使两表的指针偏转较大,以减小读数误差1....

1、当您付费下载文档后,您只拥有了使用权限,并不意味着购买了版权,文档只能用于自身使用,不得用于其他商业用途(如 [转卖]进行直接盈利或[编辑后售卖]进行间接盈利)。
2、本站所有内容均由合作方或网友上传,本站不对文档的完整性、权威性及其观点立场正确性做任何保证或承诺!文档内容仅供研究参考,付费前请自行鉴别。
3、如文档内容存在违规,或者侵犯商业秘密、侵犯著作权等,请点击“违规举报”。

碎片内容

人教版高中物理选修3-1实验测定金属的电阻率

爱的疯狂+ 关注
实名认证
内容提供者

该用户很懒,什么也没介绍

相关文档

确认删除?
VIP
微信客服
  • 扫码咨询
会员Q群
  • 会员专属群点击这里加入QQ群
客服邮箱
回到顶部