电脑桌面
添加小米粒文库到电脑桌面
安装后可以在桌面快捷访问

DLT51612018电气装置安装工程质量检验及评定规程VIP免费

DLT51612018电气装置安装工程质量检验及评定规程_第1页
1/297
DLT51612018电气装置安装工程质量检验及评定规程_第2页
2/297
DLT51612018电气装置安装工程质量检验及评定规程_第3页
3/297
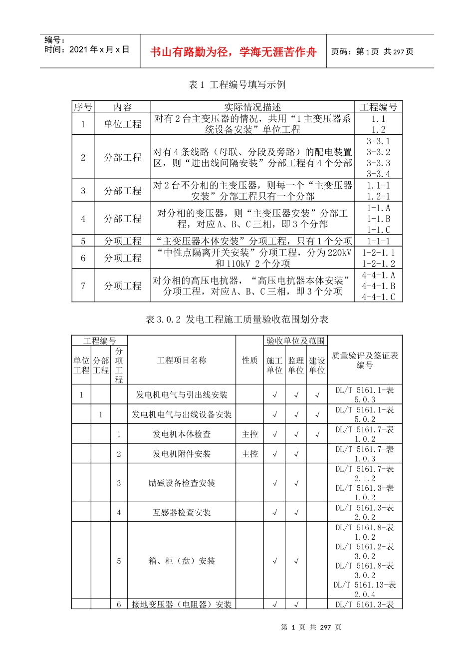
第1页共297页编号:时间:2021年x月x日书山有路勤为径,学海无涯苦作舟页码:第1页共297页表1工程编号填写示例序号内容实际情况描述工程编号1单位工程对有2台主变压器的情况,共用“1主变压器系统设备安装”单位工程1.11.22分部工程对有4条线路(母联、分段及旁路)的配电装置区,则“进出线间隔安装”分部工程有4个分部3-3.13-3.23-3.33-3.43分部工程对2台不分相的主变压器,则每一个“主变压器安装”分部工程只有一个分部1.1-11.2-14分部工程对分相的变压器,则“主变压器安装”分部工程,对应A、B、C三相,即3个分部1-1.A1-1.B1-1.C5分项工程“主变压器本体安装”分项工程,只有1个分项1-1-16分项工程“中性点隔离开关安装”分项工程,分为220kV和110kV2个分项1-2-1.11-2-1.27分项工程对分相的高压电抗器,“高压电抗器本体安装”分项工程,对应A、B、C三相,即3个分项4-4-1.A4-4-1.B4-4-1.C表3.0.2发电工程施工质量验收范围划分表工程编号工程项目名称性质验收单位及范围质量验评及签证表编号单位工程分部工程分项工程施工单位监理单位建设单位1发电机电气与引出线安装√√√DL/T5161.1-表5.0.31发电机电气与出线设备安装√√√DL/T5161.1-表5.0.21发电机本体检查主控√√√DL/T5161.7-表1.0.22发电机附件安装主控√√DL/T5161.7-表1.0.33励磁设备检查安装√√DL/T5161.7-表2.1.2DL/T5161.3-表1.0.24互感器检查安装√√DL/T5161.3-表2.0.25箱、柜(盘)安装√√DL/T5161.8-表1.0.2DL/T5161.2-表3.0.2DL/T5161.8-表3.0.2DL/T5161.13-表2.0.46接地变压器(电阻器)安装√√DL/T5161.3-表第2页共297页第1页共297页编号:时间:2021年x月x日书山有路勤为径,学海无涯苦作舟页码:第2页共297页1.0.3DL/T5161.3-表1.0.47交(直)流励磁母线安装主控√√DL/T5161.4-表3.0.22发电机引出线安装√√√DL/T5161.1-表5.0.21铁构架制作安装√√DL/T5161.4-表1.0.2DL/T5161.4-表1.0.32封闭母线安装主控√√DL/T5161.4-表5.0.23电压互感器、避雷器安装√√DL/T5161.3-表2.0.2DL/T5161.2-表6.0.24隔离开关安装√√DL/T5161.2-表5.0.25出口断路器(负荷开关)安装主控√√DL/T5161.2-表2.0.3DL/T5161.2-表5.0.210发电机启动试运主控√√√DL/T5161.7-表3.0.62主变压器系统设备安装√√√DL/T5161.1-表5.0.31主变压器安装√√√DL/T5161.1-表5.0.21主变压器本体安装√√DL/T5161.3-表1.0.62主变压器检查主控√√√DL/T5161.3-表1.0.73主变压器附件安装√√DL/T5161.3-表1.0.84主变压器注油及密封试验主控√√DL/T5161.3-表1.0.95主变压器整体检查主控√√DL/T5161.3-表1.0.102主变压器系统附属设备安装√√√DL/T5161.1-表5.0.21中性点隔离开关安装√√DL/T5161.2-表5.0.22避雷器安装√√DL/T5161.2-表6.0.23中性点电流互感器安装√√DL/T5161.3-表2.0.24消弧线圈(接地变压器)安装√√DL/T5161.3-表1.0.35电阻器安装√√DL/T5161.3-表1.0.4DL/T5161.8-表1.0.26控制柜及端子箱检查安装√√DL/T5161.8-表第3页共297页第2页共297页编号:时间:2021年x月x日书山有路勤为径,学海无涯苦作舟页码:第3页共297页3.0.27软母线安装√√DL/T5161.4-表7.0.210主变压器带电试运主控√√√DL/T5161.3-表3.0.73×××kV配电装置安装√√√DL/T5161.1-表5.0.31网控室设备安装√√√DL/T5161.1-表5.0.21控制及保护和自动化屏台安装√√DL/T5161.8-表1.0.2DL/T5161.8-表4.0.22直流屏安装√√DL/T5161.8-表1.0.2DL/T5161.13-表2.0.23二次回路检查及接线√√DL/T5161.8-表5.0.24蓄电池安装√√DL/T5161.9-表1.0.2DL/T5161.9-表2.0.25充放电及容量测定主控√√DL/T5161.9-表3.0.2DL/T5161.9-表3.0.32主母线及旁路母线安装√√√DL/T5161.1-表5.0.21绝缘子串安装√√DL/T5161.4-表2.0.22软母线安装√√DL/T5161.4-表7.0.23支柱绝缘子安装√√DL/T5161.4-表2.0.34管形母线安装主控√√DL/T5161.4-表6.0.25隔离开关安装√√DL/T5161.2-表5.0.23电压互感器及避雷器间隔安装√√√DL/T5161.1-表5.0.21避雷器安装√√DL/T5161.2-表6.0.22电压互感器安装√√DL/T5161.3-表2.0.33隔离开关安装√√DL/T5161.2-表5.0.24支柱绝...

1、当您付费下载文档后,您只拥有了使用权限,并不意味着购买了版权,文档只能用于自身使用,不得用于其他商业用途(如 [转卖]进行直接盈利或[编辑后售卖]进行间接盈利)。
2、本站所有内容均由合作方或网友上传,本站不对文档的完整性、权威性及其观点立场正确性做任何保证或承诺!文档内容仅供研究参考,付费前请自行鉴别。
3、如文档内容存在违规,或者侵犯商业秘密、侵犯著作权等,请点击“违规举报”。

碎片内容

DLT51612018电气装置安装工程质量检验及评定规程

您可能关注的文档

确认删除?
VIP
微信客服
  • 扫码咨询
会员Q群
  • 会员专属群点击这里加入QQ群
客服邮箱
回到顶部