电脑桌面
添加小米粒文库到电脑桌面
安装后可以在桌面快捷访问

On Semi NCP1380准谐振电流模式大功率离线电源方案VIP免费

On Semi NCP1380准谐振电流模式大功率离线电源方案_第1页
1/7
On Semi NCP1380准谐振电流模式大功率离线电源方案_第2页
2/7
On Semi NCP1380准谐振电流模式大功率离线电源方案_第3页
3/7
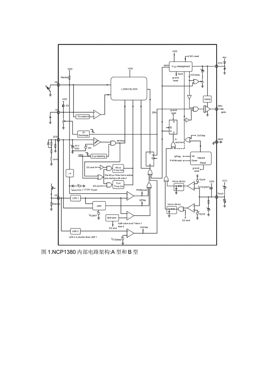
OnSemiNCP1380准谐振电流模式大功率离线电源方案关键词:电源管理,AC/DC转换器,离线电源OnSemi公司的NCP1380是大功率通用离线电源用的准谐振电流模式控制器,谷底开关工作,轻负载时频率回馈以提高效率,峰值电流源/沉为+500mA/-800mA,无负载的待机功耗极低,适用于TV,STB的大功率AC/DC转换器,笔记本电脑的离线适配器.本文介绍NCP1380主要特性,内部电路架构,谷底检测电路,过载检测电路,过压/超温检测电路以及典型应用电路.Quasi-ResonantCurrent-ModeControllerforHigh-PowerUniversalOff-LineSuppliesTheNCP1380hostsahigh−performancecircuitryaimedtopoweringquasi−resonantconverters.Capitalizingonaproprietaryvalley−lockoutsystem,thecontrollershiftsgearsandreducestheswitchingfrequencyasthepowerloadingbecomeslighter.Thisresultsinastableoperationdespiteswitchingeventsalwaysoccurringinthedrain−sourcevalley.Thissystemworksdowntothe4thvalleyandtogglestoavariablefrequencymodebeyond,ensuringanexcellentstandbypowerperformance.Toimprovethesafetyinoverloadsituations,thecontrollerincludesanOverPowerProtection(OPP)circuitwhichclampsthedeliveredpowerathigh−line.Safety−wise,afixedinternaltimerreliesonthefeedbackvoltagetodetectafault.Oncethetimerelapses,thecontrollerstopsandstayslatchedforoptionAandCorentersauto−recoverymodeforoptionBandD.Particularlywellsuitedforadapterapplications,thecontrollerfeaturesapintoimplementeitheracombinedovervoltage/overtemperatureprotection(VersionAandB)oracombinedbrown−out/overvoltageprotection(VersionCandD).NCP1380主要特性:•Quasi−ResonantPeakCurrent−ModeControlOperation•ValleySwitchingOperationwithValley−LockoutforNoise−ImmuneOperation•FrequencyFoldbackatLightLoadtoImprovetheLightLoadEfficiency•AdjustableOverPowerProtection•Auto−RecoveryorLatchedInternalOutputShort−CircuitProtection•FixedInternal80msTimerforShort−CircuitProtection•CombinedOvervoltageandOvertemperatureProtection(AandBVersions)•CombinedOvervoltageProtectionandBrown−Out(CandDVersions)•+500mA/−800mAPeakCurrentSource/SinkCapability•InternalTemperatureShutdown•DirectOptocouplerConnection•ExtendedVCCRangeOperationUpto28V•ExtremelyLowNo−LoadStandbyPower•SO−8Package•TheseDevicesarePb−FreeandareRoHSCompliantNCP1380应用:•HighPowerac−dcConvertersforTVs,Set−TopBoxesetc.•OfflineAdaptersforNotebooks图1.NCP1380内部电路架构:A型和B型图2.NCP1380内部电路架构:C型和D型图3.谷底检测电路图4.过载检测电路图5.超功率补偿电路图6.过压/超温检测电路(A型和B型)图7.过压/超温检测电路(C型和D型)AO-Electronics傲壹电子官网:www.aoelectronics.com中文网:www.aoelectronics.cn图8.典型应用电路(A型和B型)图9.典型应用电路(C型和D型)

1、当您付费下载文档后,您只拥有了使用权限,并不意味着购买了版权,文档只能用于自身使用,不得用于其他商业用途(如 [转卖]进行直接盈利或[编辑后售卖]进行间接盈利)。
2、本站所有内容均由合作方或网友上传,本站不对文档的完整性、权威性及其观点立场正确性做任何保证或承诺!文档内容仅供研究参考,付费前请自行鉴别。
3、如文档内容存在违规,或者侵犯商业秘密、侵犯著作权等,请点击“违规举报”。

碎片内容

On Semi NCP1380准谐振电流模式大功率离线电源方案

确认删除?
VIP
微信客服
  • 扫码咨询
会员Q群
  • 会员专属群点击这里加入QQ群
客服邮箱
回到顶部