电脑桌面
添加小米粒文库到电脑桌面
安装后可以在桌面快捷访问

带壁柱墙的验算VIP免费

带壁柱墙的验算_第1页
1/4
带壁柱墙的验算_第2页
2/4
带壁柱墙的验算_第3页
3/4
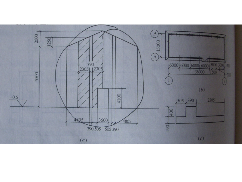
风荷载例题带壁柱墙的高厚比验算如图所示某单层仓库,长度36米,跨度15米,柱距6米,采用有檩条钢筋混凝土槽瓦体系屋盖,墙柱采用MU10砌块,M5混合砂浆砌筑。要求:带壁柱山墙的高厚比验算。风荷载答案:1)截面几何特征:A=7.641×105mm2,y1=155mm,y2=435mm,hT=486mm。2)整片墙高厚比验算。(此房屋横墙为刚性)柱上端按不动铰支座考虑,壁柱高度为6.75米,纵墙间距为15米,M5混合砂浆砌筑,计算高度H0=6.75米。洞口折减系数为:μ1=1.0满足要求。3)壁柱间墙高厚比验算壁柱间墙高度取值为:H=(6.75+8.0)/2=7.375米,S=5m

1、当您付费下载文档后,您只拥有了使用权限,并不意味着购买了版权,文档只能用于自身使用,不得用于其他商业用途(如 [转卖]进行直接盈利或[编辑后售卖]进行间接盈利)。
2、本站所有内容均由合作方或网友上传,本站不对文档的完整性、权威性及其观点立场正确性做任何保证或承诺!文档内容仅供研究参考,付费前请自行鉴别。
3、如文档内容存在违规,或者侵犯商业秘密、侵犯著作权等,请点击“违规举报”。

碎片内容

带壁柱墙的验算

您可能关注的文档

确认删除?
微信客服
  • 扫码咨询
会员Q群
  • 会员专属群点击这里加入QQ群