电脑桌面
添加小米粒文库到电脑桌面
安装后可以在桌面快捷访问

IGBT 逆变焊机的三种基本的拓扑结构VIP免费

IGBT 逆变焊机的三种基本的拓扑结构_第1页
1/7
IGBT 逆变焊机的三种基本的拓扑结构_第2页
2/7
IGBT 逆变焊机的三种基本的拓扑结构_第3页
3/7
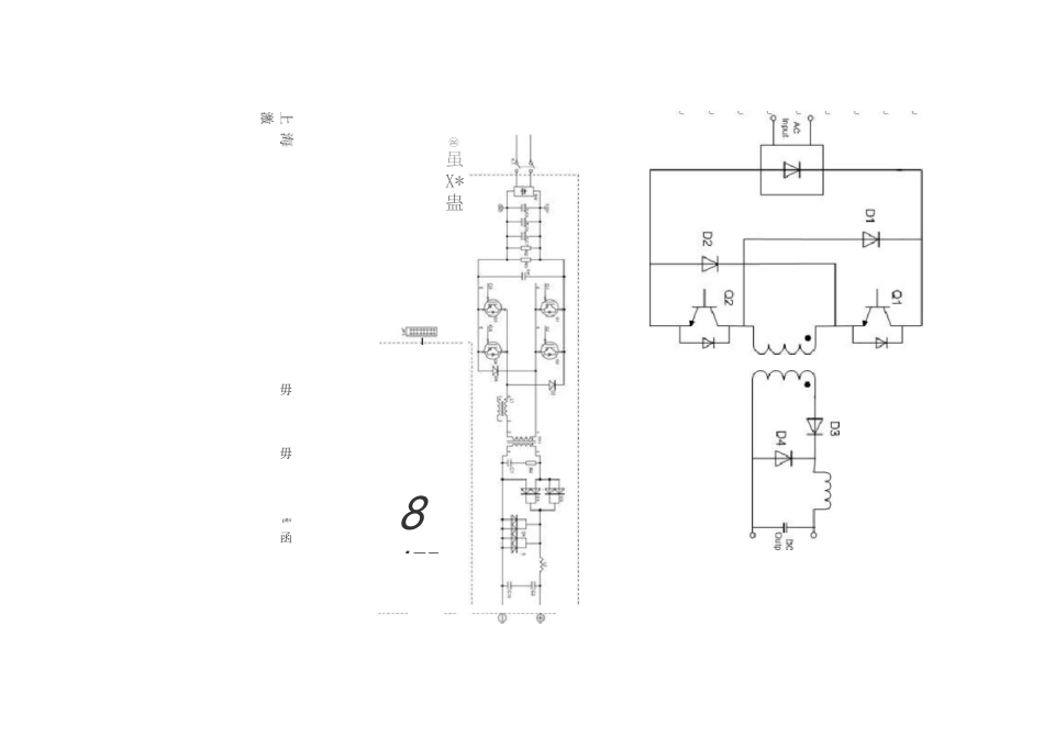
IGBT逆变焊机的三种基本的拓扑结构$芮Ws300a【双管正激电路】优点是电路具有软过度,在开通与关断时不存在直通问题并且在关断时IGBTVCE电压被D1,D2的钳位在VCC+VF.缺点在于占空比小于50%,大大降低了变压器的利用率,并且由于占空比小使得输出必须需要接输出电感,并且输出功率受限。在同开关频率下输出稳定性较其他两种结构要差。【全桥电路】优点是占空比高可达90%以上,变压器双向导通利用率高•输出功率高。缺点在于IGBT两端没有钳位电路电压尖峰高需要加吸收电路,受Miller效应的影响上下管存在直通风险,需要加隔直电路防止变压器偏磁。【半桥电路】相对于全桥节省了两只功率管,驱动电路也较简单,尤其是它具有较好的抗不平衡能力。这些优点使得半桥式逆变电路应用较为广泛,它的缺点是变压器初级绕组所得的电压总是一个电容上的电压,近于电源电压的一半,为了获得与全桥式电路同样的输出功率,功率管和变压器初级必须通过全桥式电路两倍的电流,所以半桥式电路的输出功率不宜太大。【半桥全桥选型】相对半桥逆变器而言,全桥逆变器的开关电流减小了一半,因而在大功率场合得到了广泛应用。在全桥逆变器中,为实现输入输出之间的电气隔离和得到合适的输出电压幅值,一般在输出端接有交流变压器。在全桥逆变器中,因各种不可预见的因素,会导致输出变压器存在直流分量,引起单向偏磁现象。偏磁可以说是全桥逆变器中的一种通病,只是在不同的场合严重程度不同而已。变压器的偏磁,轻则会使变压器和功率半导体模块的功耗增加,温升加剧,变压器机械噪音大(变换器开关频率或调制频率在音频范围内时),严重时还会损坏功率模块,直接威胁到系统的正常运行。®虽X*蛊8愕毋毋pttri函qfrihwsiHMUg册冷葩I上海通用NB-200i气保焊机电器原理图部分(全桥)双管正激上海通用WSM-i系列氩弧焊机电器原理图部分(双管正5S8tTOJTSS进口IGBT奇的主板临杵工艺先避PWM鳥址i^l带输出电抗!全桥无电抗,L(蹇伺锚出连接全桥线路扳强大心脏严搐挑选每个元器件・辎益求摺的生产工艺都是四个IGBT的.第一种•双激的,可靠性较高,但是输出功率,相对于同频率的•全桥电路的功率低,稳定性稍差第二种全桥的,可靠性存在直通风险,变压器机械噪音大、!>、!>、!>、!>、!>、!>、!>、!>、!>、!>、!>、!>、!>、!>、!>、!>、!>、!>、!>、!>、!>、!>、!>、!>、!>、!>、!>、!>、!>、!>、!>、!>、!>、!>、!>、!>、!>、!>、!>、!>、!>、!>、!>、!>、!>、!>、!>、!>、!>、!>瑞凌电焊机大多数都是mos管的.全桥的.造价都比较高.1、效应管的特点:(MOS-FET是其中一种)场效应管的突出优点在于其极高的开关频率,其每秒钟可开关50万次以上,耐压一般在500V以上,耐温150°C(管芯),而且导通电阻,管子损耗低,是理想的开关器件,尤其适合在高频电路中作开关器件使用。但是场效应管的工作电流较小,高的约20A低的一般在9A左右,限制了电路中的最〔全羽非晶变庄(高構盛控劃(弹性压大电流,而且由于场效应管的封装形式,使得其引脚的爬电距离(导电体到另一导电体间的表面距离)较小,在环境高压下容易被击穿,使得引脚间导电而损坏机器或危害人身安全。绝缘等级上,可以做到F级别2、IGBT的特点:IGBT即双极型绝缘效应管,符号及等效电路图见图11.1,其开关频率在20KHZ〜30KHZ之间。但它可以通过大电流(100A以上),而且由于外封装引脚间距大,爬电距离大,能抵御环境高压的影响,安全可靠。【两种不同管型焊机的特性】一、场效应管逆变焊机的特点由于场效应管的突出优点,用场效应管作逆变器的开关器件时,可以把开关频率设计得很高,以提咼转换效率和节省成本(使用咼频率变压器以减小焊机的体积,使焊机向小型化,微型化方便使用。但无论弧焊机还是切割机,它们的工作电流都很大。使用一个场效应管满足不了焊机对电流的需求,一般采用多只并联的形式来提高焊机电源的输出电流。这样既增加了成本,又降低了电路的稳定性和可靠性。二、IGBT焊机的特点IGBT焊机指的是使用IGBT作为逆变器开关器件的弧焊机。由于IGBT的开关频率较低,电流大,焊机使用的主变压器、...

1、当您付费下载文档后,您只拥有了使用权限,并不意味着购买了版权,文档只能用于自身使用,不得用于其他商业用途(如 [转卖]进行直接盈利或[编辑后售卖]进行间接盈利)。
2、本站所有内容均由合作方或网友上传,本站不对文档的完整性、权威性及其观点立场正确性做任何保证或承诺!文档内容仅供研究参考,付费前请自行鉴别。
3、如文档内容存在违规,或者侵犯商业秘密、侵犯著作权等,请点击“违规举报”。

碎片内容

IGBT 逆变焊机的三种基本的拓扑结构

wxg+ 关注
实名认证
内容提供者

该用户很懒,什么也没介绍

确认删除?
VIP
微信客服
  • 扫码咨询
会员Q群
  • 会员专属群点击这里加入QQ群
客服邮箱
回到顶部