电脑桌面
添加小米粒文库到电脑桌面
安装后可以在桌面快捷访问

0AP1380116bYBS系列产品样本2010VIP专享VIP免费

0AP1380116bYBS系列产品样本2010_第1页
1/14
0AP1380116bYBS系列产品样本2010_第2页
2/14
0AP1380116bYBS系列产品样本2010_第3页
3/14
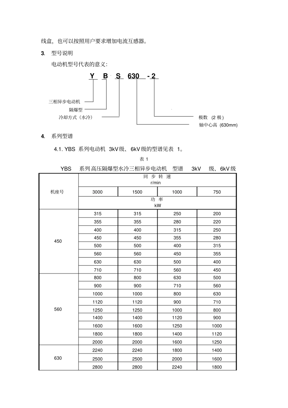
YBS系列高压隔爆型水冷三相异步电动机(机座号450~710)产品样本代号0AP.138.0116b南阳防爆集团股份有限公司2011年3月2日1.概述YBS系列高压隔爆型水冷三相异步电动机是我公司在九十年代末,结合用户订货要求,独立开发设计的高压隔爆型电动机。该系列电动机的开发,使得高压隔爆型电动机的功率等级得到极大的提升,而且效率、功率因数、温升等主要性能指标都进一步优化,开创了一种新型的隔爆电机结构。本系列电动机具有体积小、重量轻、效率高、噪声低、振动小、温升低等优点。本系列电动机在国内率先达到系列噪音85分贝要求,是满足环保要求的新一代产品。订货时注明噪声要求,不注明则视为按国家标准GB/T10069考核。YBS系列高压隔爆型水冷三相异步电动机执行标准GB3836.1-2000《爆炸性气体环境用电气设备第1部分:通用要求》和GB3836.2-2000《爆炸性气体环境用电气设备第2部分:隔爆型“d”》的规定,制成隔爆型,作为原动机广泛应用于矿山机械工业、石油化工工业、钢铁冶金工业、发电厂等工矿企业具有可燃性气体或蒸汽与空气形成的爆炸混合物场所中用以驱动压缩机、风机、水泵等各种通用机械设备。2.结构说明电动机整体采用箱式机座,钢板焊接而成,重量轻、刚度好;两个水冷却器在机座顶部,上水冷,结构合理,外形美观,安装维护方便。电动机绝缘等级为F级,定子线圈采用云母带包薄膜绕包扁铜线绕制,绕组端部线圈间垫适性材料,钢质端箍绑扎于外端部,有绕组定子铁心经VPI真空压力浸无溶剂漆。因此定子绕组具有较高的电气强度、机械强度、绝缘性能、防潮性和热稳定性。转子采用铸铝或鼠笼铜条结构,经高精度校动平衡,电机运转平稳,振动小。电动机设置有防爆液位检测开关,便于用户实时监控漏水情况。高压接线盒内外均设有接地端子,置于电动机右侧(轴伸端视之),也可按照订货要求置于电动机左侧。根据功率、转速的关系,本系列电动机采用滑动轴承和滚动轴承两种结构。采用端盖式滑动轴承装置的电机,一般为强迫润滑,具有负荷能力强,检修及装配方便等优点,同时采取了防止轴电流产生的措施,保证轴瓦不产生锈蚀,有效延长了电机使用寿命。两种轴承装置均设有不停机注排油装置和轴承测温装置,轴承测温装置用于监测轴承温度。电动机定子绕组处设置有定子测温装置和防冷凝加热装置,定子测温装置用于监测定子线圈温度,定子防冷凝加热装置用于防止定子线圈受潮绝缘电阻降低。考虑到现代工业控制的需要,机座号630及以上电动机机设置中性点引出接线盒,也可以按照用户要求增加电流互感器。3.型号说明电动机型号代表的意义:YBS630-2三相异步电动机隔爆型冷却方式(水冷)极数(2极)轴中心高(630mm)4.系列型谱4.1.YBS系列电动机3kV级、6kV级的型谱见表1。表1YBS系列高压隔爆型水冷三相异步电动机型谱3kV级、6kV级机座号同步转速r/min300015001000750功率kW4503153152502003553552802204004003152504504503552805005004003155605604503556306305004007107105604505608008006305009009007105601000100080063011201120900710125012501000800140014001120900160016001250100018001800140011202000200016001250630224022401800140025002500200016002800280022401800710(2800)(2800)(2240)(1800)3150315025002000355035502800224040004000315025004.2.YBS系列电动机10kV级的型谱见表2。表2YBS系列高压隔爆型水冷三相异步电动机型谱10kV级机座号同步转速r/min300015001000750功率kW450250250200——28028022031531525020035535528022040040031525045045035528050050040031556056045035556063063050040071071056045080080063050090090071056010001000800630112011209007101250125010008001400140011209001600160012501000630180018001400112020002000160012502240224018001400710(2240)(2240)(1800)(1400)2500250020001600280028002240180031503150250020005.使用条件额定电压:3kV级(包括3kV、3.3kV、3.6kV)6kV级(包括6kV、6.3kV、6.6kV、6.9kV)、10kV级(包括10kV、10.5kV、11kV)额定频率:50Hz(也可按订货做成其他频率或变频电机)环境空气温度:-15℃~+40℃...

1、当您付费下载文档后,您只拥有了使用权限,并不意味着购买了版权,文档只能用于自身使用,不得用于其他商业用途(如 [转卖]进行直接盈利或[编辑后售卖]进行间接盈利)。
2、本站所有内容均由合作方或网友上传,本站不对文档的完整性、权威性及其观点立场正确性做任何保证或承诺!文档内容仅供研究参考,付费前请自行鉴别。
3、如文档内容存在违规,或者侵犯商业秘密、侵犯著作权等,请点击“违规举报”。

碎片内容

0AP1380116bYBS系列产品样本2010

确认删除?
VIP
微信客服
  • 扫码咨询
会员Q群
  • 会员专属群点击这里加入QQ群
客服邮箱
回到顶部