电脑桌面
添加小米粒文库到电脑桌面
安装后可以在桌面快捷访问

三曲线机翼测风VIP免费

三曲线机翼测风_第1页
1/4
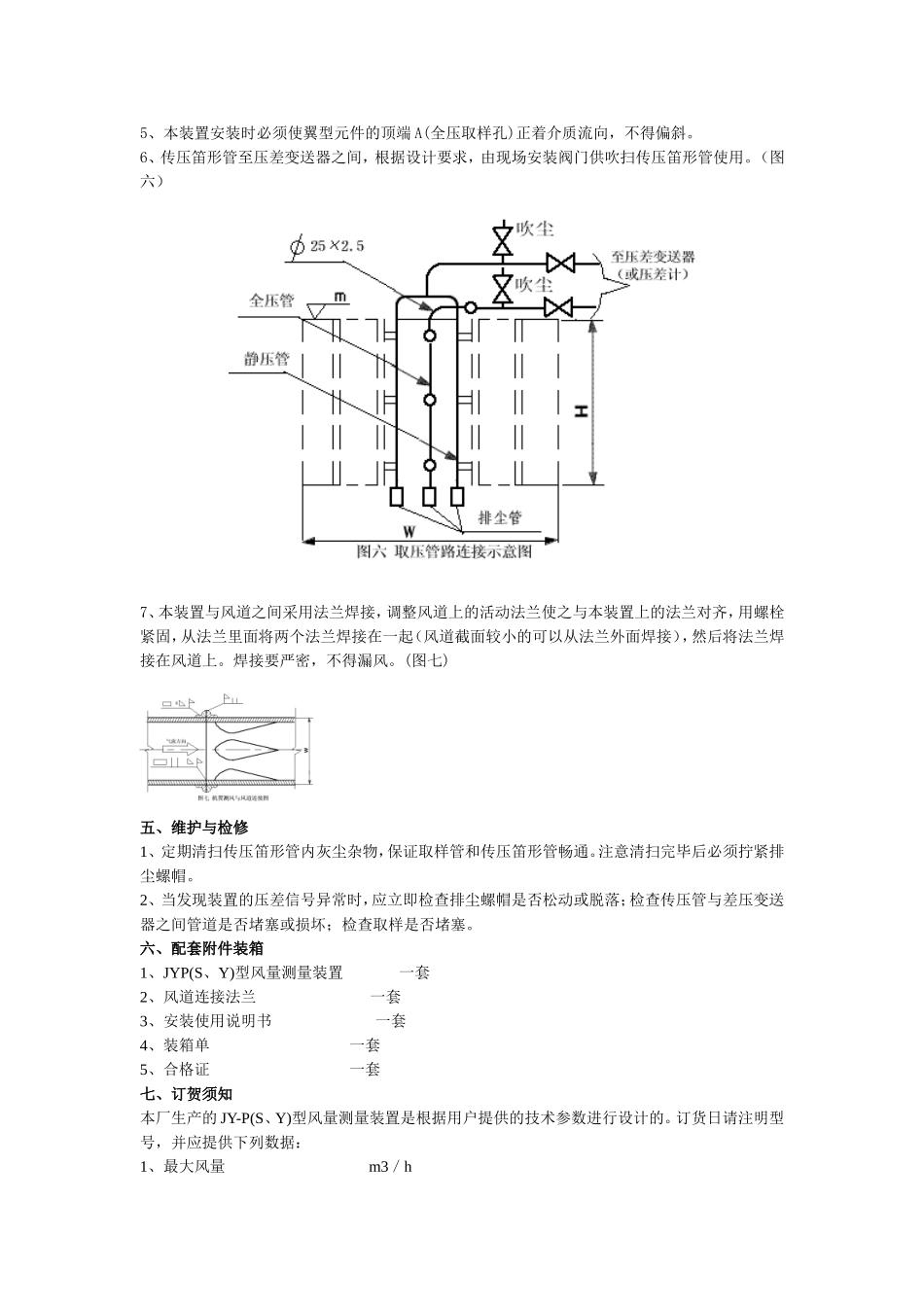
三曲线机翼测风_第2页
2/4
三曲线机翼测风_第3页
3/4
三曲线机翼测风说明书一、概述----本装置是用来测量锅炉空气流量的专用装置,它可以直接安装在送风机入口和送风机与燃烧之间的冷热风道(矩形或圆形)上。该装置能产生0-1000Pa或更大的差压信号,经差压变送器转换成标准电信号(4-20MA),供检测或控制系统使用,实现锅炉安全、经济运行。二、特点----1、本装置采独特的机翼线型,能产生较大的差压信号,测量精度较高,流量误差土2%。----2、测量装置对前后直管长度的要求不高。----3、采用双翼或多机翼结构,装置本身长度较短,便于安装。三、结构与原理----本装置是由1~2个全机翼(或多个)和两个半机翼,取样管传压管及--段矩形或圆形风道构成。装置分三种型号:JY-P型(图一)平板式翼形测风装置,它是由半圆形板和一段平板组成:JY-S型(图二)三曲线式翼形测风装置,它是由三段不同曲率半径的弧形板和一段直板组成;JY-Y型(图三)圆风道测风装置,它是由二个全机翼形交叉组焊在圆形风道内而成。当气流流经机翼测量装置时,在翼形表面产生绕流,驻点A和弦点B之间产生压差(图四)。该压差与风道内的气体流速(或流量)之间呈一定的系数关系。四、安装注意事项1、在安装之前应对装置进行全面检查,注意各部件是否完全,有无损坏和变形,发现问题应及时处理;检查取样管和传笛形管内有无杂物,如有杂物应予以清除干净;检查排尘螺帽是否拧紧,以免漏气影响测量的准确性。2、安装时应注意不得碰撞,以免损坏机翼叶板和两端压引出管。3、本装置属于风道中的一段,在安装风道时可将装置同风道一起组装。也可按照装置设计的长度予留空间,后安装该装置。4、装置前后直管段长度应满足下面要求;(图五)装置前直管段长≥0.6DN,装置后直管段长≥0.2DN。矩型风道DN值为DN=(2.W.H)/(W+H)(W为风道截面宽,H为风道截面高)5、本装置安装时必须使翼型元件的顶端A(全压取样孔)正着介质流向,不得偏斜。6、传压笛形管至压差变送器之间,根据设计要求,由现场安装阀门供吹扫传压笛形管使用。(图六)7、本装置与风道之间采用法兰焊接,调整风道上的活动法兰使之与本装置上的法兰对齐,用螺栓紧固,从法兰里面将两个法兰焊接在一起(风道截面较小的可以从法兰外面焊接),然后将法兰焊接在风道上。焊接要严密,不得漏风。(图七)五、维护与检修1、定期清扫传压笛形管内灰尘杂物,保证取样管和传压笛形管畅通。注意清扫完毕后必须拧紧排尘螺帽。2、当发现装置的压差信号异常时,应立即检查排尘螺帽是否松动或脱落;检查传压管与差压变送器之间管道是否堵塞或损坏;检查取样是否堵塞。六、配套附件装箱1、JYP(S、Y)型风量测量装置----------一套2、风道连接法兰----------------------一套3、安装使用说明书--------------------一套4、装箱单---------------------------一套5、合格证---------------------------一套七、订贺须知本厂生产的JY-P(S、Y)型风量测量装置是根据用户提供的技术参数进行设计的。订货日请注明型号,并应提供下列数据:1、最大风量---------------------------m3/h2、运行风量---------------------------m3/h3、最小风量---------------------------m3/h4、风压-------------------------------Pa5、风温--------------------------------℃6、当地大气压力------------------------Pa7、风道截面(宽X高)8、安装风量测量装置的风道直管段总长---------m9、安装风量测量装置的风道布置方式;垂直或横向。10、安装风量测量装置的标高------------------m11、压差信号---------------------------Pa12、压力损失---------------------------Pa如有特殊要求请加以说明,我们将尽力予以满足。

1、当您付费下载文档后,您只拥有了使用权限,并不意味着购买了版权,文档只能用于自身使用,不得用于其他商业用途(如 [转卖]进行直接盈利或[编辑后售卖]进行间接盈利)。
2、本站所有内容均由合作方或网友上传,本站不对文档的完整性、权威性及其观点立场正确性做任何保证或承诺!文档内容仅供研究参考,付费前请自行鉴别。
3、如文档内容存在违规,或者侵犯商业秘密、侵犯著作权等,请点击“违规举报”。

碎片内容

三曲线机翼测风

您可能关注的文档

确认删除?
VIP
微信客服
  • 扫码咨询
会员Q群
  • 会员专属群点击这里加入QQ群
客服邮箱
回到顶部