电脑桌面
添加小米粒文库到电脑桌面
安装后可以在桌面快捷访问

两级压缩双温制冷循环热力计算VIP免费

两级压缩双温制冷循环热力计算_第1页
1/4
两级压缩双温制冷循环热力计算_第2页
2/4
两级压缩双温制冷循环热力计算_第3页
3/4
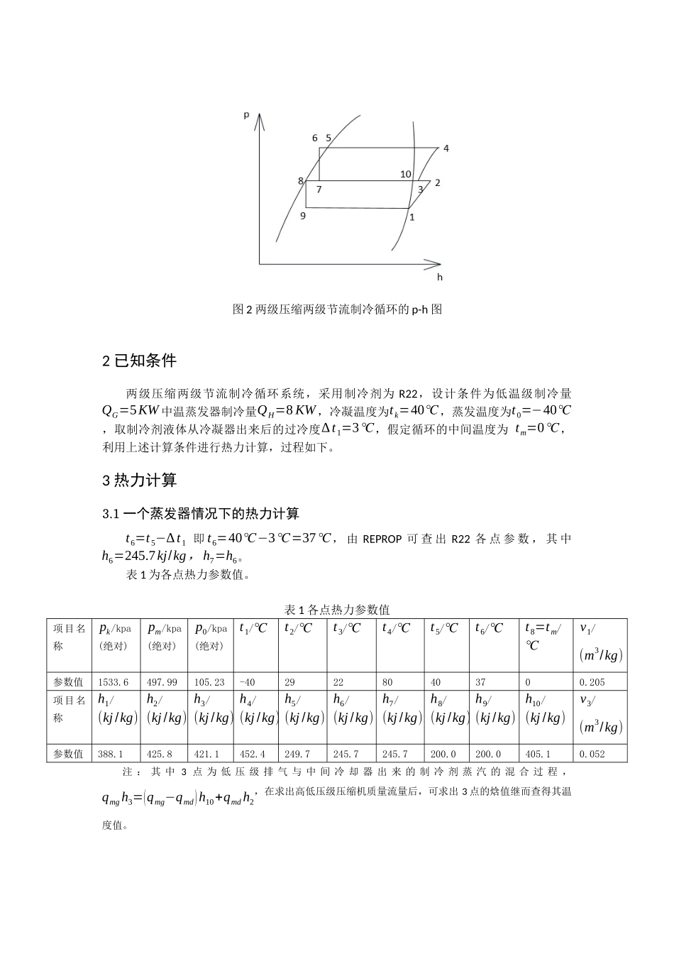
两级压缩两级节流制冷循环热力计算1两级压缩两级节流制冷循环概述图1是两级压缩两级节流制冷循环的流程图,两级压缩制冷循环中设置一个中间冷却器。中间冷却器中的部分制冷剂液体引入一个中温蒸发器,实现中温制冷。这种两级压缩制冷循环可以同时制取两种蒸发温度下的制冷量。两级压缩两级节流制冷循环由低压级压缩机A、高压级压缩机B、水冷冷凝器C、中间冷却器E、节流阀D、F、蒸发器G、H组成。从冷凝器出来的高压液体经节流阀节流,其压力降到中间压力,在中间冷却器中蒸发。在中间冷却器中的制冷剂液体,一部分进入中温蒸发器,实现中温制冷,得到的制冷剂蒸汽再次进入中间冷却器;另一部分制冷剂液体经过节流阀F进行二次节流,使其从冷凝压力到蒸发压力后再蒸发器内蒸发制冷。由蒸发器出来的制冷剂饱和蒸气被低压级压缩机吸入,并被压缩到中间压力,排送到高压级压缩机的吸气管内,与中间冷却器出来的饱和蒸汽混合后进入高压级压缩机压缩到冷凝压力,进入高压级压缩机的制冷剂是中间压力下的过热蒸汽,经过高压级压缩机压缩后在水冷冷凝器中冷凝成为高压液体,然后再次循环。图1两级压缩两级节流制冷循环的流程图与图1对应,图2为两级压缩两级节流制冷循环的p-h图。其中1-2和3-4过程分别表示低压级压缩机和高压级压缩机的压缩过程。点3为中间压力下的过热状态,即高压级压缩机的吸气状态。过程4-5为冷凝器的冷凝过程。5-6为从冷凝器出来的的高压制冷剂液体的过冷过程,经节流阀D节流到状态点7。7-8表示制冷剂在中间冷却器中降温的过程,状态8的制冷剂为饱和制冷剂液体,8-9表示由中间冷却器出来的制冷剂液体进入蒸发器前的节流过程。9-0表示制冷剂在蒸发器内的蒸发(制冷)过程。点1为低压级压缩机的吸气状态。图2两级压缩两级节流制冷循环的p-h图2已知条件两级压缩两级节流制冷循环系统,采用制冷剂为R22,设计条件为低温级制冷量QG=5KW中温蒸发器制冷量QH=8KW,冷凝温度为tk=40℃,蒸发温度为t0=−40℃,取制冷剂液体从冷凝器出来后的过冷度∆t1=3℃,假定循环的中间温度为tm=0℃,利用上述计算条件进行热力计算,过程如下。3热力计算3.1一个蒸发器情况下的热力计算t6=t5−∆t1即t6=40℃−3℃=37℃,由REPROP可查出R22各点参数,其中h6=245.7kj/kg,h7=h6。表1为各点热力参数值。表1各点热力参数值项目名称pk/kpa(绝对)pm/kpa(绝对)p0/kpa(绝对)t1/℃t2/℃t3/℃t4/℃t5/℃t6/℃t8=tm/℃v1/(m3/kg)参数值1533.6497.99105.23-40292280403700.205项目名称h1/(kj/kg)h2/(kj/kg)h3/(kj/kg)h4/(kj/kg)h5/(kj/kg)h6/(kj/kg)h7/(kj/kg)h8/(kj/kg)h9/(kj/kg)h10/(kj/kg)v3/(m3/kg)参数值388.1425.8421.1452.4249.7245.7245.7200.0200.0405.10.052注:其中3点为低压级排气与中间冷却器出来的制冷剂蒸汽的混合过程,qmgh3=(qmg−qmd)h10+qmdh2,在求出高低压级压缩机质量流量后,可求出3点的焓值继而查得其温度值。根据表1所列出的各点的参数值可以对循环过程进行热力计算。过程如下:1.单位质量制冷量q0=h0−h9=188.1kj/kg2.低压级压缩机流量Q0=QG=5kwqmd=Q0q0=0.027kg/s3.低压级压缩机体积流量qVd=qmdv1=0.00554m3/s4.低压级压缩机理论排量(取λd=0.753)qVhd=qVdλd=0.0074m3/s=27.648m3/h5.低压级压缩机理论功率Pad=qmd(h2−h1)=1.02kw6.高压级压缩机质量流量根据中间冷却器中的能量守恒,可以得到公式qmgh7=(qmg−qmd)h10+qmdh8,从而可以求出高压级压缩机的质量流量:qmg=qmd(h10−h8)(h10−h7)=0.035kg/s7.高压级压缩机理论排量(取λg=0.792)qVhg=qmgv3λg=0.0230m3/s=84.24m3/h8.高压级压缩机理论功率Pag=qmg(h4−h3)=1.10kW9.循环的冷凝热负荷Qk=qmg(h4−h5)=7.09kW10.循环的理论制冷系数εk=Q0Pad+Pag=2.35811.循环的高低压级理论排量比ξ=qVhgqVhd=3.1083.2双温制冷循环的热力计算加入了一个蒸发器H,制冷量为QH=8KW,由qmH=QH/(h10−h8¿¿=¿0.039kg/s得出:qmg'=qmg+qmH=0.074kg/s;低压级压缩机排出的制冷剂蒸汽与中间冷却器出来的制冷剂混合后进入高压级压缩机,有:¿可以得到h3=¿412.7kj/kg,由REFPROP查得3点的温度等参数:t3=10℃,v3=0.050m3/kg,...

1、当您付费下载文档后,您只拥有了使用权限,并不意味着购买了版权,文档只能用于自身使用,不得用于其他商业用途(如 [转卖]进行直接盈利或[编辑后售卖]进行间接盈利)。
2、本站所有内容均由合作方或网友上传,本站不对文档的完整性、权威性及其观点立场正确性做任何保证或承诺!文档内容仅供研究参考,付费前请自行鉴别。
3、如文档内容存在违规,或者侵犯商业秘密、侵犯著作权等,请点击“违规举报”。

碎片内容

两级压缩双温制冷循环热力计算

您可能关注的文档

确认删除?
VIP
微信客服
  • 扫码咨询
会员Q群
  • 会员专属群点击这里加入QQ群
客服邮箱
回到顶部