电脑桌面
添加小米粒文库到电脑桌面
安装后可以在桌面快捷访问

塔里木油田ZJ80钻机配套标准VIP免费

塔里木油田ZJ80钻机配套标准_第1页
1/6
塔里木油田ZJ80钻机配套标准_第2页
2/6
塔里木油田ZJ80钻机配套标准_第3页
3/6
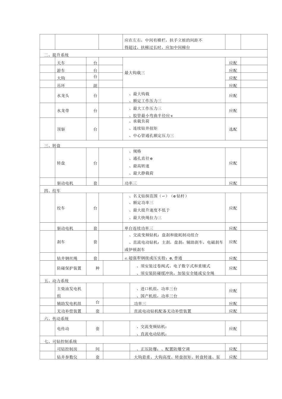
塔里木油田ZJ80钻机配套标准序号部件名称数量依据标准功能参数及技术要求配置备注一、井架及底座1井架1套02、最大载荷三8022有效高度三,前开口型应配型井架2井架附件21死绳固定器1套1、最大死绳拉力三02、输出压力8应配22套管扶正台1套能满足2-8200P08所有型号油、套管扶正要求应配2登梯助力器2套含导绳轮、平衡器、安全带、配重块、钢丝绳等应配2井架笼梯1套梯棍与井架主体之间应设有120〜10间隙应配2防坠落装置2套最大负荷10应配2二层平台2套由台体、操作台,外挡风墙及内栏杆组成;三面设有挡风板;在台体边缘均设有挡脚板;操作台可向上翻起,避免与游动系统碰撞应配2二层台逃生装置1套最大下滑载荷10,允许下滑高度100应配28挡杆架1套立根容量28柱,8000011钻杆,28立根,含10钻铤柱、8钻铤柱应配2型钳及平衡重2套1、适合管径—128〜282、额定扭矩•应配210避雷装置1套按01电气装置安装工程接地装置施工及验收规范第三章第五节要求执行应配底座1套1、转盘梁最大载荷三80022、立根载荷三2002、钻台面高度三10,转盘梁底面高度三应配双升式或旋升式底座附件1逃生滑道1套与水平方向的夹角应三°应配2坡道1套与水平方向的夹角应三°应配猫道1套1、配1台0气动绞车2、设钻杆缓冲装置应配钻台挡风幕墙1套四面冬季必置底座挡风幕墙1套三面选配小鼠洞1根82应配小鼠洞卡钳1套适应钻具规格(〜)101〜12应配8大鼠洞1根182应配泥浆伞1套转盘梁下需设置泥浆伞或类似的泥浆回收装置应配1()货物升降机1套三1应配11钻台偏房2套(10000X2800X2800)应配12钻台扶梯套2梯子与水平方向的夹角应小于度,扶梯扶手高度应配应在左右,中间有横栏,扶手立桩的间距不得超过,扶梯过长时,应加中间梯台二、提升系统天车台最大钩载三应配游车台应配大钩台应配吊环副应配水龙头台、最大钩载、额定工作压力三应配水龙带台、最大工作压力三、胶管最小弯曲半径应w应配顶驱台、承载负荷、连续钻井扭矩、中心管通孔额定压力三选配三、转盘转盘台、规格、通孔直径e、最高转速、最大静载荷应配驱动电机套功率三应配四、绞车绞车台、名义钻探范围(〜)(e钻杆)、额定功率三、最大提升速度不低于、最大快绳拉力三应配驱动电机套单台连续功率三应配刹车套、交流变频钻机:盘刹和能耗制动组合、直流电动钻机:主刹,盘刹;辅助刹车,电磁刹车或伊顿刹车应配钻井钢丝绳套e,超强犁钢级或压实股;e,普通应配防碰保护装置种、须安装过卷阀式、电子数字式和重锺式、须安装防碰缓冲块,加装安全链或安全绳应配五、动力系统主柴油发电机组、进口机组,功率三台、国产机组,功率三台应配辅助发电机组台功率三应配无功补偿装置套直流电动钻机配备无功补偿装置应配六、传动系统电传动套、交流变频钻机:、直流电动钻机:应配七、司钻控制系统司钻控制房间、正压防爆;、配置防爆空调应配钻井参数仪套大钩悬重、大钩高度、转盘扭矩、转盘转速、泵应配冲、立管压力、钻井液出口流量、吊钳扭矩、泥浆池体积、补偿池体积、钻时、井深、泥浆池体积差等指重表套含传感器应配自动送钻装置套应配视频监视系统套最少个点:二层平台、绞车滚筒、钻井泵、振动筛应配八、钻井液循环系统钻井泵及其驱动电机台、额定功率三、最大排出压力三应配可选配灌注泵台电机功率三选配灌浆泵台电机功率三应配钻井液管汇套、额定工作压力三、双立管、正灌和反灌管线应有隔断闸门、互不干涉、配置抗震压力表,每根立管安装个,位置要便于司钻观察应配振动筛台、高频振动筛、清除粒度为M以上的固相、处理量三,目筛网,钻井液、筛网目数:〜目、振动形式:直线、平动或椭圆形应配除砂器台处理量三,钻井液应配可配置一体机除泥器台处理量三,钻井液应配除气器台、处理量三,钻井液、真空度应配离心机台、中速(或高速)和高速各台,转速均在以上、处理量中速三、高速三应配循环罐套、有效容积三,不包含锥形罐、罐与罐之间采用开口明槽连接、将一个循环罐分隔为前后仓,其中一仓容积为〜能够与钻井泵、加重泵连接,用以堵漏和配解卡剂应配储备罐套、有效容积三、配备独立循环加重系统应配液面监测和报警装置、所有参与循环的固控罐需安装直读罐容标尺、上水罐配...

1、当您付费下载文档后,您只拥有了使用权限,并不意味着购买了版权,文档只能用于自身使用,不得用于其他商业用途(如 [转卖]进行直接盈利或[编辑后售卖]进行间接盈利)。
2、本站所有内容均由合作方或网友上传,本站不对文档的完整性、权威性及其观点立场正确性做任何保证或承诺!文档内容仅供研究参考,付费前请自行鉴别。
3、如文档内容存在违规,或者侵犯商业秘密、侵犯著作权等,请点击“违规举报”。

碎片内容

塔里木油田ZJ80钻机配套标准

您可能关注的文档

确认删除?
VIP
微信客服
  • 扫码咨询
会员Q群
  • 会员专属群点击这里加入QQ群
客服邮箱
回到顶部