电脑桌面
添加小米粒文库到电脑桌面
安装后可以在桌面快捷访问

数学建模习题指导VIP免费

数学建模习题指导_第1页
1/8
数学建模习题指导_第2页
2/8
数学建模习题指导_第3页
3/8
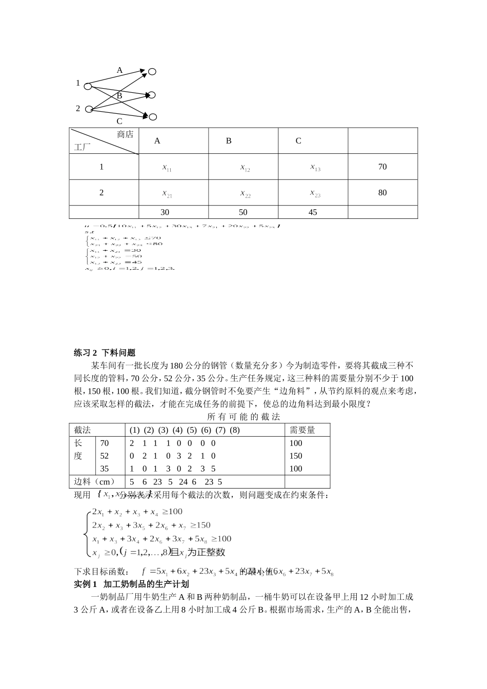
数学建模习题指导第一章初等模型讨论与思考讨论题1大小包装问题在超市购物时你注意到大包装商品比小包装商品便宜这种现象吗?比如洁银牙膏50g装的每支1.50元,120g装的每支3.00元,二者单位重量的价格比是1.2:1,试用比例方法构造模型解释这种现象。(1)分析商品价格C与商品重量w的关系。(2)给出单位重量价格c与w的关系,并解释其实际意义。提示:决定商品价格的主要因素:生产成本、包装成本、其他成本。单价随重量增加而减少单价的减少随重量增加逐渐降低思考题2划艇比赛的成绩赛艇是一种靠浆手划桨前进的小船,分单人艇、双人艇、四人艇、八人艇四种。各种艇虽大小不同,但形状相似。T.A.McMahon比较了各种赛艇1964—1970年四次2000m比赛的最好成绩(包括1964年和1968年两次奥运会和两次世界锦标赛),见下表。建立数学模型解释比赛成绩与浆手数量之间的关系。各种艇的比赛成绩与规格艇种2000m成绩t(min)艇长l(m)艇宽b(m)l/bW0(kg)与n之比1234平均单人7.167.257.287.177.217.930.29327.016.3双人6.876.926.956.776.889.760.35627.413.6四人6.336.426.486.136.3211.750.57421.018.1八人5.875.925.825.735.8418.280.61030.014.7第二章线性代数模型森林管理问题森林中的树木每年都要有一批砍伐出售。为了使这片森林不被耗尽且每年都有所收获,每当砍伐一棵树时,应该就地补种一棵幼苗,使森林树木的总数保持不变。被出售的树木,其价值取决于树木的高度。开始时森林中的树木有着不同的高度。我们希望能找到一个方案,在维持收获的前提下,如何砍伐树木,才能使被砍伐的树木获得最大的经济价值。思考:试解释为什么模型中求解得到的为每周平均销售量会略小于模型假设中给出的1。练习:将钢琴销售的存贮策略修改为:当周末库存量为0或1时订购,使下周初的库存达到3架;否则,不订购。建立马氏链模型,计算稳态下失去销售机会的概率和每周的平均销售量。2.将钢琴销售的存贮策略修改为:当周末库存量为0时订购本周销售量加2架;否则,不订购。建立马氏链模型,计算稳态下失去销售机会的概率和每周的平均销售量。第三章优化模型讨论题1)最优下料问题用已知尺寸的矩形板材加工半径一定的圆盘。给出几种加工排列方法,比较出最优下料方案。2)广告促销竞争问题甲乙两公司通过广告竞争销售商品,广告费分别为x和y。设甲乙公司商品的售量在两公司总售量中所占份额是它们的广告费在总广告费中所占份额的函数又设公司的收入与售量成正比,从收入中扣除广告费后即为公司的利润。试构造模型的图形,并讨论甲公司怎样确定广告费才能使利润最大。(1)令(2)写出甲公司的利润表达式对一定的y,使p(x)最大的x的最优值应满足什么关系。用图解法确定这个最优值。练习1三个家具商店购买办公桌:A需要30张,B需要50张,C需要45张。这些办公桌由两个工厂供应:工厂1生产70张,工厂2生产80张。下表给出了工厂和商店的距离(单位公里),假设每张每公里运费0.5元。寻求一个运送方案使运费最少?工厂家具店ABC11053027205A1B2C商店工厂ABC170280305045练习2下料问题某车间有一批长度为180公分的钢管(数量充分多)今为制造零件,要将其截成三种不同长度的管料,70公分,52公分,35公分。生产任务规定,这三种料的需要量分别不少于100根,150根,100根。我们知道,截分钢管时不免要产生“边角料”,从节约原料的观点来考虑,应该采取怎样的截法,才能在完成任务的前提下,使总的边角料达到最小限度?所有可能的截法截法(1)(2)(3)(4)(5)(6)(7)(8)需要量长度705235211100000210321010130235100150100边料(cm)56235246235现用分别表示采用每个截法的次数,则问题变成在约束条件:下求目标函数:的最小值。实例1加工奶制品的生产计划一奶制品厂用牛奶生产A和B两种奶制品,一桶牛奶可以在设备甲上用12小时加工成3公斤A,或者在设备乙上用8小时加工成4公斤B。根据市场需求,生产的A,B全能出售,且每公斤A获利24元,每公斤B获利16元。现在加工每天能得到50桶牛奶的供应,每天正式工人总劳动时间为480小时,并且设备甲每天至多能加工100公斤A,设备乙的加工能力没有限制。试为该厂制订一个生产计划,使每天获利...

1、当您付费下载文档后,您只拥有了使用权限,并不意味着购买了版权,文档只能用于自身使用,不得用于其他商业用途(如 [转卖]进行直接盈利或[编辑后售卖]进行间接盈利)。
2、本站所有内容均由合作方或网友上传,本站不对文档的完整性、权威性及其观点立场正确性做任何保证或承诺!文档内容仅供研究参考,付费前请自行鉴别。
3、如文档内容存在违规,或者侵犯商业秘密、侵犯著作权等,请点击“违规举报”。

碎片内容

数学建模习题指导

书海行舟+ 关注
实名认证
内容提供者

热爱教学事业,对互联网知识分享很感兴趣

确认删除?
VIP
微信客服
  • 扫码咨询
会员Q群
  • 会员专属群点击这里加入QQ群
客服邮箱
回到顶部