电脑桌面
添加小米粒文库到电脑桌面
安装后可以在桌面快捷访问

新版22012组合结构设计原理BVIP专享VIP免费

新版22012组合结构设计原理B_第1页
1/5
新版22012组合结构设计原理B_第2页
2/5
新版22012组合结构设计原理B_第3页
3/5
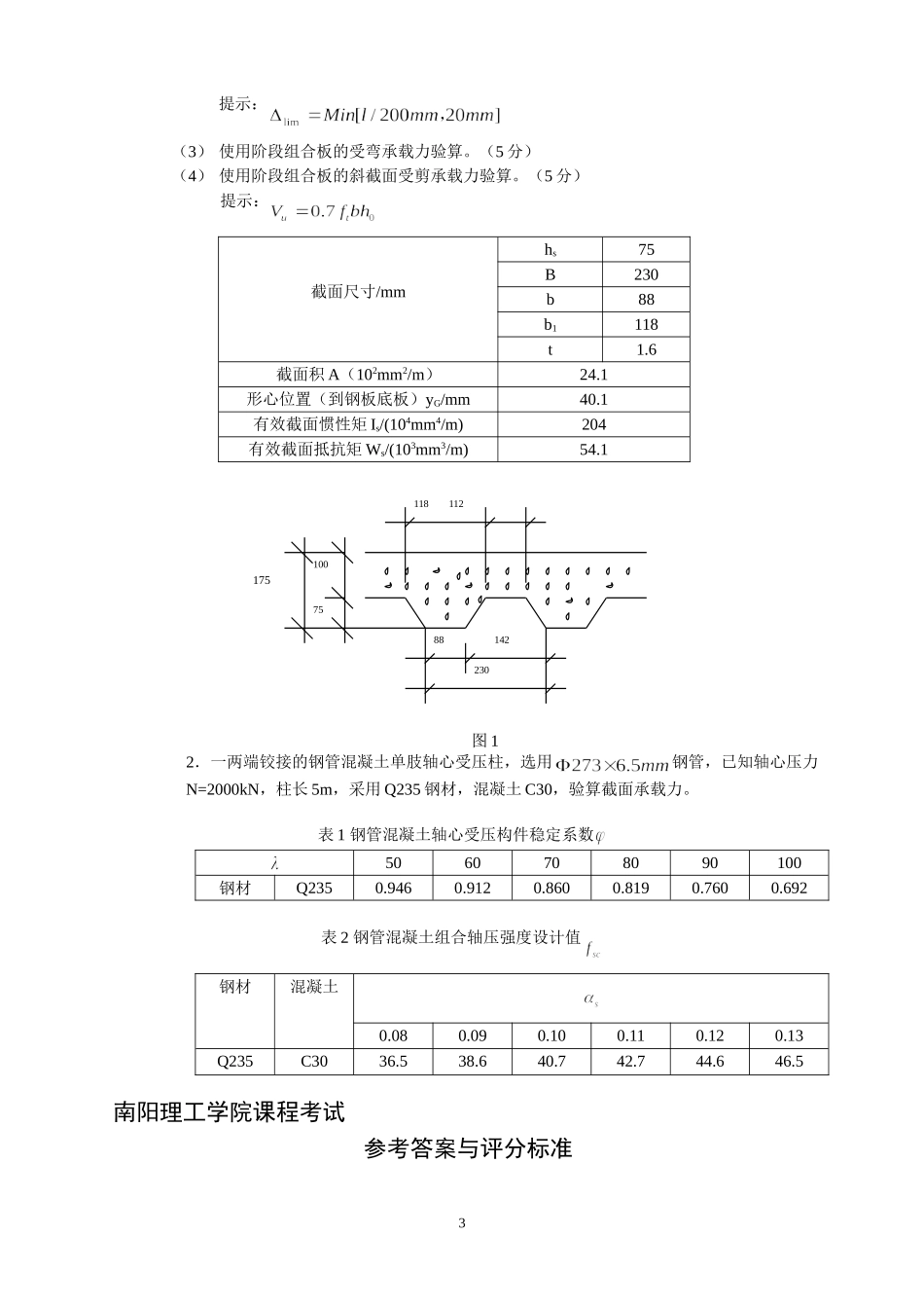
1南阳理工学院_2011-2012学年第2学期试卷(A卷)课程:《组合结构设计原理》考核方式:(闭卷)课程性质:_______________适用对象:级本(专)科题号一二三四五六七总分复核人满分得分一、填空题:(每空1分,共20分)评卷人得分1.成为继钢结构、钢筋混凝土结构、木结构及砌体结构以后的第五大结构体系。2.钢板压制成带肋波形板的目的是;压型钢板上压制出各种槽纹与花纹的目的是。3.组合结构中最常用的剪切连接件是剪切连接件。承受动力荷载及荷载较大的大型组合结构中应设置剪切连接件;承受交变荷载的组合构件中的连接件应按试验确定其疲劳强度。4.对于连续组合板,采用弹性方法进行内力计算时,若允许支座混凝土开裂,则可考虑按的计算方法,中间支座处负弯矩可适当进行。5.组合梁的钢梁下不设临时支撑时,应按两个受力阶段进行计算,其中第一阶段指的是;第二阶段指的是。6.考虑滑移效应的组合梁,在荷载效应标准组合下采用截面的刚度。7.称为型钢混凝土构件。8.型钢混凝土梁的剪跨比>2.5为破坏控制,其余梁均属破坏。9.配实腹式钢的型钢混凝土梁的剪切斜压破坏可假定为机理。10.在反复荷载作用下,型钢混凝土构件的剪切承载能力。11.在水平力作用下,节点经常发生破坏。12.钢管混凝土中浇灌混凝土有三种方法,即、和。二、选择题:(每题2分,共20分)评卷人得分1.组合板的正截面受弯承载力计算采用()。A弹性设计法B塑性设计法C弹性或塑性设计法D弹性和塑性设计法2.如果组合板在计算时,受压区高度x>0.55h0,则钢材的强度()充分发挥,应取()进行计算。A不能x<0.55h0B不能x>0.55h0C不能x=0.55h0C能x>0.55h03.部分剪切连接组合梁指剪切连接件所能承担的剪力()截面极限弯矩时所产生的钢梁与混凝土板之间的纵向水平剪力。A小于B等于C大于D不确定4.采用弹性方法计算组合梁内力时,若考虑混凝土徐变影响,则钢梁的正应力(),混凝土板的正应力()。2A增大增大B增大减小C减小增大D减小减小.5.关于简支组合梁的受力特点,以下叙述错误的是()。A组合梁沿梁跨全长的受弯承载力,远大于钢梁截面的承载力;B跨中截面承受的弯矩及剪力比支座截面大;C在使用阶段可不考虑梁的整体稳定性问题;D支座截面剪力最大,而弯矩为零。6.下列关于型钢混凝土结构的特点,叙述错误的是()。A构件中配置的型钢一般不需为提高其稳定性而加设任何加劲板。B内力计算不必验算型钢骨架本身的稳定性。C延性和耗能性大大强于钢筋混凝土构件。D粘结强度远远大于钢筋混凝土结构中钢筋与混凝土的粘结强度。7.型钢混凝土构件是()构件。A弹性B塑性C弹塑性D刚性8.型钢混凝土柱正截面受压破坏时,受压较大一边的钢筋和型钢翼缘();距轴压较远一侧的混凝土与钢筋、型钢()。A屈服屈服B未屈服屈服B屈服未屈服C未屈服未屈服9.圆形钢管混凝土柱中钢管纵向和径向受(),环向受()。A拉拉B压压C拉压D压拉10.以下关于钢管混凝土的叙述,错误的是()。A钢管形状有圆形和方形之分B圆形钢管混凝土与方形钢管混凝土的力学性能有很大差别C方形钢管混凝土的力学性能优于圆形钢管混凝土D圆形钢管混凝土的力学性能优于方形钢管混凝土1.组合板的破坏模式有哪些?2.一般在什么条件下,采用部分剪切连接的设计方法?3.影响型钢混凝土柱剪切承载力的主要因素有哪些?4.简述钢管混凝土柱节点设计的原则。1..一简支组合板截面特征见表1,截面尺寸如图1所示,板的跨度为3m。压型钢板采用Q345钢()。混凝土强度等级C25()。压型钢板波距为230mm,压型钢板上混凝土的厚度hc=100mm,。施工阶段作用在压型钢板上的恒载标准值为3.5kN/m2,活荷载标准值为1.5kN/m2,使用阶段作用在组合板上的恒载标准值为4.2kN/m2,活荷载标准值为2.0kN/m2。(1)施工阶段压型钢板的受弯承载力验算。(5分)(2)施工阶段压型钢板的挠度验算。(5分)三、简答题:(每题5分,共20分)评卷人得分四、计算题:(每题分数见题后,共40分)评卷人得分3提示:(3)使用阶段组合板的受弯承载力验算。(5分)(4)使用阶段组合板的斜截面受剪承载力验算。(5分)提示:截面尺寸/mmhs75B230b88b1118t1.6截面积A(102mm2/m...

1、当您付费下载文档后,您只拥有了使用权限,并不意味着购买了版权,文档只能用于自身使用,不得用于其他商业用途(如 [转卖]进行直接盈利或[编辑后售卖]进行间接盈利)。
2、本站所有内容均由合作方或网友上传,本站不对文档的完整性、权威性及其观点立场正确性做任何保证或承诺!文档内容仅供研究参考,付费前请自行鉴别。
3、如文档内容存在违规,或者侵犯商业秘密、侵犯著作权等,请点击“违规举报”。

碎片内容

新版22012组合结构设计原理B

确认删除?
VIP
微信客服
  • 扫码咨询
会员Q群
  • 会员专属群点击这里加入QQ群
客服邮箱
回到顶部