电脑桌面
添加小米粒文库到电脑桌面
安装后可以在桌面快捷访问

钢制滑轮与尼龙滑轮对比[1]VIP免费

钢制滑轮与尼龙滑轮对比[1]_第1页
1/9
钢制滑轮与尼龙滑轮对比[1]_第2页
2/9
钢制滑轮与尼龙滑轮对比[1]_第3页
3/9
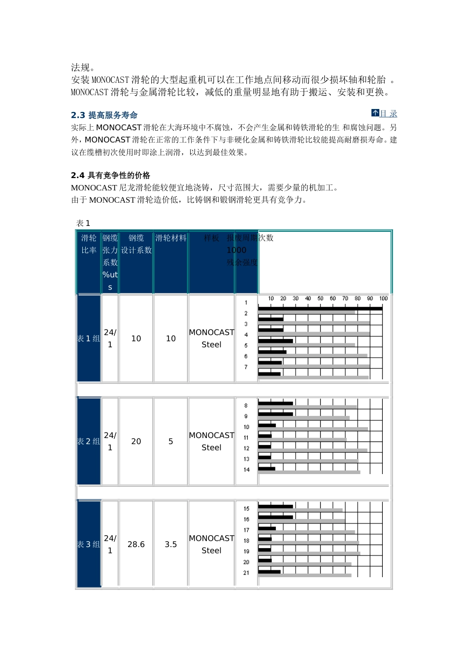
MONOCAST钢缆滑轮(简称MC铸型尼龙滑轮)1.MONOCAST钢缆滑轮的优越性与金属滑轮相比1.1金属滑轮和钢缆的磨损多年来,重型起重设备的制造商和使用者一直在寻找新方法来提高钢缆的使用寿命,减少在金属滑轮上的磨损。早期方案包括在金属滑轮槽涂敷弹性材料和在金属轮毂上安装这类材料的轮缘。1.2金属的重量和腐蚀性质随着移动式升降设备应用的增多,为了提高起重能力和移动性能,在新式设计中要求起重臂金属滑轮和配重必须减重。而且,海洋勘测作业对起重设备的防腐蚀零件的要求也逐步加强。1.3MONOCAST钢缆滑轮-优点4合1扬州赛尔达尼龙制造有限公司开发的MONOCAST铸型尼龙滑轮:大大提高钢缆的寿命降低重量而提高起重能力和方便运输不论在陆地或海上使用,均无腐蚀有竞争力的价格,并且易于安装MONOCAST钢缆滑轮现已广泛应用在移动式(电梯)和海洋起重设备上。1.4对于工程预算和设计的帮助本手册的资料试图帮助应用工程师对特殊型号设备的钢缆滑轮进行预算和设计。工程预算和设计应考虑设备使用的具体操作和环境条件下的负载。1.5关于MONOCAST尼龙MONOCAST尼龙是一种高强度的浇铸尼龙,内含二硫化钼(MOS2)超微粉末提高其润滑性。其非凡的强度支承轴承的负荷大大高于其他工程热塑塑胶。由于它的内在弹性、非极性和极快的工作应力释放能力,不会产生永久的变形。MONOCAST尼龙耐磨,不但减少设备的总重,而且保护相配合的金属表面。1.6温度波动典型室温下的MONOCAST尼龙机械性能见11页。低温时,屈服强度和弹性模量增加,而冲击强度和拉伸强度降低。1.7独特的单体浇铸工艺MONOCAST尼龙是通过独特的单体浇铸工艺,以液状单体在金属模里直接聚合为尼龙的,可以生产各种尺寸和厚度而保持内部的完整性。MONOCAST浇铸尼龙零件已成功地应用在各种重型设备上,例如建筑、铁路、采矿、海上、电梯、起重机制造和其他工业。1.8性能与金属配套零件比较,MONOCAST浇铸尼龙具有的优越性能和优点。MONOCAST滑轮延长钢缆寿命,降低重量,抗腐蚀,延长使用寿命,比金属滑轮的价格更有竞争性。1.9全球范围的广泛应用海上和造船工业自动化工业军工化学和石化建筑业铁路和运输电梯工程工业特殊专案2.MONOCAST尼龙钢缆滑轮的优点2.1延长钢缆的寿命扬州赛尔达尼龙制造有限公司与国际著名的独立研究机构一直致力于研究这样的课题:在同一条件下,MONOCAST滑轮和淬火金属滑轮比较的钢缆耐用寿命测试。表1和表2汇总给出报废周期次数对残余强度的测试结果。钢缆的失效一般采用DutchspecNEN3233标准。测试时的失效以见到绳股断裂或滑轮芯轴开裂为标准。测试资料显示,与金属滑轮对比,MONOCAST滑轮相应地提高了钢缆的周期寿命。当然,仅依据看见的缆股断裂而判断缆绳失效是不适当的。因而,MONOCAST滑轮用户应注意,钢绳的疲劳标准应该建立在使用者的经验和应用要求基础上。关于疲劳标准更多资讯在Delf科技大学的L.Wiek博士的报告NO.89.3.TL2559上注明。有关详细的测试步骤,参见聚合物技术简报WR-2:"使用NYLATRON(MONOCAST)滑轮和金属滑轮钢绳的疲劳寿命和周期余量的比较"。2.2减低重量因为MONOCAST尼龙比重大约是常用铸铁的1/7,MONOCAST尼龙滑轮降低吊臂末端固定重量。这样提高了移动式起重机稳定性和起重能力。MONOCAST滑轮还减轻了加在汽车所吊的轴上的重量,使其更易于符合公路重量法规。安装MONOCAST滑轮的大型起重机可以在工作地点间移动而很少损坏轴和轮胎。MONOCAST滑轮与金属滑轮比较,减低的重量明显地有助于搬运、安装和更换。2.3提高服务寿命目录实际上MONOCAST滑轮在大海环境中不腐蚀,不会产生金属和铸铁滑轮的生和腐蚀问题。另外,MONOCAST滑轮在正常的工作条件下与非硬化金属和铸铁滑轮比较能提高耐磨损寿命。建议在缆槽初次使用时即涂上润滑,以达到最佳效果。2.4具有竞争性的价格MONOCAST尼龙滑轮能较便宜地浇铸,尺寸范围大,需要少量的机加工。由于MONOCAST滑轮造价低,比铸钢和锻钢滑轮更具有竞争力。表1滑轮比率钢缆张力系数%uts钢缆设计系数滑轮材料样板报废周期次数1000残余强度表1组24/11010MONOCASTSteel表2组24/1205MONOCASTSteel表3组24/128.63.5MON...

1、当您付费下载文档后,您只拥有了使用权限,并不意味着购买了版权,文档只能用于自身使用,不得用于其他商业用途(如 [转卖]进行直接盈利或[编辑后售卖]进行间接盈利)。
2、本站所有内容均由合作方或网友上传,本站不对文档的完整性、权威性及其观点立场正确性做任何保证或承诺!文档内容仅供研究参考,付费前请自行鉴别。
3、如文档内容存在违规,或者侵犯商业秘密、侵犯著作权等,请点击“违规举报”。

碎片内容

钢制滑轮与尼龙滑轮对比[1]

书海行舟+ 关注
实名认证
内容提供者

热爱教学事业,对互联网知识分享很感兴趣

确认删除?
VIP
微信客服
  • 扫码咨询
会员Q群
  • 会员专属群点击这里加入QQ群
客服邮箱
回到顶部